所屬科目:港務局◆機械原理及設計概要
18. 如圖所示單塊狀制動器,若扭矩為 T,摩擦力為 F,鼓輪半徑為 R,摩擦係數 f,正壓力為 N 則下列何者關係是正確? (A)T=f*N*R (B)N=T*f*R (C)T=f*N/R (D)N=T*f/R
26. 如圖所示的等效彈簧常數 K 為多少?(A)K=K1+K2 (B)(1/K)=(1/K1)+(1/K2) (C)K=(1/K1)+(1/K2) (D)(1/K)= K1+K2
38. 下圖所示為何種投影方法之符號:(A)第一角投影 (B)第二角投影 (C)第三角投影 (D)第四角投影
40. 右圖所示之齒輪 A 及 B 分別具有 60 及 40 齒,若齒輪 A 逆時針旋轉 3 圈,且旋轉臂 C 順時針旋轉 5 圈,則齒輪 B 旋轉之圈數為: (A)7 圈 (B)8 圈 (C)12 圈 (D)17 圈
48. 凸緣聯結器在直徑 20cm 的螺栓圓上有 8 個螺栓,螺栓材料之允 許剪應力為 100kg/cm2 ,若最大拉力矩為 5000kg·cm,則所需之螺栓直徑為多少 cm? (A) (B) (C) (D)
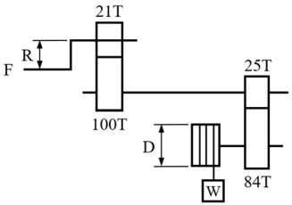
50. 如圖所示之起重輪系,曲柄 R=20cm,捲筒直徑 D=20cm,今欲吊起重量 W=480kg 之重物時,曲丙上施力 F應為多少 kg?(A)5 (B)10 (C)15 (D)20