所屬科目:教甄◆電子科/資訊科/電機科/冷凍空調科/控制科/電機空調科
1. 如圖 1 所示三相平衡電路,若線電壓有效值為 400 V、三相負載的總實功率 (總平均功率)為 4.8 kW、功率因數為 0.6 落後,則阻抗為何?(備註:cos53.1°= 0.6 ) (A) (12 + j16) Ω (B) (16 + j12) Ω (C) (12 +)Ω (D) ( +j12)Ω
3.如圖 2 所示電路,β=100,試求 Rin與 Rout值? (A) Rin = 12.5kΩ,Rout = 5kΩ (B) Rin = 5kΩ,Rout = 5kΩ (C) Rin = 0.1kΩ, Rout = 5kΩ (D) Rin = 0.1kΩ,Rout = 0.5kΩ
4. 如圖 3 所示電路,Q1的 IDSS=4mA、VP=-1.4V、VBE=0.7V,且β=20,求 VCE2=? (A)5.5V (B)8.2V (C)9V (D)20V
5.某負載電壓vs與電流is波形如圖 4 所示,則此負載的功率因素、視在功率、虛功率各為何 ? (A)650VA,6-370A,R (B)6370A,6-70VA,R (C)670VA,6370A,R (D)670VA,650VA,R
6. 如圖 5 所示,R1 = 10kΩ,R2 = 5kΩ,R = 1kΩ,C = 1μF,求輸出頻率 fo = ? (A)5kHz (B)1kHz (C)500Hz (D)250Hz
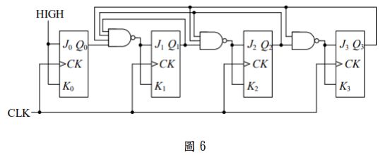
7. 圖 6 電路為使用 JK 正反器組成之計數器,若 Q3Q2Q1Q0的初始狀態為 0000 且 CLK 適當觸發,則輸出序列(Q3Q2Q1Q0)轉成 10 進制後的數值變化,下列何者正確? (A) 0 →15 →14 →13 →12 →11 →10 →9… (B) 0 →15 →14 →13 →10 →5 →10 →5… (C) 0 →5 →10 →15 →10 →5 →0 →5… (D) 0 →15 →10 →5 →10 →15 →10 →5…
8.如圖 7 所示為基本邏輯閘所構成的電路圖,若 A,B,C 為數位訊號輸入端,W,X,Y,Z 為數位訊號輸出端,此電路圖可以實現下列何種組合邏輯電路功能? (A) 具有優先順序的編碼器。 (B) 具有致能功能的解碼器。 (C) 具有致能 功能的解多工器。 (D) 具有優先順序的多工器。
9. 一個費氏數列定義第一個數為 0 第二個數為 1,之後的每個數都等於前兩個 數相加,如下所示:0、1、1、2、3、5、8、13、21、34、55、89…。下列 的程式用以計算第 N 個(N≧2)費氏數列的數值,請問(甲)與(乙)兩個空格 的敘述(statement)應該為何? (A)(甲)f[i]=f[i-1]+f[i-2]、(乙)f[N] (B)(甲)a=a+b、(乙)a (C)(甲)b=a+b、(乙)b (D)(甲)f[i]=f[i-1]+f[i-2]、(乙)f[i]
(1)電壓增益AV =
(2)若所有電阻均相等,則電壓增益AV =
2. 如圖 9 所示電路,若 V1為正負峰值 5V 之三角波,V2=5V,則輸出電壓 Vo為工 作週期多少之脈波?(10%)
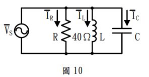
3.如圖 10 所示電路,已知 = 3∠30°A,= 15∠-60°A,= 11∠120°A,則電源及總阻抗分別為多少?(10%)
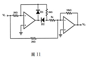
4.如圖 11 為精密全波整流電路,輸入電壓 Vi為峰值 250mV,頻率 60Hz 之正弦波, D1 與 D2 為二極體,請設計完成正半週全波整流電路,使得 Vo=5Vi,試求 Rx 值? (10%)
6.如圖 13 所示,假設所有電晶體之特性皆相同,β=100,VA = 50 V,VT = 26 mV,試求其差動電壓增益 Vo/Vd=Vo/(Vin1-Vin2)為何?