所屬科目:教甄◆電子科/資訊科/電機科/冷凍空調科/控制科/電機空調科
1. 如圖 1 所示電路,電流 Ia與 Ib分別為何?(A)Ia=1A、Ib=2A (B)Ia=2A、Ib=1A(C)Ia=0A、Ib=2A (D)Ia=1A、Ib=0A
2. 如圖 2 所示電路,時間 t=0 以前開關 S 在" 1 "的位置且電路已經達到穩態。若在 t=0 時將開關切換至" 2 "的位置,則開關切離位置" 1 "的瞬間,9 Ω電阻之電壓 VR為何?(A)-10V (B)-12V (C)-16V (D)-18V
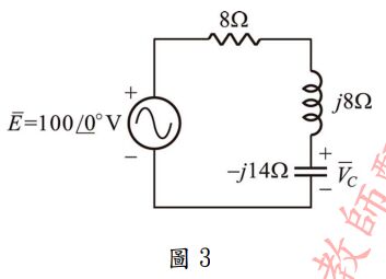
3. 如圖 3 所示之交流穩態電路,則電容電壓Vc為何?(A)100∠ − 53.1∘V (B)100∠ − 36.9∘V(C)140∠53.1∘V (D)140∠ − 53.1∘V
4. 在一個三相平衡系統中,已知線電壓為 200V,線電流為 5A,功率因數為0.8 滯後,則此負載的總視在功率為多少?(A)866VA (B)1000VA (C)1500VA(D)1732VA
5. 如圖 4 所示電路,輸出 飽和電壓為±15V,若輸出為+15V 時,則輸入電壓可能為何?(A)–8V (B)–2V (C)2V (D)8V
6. 如圖 5 所示電路,在交流工作時,C1與 C2可視為短路,若 β = 99, = 10kΩ,則輸入阻抗 Ri與電壓增益分別約為(A)49Ω,100 (B)49Ω,40 (C)95Ω,40 (D)95Ω,100
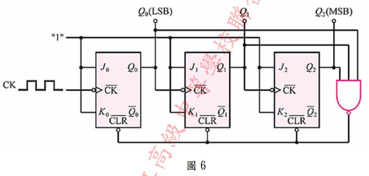
7. 如圖 6 邏輯電路,這個計數器模數(MOD)是多少?(A)5 (B)6 (C)7 (D)8
8. 在有號數系統中,以 8 位元 2 補數表示法計算 10000000B - 00000001B 的結果,下列敘述何者正確?(A)10000000B (B)00000001B (C)01111111B (D)溢位(Overflow)
9. 在 CPU 中的暫存器,何者的主要功能是儲存下一個欲執行的指令位址?(A)記憶體位址暫存器(Memory Address Register, MAR)(B)記憶體緩衝暫存器(Memory Buffer Register, MBR)(C)程式狀態字語(Program Status Word, PSW)(D)程式計數器(Program Couter, PC)
10. 一個 8 位元微處理機的記憶體地址線有 16 條,若採記憶體映射式 I/O,且I/O 設備需佔用 256 個位址空間,則最多可連接幾個 I/O 設備?(A)16 (B)32 (C)64 (D)256
11. 某 8 位元微處理機的 ALU 執行以下運算: A = 0x3C,B = 0xA7,執行 A +B,結果為?(以十六進位表示,並說明進位旗標 CF 狀態)(A)0xE3,CF=0 (B)0xE3,CF=1 (C)0xDB,CF=0 (D)0xDB,CF=1
12. 下列哪一種快取(Cache)寫入策略最能減少主記憶體寫入次數?(A)Write-through (B)Write-back (C)Write-around (D)Writeallocate
13. 用 C 語言宣告二維陣列變數 a 並初始化的程式敘述,下列哪一個是對的?(A)int x[2][3]={{1,2}, {3, 4}, {5, 6}};(B)int x[2][3] = (1, 2, 3, 4, 5, 6);(C)int a[2][3]={1; 2; 3; 4; 5; 6};(D)int x[2][3]={{1, 2, 3}, {4, 5, 6}};
14. C 語言執行「int a[3][4];」後,若陣列變數 a 的位址是 0x11223300,則a[1][2]的位址為何?(A)0x11223308 (B)0x1122330B (C)0x11223314 (D)0x11223318
1. 若下列程式碼是將整數變數 a 與 b 的內容交換,則空白處需填入什麼?
2. 下列 C 程式碼片段執行結果,變數 y 的值為 ?
三、計算題1. 如圖 7 所示電路之 N 通道 MOSFET 疊接放大電路,電晶體 M1之臨界電壓(threshold voltage)= 3V、參數 K1 = 4mA / V2,電晶體 M2之臨界電壓 = 2.5V、參數 K2 = 1mA / V2, = 1MΩ, = 10kΩ,若汲極電阻皆忽略,則此電路之電壓增益約為何?
(1) =?
(2) =?
3. 如圖 9 所示,若輸入信號為一正三角波,請說明輸出波形為何?並求其 VO最大及最小電壓值?
4. 使用 JK 正反器設計一個同步計數器,狀態如圖 10,數字排列為 Q2Q1Q0。