題組內容
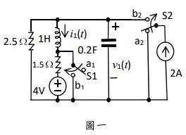
一、如圖一所示電路,若開關“S1”在“a1”點、“S2”在“a2”點停留了很長的時間。時間 0 秒時,“S1”開關瞬間從“a1”點移動到“b1”點、“S2”開關瞬間從“a2”點移動到“b2”點。

(二)試求電流 i1(0-),
,電壓 v1(0-)的值。(7 分)
一、如圖一所示電路,若開關“S1”在“a1”點、“S2”在“a2”點停留了很長的時間。時間 0 秒時,“S1”開關瞬間從“a1”點移動到“b1”點、“S2”開關瞬間從“a2”點移動到“b2”點。

(二)試求電流 i1(0-),
,電壓 v1(0-)的值。(7 分)