所屬科目:教甄◆電子科/資訊科/電機科/冷凍空調科/控制科/電機空調科
1. 電容器接上220V的電源,若要儲存44J的電能,試求電容器電容量為多少法拉(F)? (A)F (B)F (C)F (D)F
2. 有一元件兩端加上的電壓,此時產生的電流,此元件的特性,下列敘述何者正確? (A) 0.25H的電感器 (B) 0.25F的電容器 (C) 0.04H的電感器 (D) 0.04F的電容器(E)一律給分。
7. 下列敘述何者正確? (A)1N60切入電壓較一般二極體低,經常用於檢測中頻,高頻載波又稱為檢波二極體 (B)濾波器電壓調整率越大電路越穩定 (C)電阻電容RC濾波器的R值越小濾波效果越好 (D)使用指針型三用電表R✕10Ω檔,以紅棒接陽極、黑棒接陰極時指針會偏轉代表二極體良好。
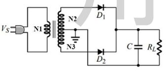
8. 如下圖所示電路,若變壓器之N1:N2:N3=4:2:1,=120sin(377t)V,則二極體D1、D2所承受的PIV值分別為多少? (A)120V,60V (B)120V,90V (C)90V,90V (D)60V,30V
9. 小明於實習課時照電路圖a接線並畫出輸出特性曲線如圖b,假設小明先將工作點調整至輸出特性曲線中Q點位置,隨後減小電阻使得電路的工作點移動至位置1接著調整電阻使工作點回到Q點後再增加電阻使電路工作點移動至位置2,請問位置1和位置2分別可能為輸出特性曲線中的哪兩個位置? (A)A、D (B)A、C (C)B、D (D)C、B
15. 如圖所示,為三相感應機之Y−△啟動之主電路,未完成部分之正確接線應為? (A) 1接X,2接Y,3接Z (B) 1接Y,2接Z,3接X (C) 1接Z,2接X,3接Y (D) 1接Y,2接X,3接Z
16. 如圖所示之台電桿上變壓器,下列敘述何者錯誤?(A)此類變壓器為油浸式單相變壓器 (B)根據其外殼所標示,變壓比為 6.9kV/50V (C)根據其外殼所標示,TPC 為台灣電力公司簡稱 (D)可以運用於單相三線或三相四線之不同配電系統
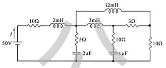
2. 如下圖所示,請求出電路在穩態時,電壓源輸出的電流I為多少A?_______(2分)。
2. 試證明 OPA 方波產生電路的週期 T =。(10 分)
3. 設交流電 sin(ωt + α) V、sin(ωt + β) A、P = VI cosθ、S = VI。 請證明:最大功率= P + s;最小功率= P − s。(6 分)