所屬科目:教甄◆電子科/資訊科/電機科/冷凍空調科/控制科/電機空調科
3. p 通道 E-MOSFET 的臨界電壓=-2V。如果=0V,汲極電流為下列何者? (A)(B) 最大值 (C)(D) 0A
8. 下圖所示的電路中,電壓 v2 為下列何者? (A) −1.6 V (B) 1.6 V (C) −4 V (D) 4 V
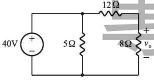
9. 下圖所示的電路中,電壓 vo 的值為下列何者? (A) 4 V (B) 10 V (C) 16 V (D) 20 V
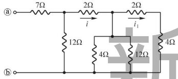
10. 下圖所示之電路,試由ⓐ與ⓑ看進去之等效電阻為下列何者? (A) 4Ω (B) 6Ω (C) 8Ω (D) 10Ω
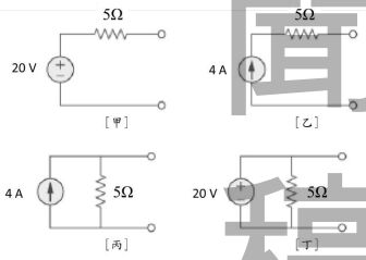
11. 下圖所示,下列哪對電路是等效的? (A) [甲]和[丙] (B) [丙]和[丁] (C) [甲]和[乙] (D) [乙]和[丁]
12. 下圖所示之電路中,電流 i2(t)的值為下列何者? (A) 2A (B) 3A (C) 4A (D) 6A
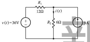
13. 如下圖所示之電路中,流過 R2 電阻上之電流 i(t)的值為? (A) 2A (B) 4A (C) 6A (D) 8A
14. 對於下圖電路,電壓 Vo 的值為? (A) −6 V (B) −5 V (C) −1.2 V (D) −0.2 V
16. 如下圖使用 JK 正反器所組成的同步計數器電路,若輸入端 CP 加 10 kHz 的方波, 則輸出 y4 端的信號頻率為多少? (A) 1 kHz (B) 2 kHz (C) 625 Hz (D) 500 Hz
29. 假設 N 只取整數值,下列哪一項是以下遞迴函數 Fun()的終止條件? (A) N < 5 (B) X ≤ 4 (C) N > 4 (D) N < 4
49. 參考下圖,有關兩個輸入(A,B)的基本邏輯閘 AND(A.B)、OR(A+B)、XOR(A⊕B) 的描述,下列何者正確? (A) 如下圖中,當 S=A、I0=B、I1=時功能與邏輯閘 OR(A+B)相同 (B) 如下圖中,當 S=A、I0=B、I1=1 時功能與邏輯閘 XOR(A⊕B)相同 (C) 如下圖中,當 S=A、I0=0、I1=B 時功能與邏 輯閘 AND(A.B)相同 (D) 如下圖中,當 S=A、I0=B、I1=1 時功能與邏輯閘 AND(A.B)相同