所屬科目:教甄◆電子科/資訊科/電機科/冷凍空調科/控制科/電機空調科
1.某金屬導線之截面積為 2.5cm2,導線中的電子密度為,電子在導線中移動的平均速度 1cm/s,試求該導線的流過電流為多少安培? (A)4.8A (B)3.2A (C)1.6A (D)0.8A
3.如下圖(1)所示之等效電路,則 E 之值為何? (A)4V (B)6V (C)8V (D)10V
4.如下圖(2)所示,當開關 S 切入瞬間,AB 線圈因而感應電動勢,兩端之電位關係為何? (A)A 端電位高於 B 端 (B)B 端電位高於 A 端 (C)A、B 兩端電位相等 (D)電位之高低無法確定
6.有一單相交流電路,電源電壓 v(t)=200sin(300t+30°) V,負載消耗的平均功率為 4kW, 功率因數為 0.8 滯後,若要將電路的功率因數提高至 1.0,則需並聯多少法拉的電容器? (A)125μF (B)250μF (C)500μF (D)1000μF
7.如圖(3)所示電路,負載 A 規格為 100V/200W,負載 B 規格為 100V/100W,若中性線斷路,則結果為何? (A)負載 A 燒毀 (B)負載 B 燒毀 (C)負載 A 功率大於負載 B (D)負載 B 功率大於負載 A
二、 填充題1.如下圖(4)所示之電路,(b)圖為(a)圖之戴維寧等效電路,當負載電阻 RL獲得最大功率轉移時,流過負載電阻之電流=________安培?
2.各電容器電容量與初始電壓,如下圖(5)所示電路,將開關 S 閉合後的穩態=______伏特?
3.如下圖(6)所示,若 L1=8H,L2=5H,互感量 M 為 2H,試求總電感=_______亨利?
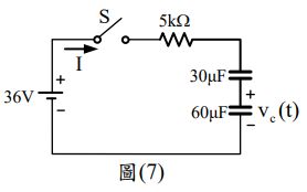
4.如下圖(7)所示,在 t = 0 將開關 S 閉合,試求電容器 60μF 的端電壓方程式 Vc(t)=________伏特?
5.RL 並聯電路,當角速度為 ω 時,總阻抗為,若將角速度改為 2ω 時, 則總阻抗為___________歐姆?
6.如下圖(8)所示之 RLC 串並聯電路,試求該電路發生諧振時之頻率為_________赫芝?
7.如下圖(9)所示之三相電路,電源相序為 ABC,且負載阻抗為=5∠30°Ω ,試求負載側 之 c 相電流 =__________安培?