所屬科目:微處理機
1.關於摩爾定律的敘述,下列何者正確? (A)積體電路的電晶體數量,約每隔18個月增加一倍 (B)積體電路的電晶體數量,約每隔18個月減少一倍 (C)積體電路的電晶體數量,約每隔18個月增加二倍 (D)積體電路的電晶體數量,約每隔18個月減少二倍
2.人工智慧(AI)、物聯網(IoT)再加上第五代行動通訊技術(5G),可以形成智聯網技術(AIoT),下列何者屬於智聯網領域? (A)ChatGPT (B)溫度計 (C)自動駕駛車 (D)Youtube
3.關於唯讀記憶體(ROM)的敘述,下列何者正確? (A)需要刷新 (B)常用於儲存臨時性資料 (C)具有揮發性 (D)斷電後資料仍存在
4.在微電腦系統裡,越接近CPU採用的記憶體規格速度越快,下列何者通常配置於最接近CPU的地方? (A)主記憶體 (B)隨機存取記憶體 (C)快取記憶體 (D)輔助記憶體
5.關於菊鍊式(Daisy-chain)中斷的敘述,下列何者正確? (A)使用非向量式中斷 (B)使用向量式中斷 (C)使用遮罩暫存器 (D)使用優先編碼器
6.關於CPU微運算的敘述,下列何者正確? (A)對暫存器內的數值進行加法,稱為邏輯微運算 (B)對暫存器內的資料進行右移,稱為位移微運算 (C)對暫存器內的資料進行AND運算,稱為算數微運算 (D)對暫存器內的數值進行覆寫,稱為覆寫微運算
7.關於複雜指令集電腦(CISC)的敘述,下列何者正確? (A)指令少於100個 (B)指令長度固定,解碼容易 (C)所有微運算只在暫存器之間進行 (D)提供可直接存取記憶體的指令
8.下列何者為低階程式語言? (A)C語言 (B)機械語言 (C)JAVA語言 (D)Python語言
9.通用串列匯流排(USB)的特點為熱插拔,關於熱插拔的敘述,下列 何者正確? (A)主機不需關機 (B)自動安裝驅動程式 (C)需要先行加熱後,才能使用USB (D)剛開機不能使用,需等待一段暖機
10.傳送7位元資料時,使用奇同位錯誤偵測法(OddParity),下列何 者可確知在傳送中有錯誤發生? (A)10100100 (B)01001111 (C)00011100 (D)10011010
11.從輸入或輸出設備傳輸到記憶體,而不需經過CPU介入處理的資 料傳輸方法為下列何種方法? (A)中斷(Interrupt) (B)輪詢(Pooling) (C)平行(Parallel) (D)直接記憶存取(DMA)
12.關於單指令流多資料流(SingleInstructionMultipleData,SIMD) 的敘述,下列何者正確? (A)一個指令處理一個資料運算 (B)一個控制單元來控制多個處理單元 (C)多個控制單元,同步執行多個指令 (D)多個控制單元,非同步控制多個處理器
13.關於嵌入式系統(EmbeddedSystem)的特色,下列何者正確? (A)具有極大存儲容量 (B)支持大量的終端操作 (C)使用即時作業系統 (D)提供多用戶服務
14.圖(一)是一種單刀雙擲開關的應用電路設計範例,這個設計可以完成下列何種運算功能? (A)全加器 (B)半加器 (C)減法器 (D)反相器
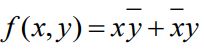
15.函數f(0,0)=1,f(0,1)=0,f(1,0)=0,f(1,1)=0時,f是下列何種基本邏輯閘? (A)NAND (B)XNOR (C)XOR (D)NOR
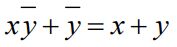
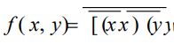
16.邏輯函數 的運算結果,和下列何種邏輯運算的結果相同? (A)AND (B)NOT (C)OR (D)XAND
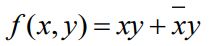
17.根據第摩根定理, 恆等於下列何式? (A) (B)(C) (D)以上皆非
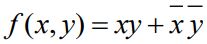
18.下列何者交換等式是相等的? (A) (B) (C) (D)以上皆非
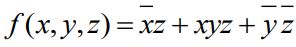
19.下列何者是交換函數 的化簡式? (A) (B) (C) (D)以上皆非
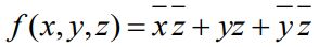
20.下列何者是3個變數交換函數 的化簡式? (A) (B)(C) (D)以上皆非
21.如圖(二)所示,對於3個變數的交換函數 而言,相對應的卡諾圖化簡步驟和結果,下列何者正確? (A)化簡步驟A→消去z得 (B)化簡步驟B→消去xy得 (C)化簡結果→ (D)以上皆是
22.針對0.01102的2補數,下列何者正確? (A)0.10102 (B)1.10102 (C)1.10112 (D)0.10112
23.某十進位數,轉換成八進位數,則為何?(A)24.688(B)24.528(C)24.748(D)24.868(E)無標準答案
24.使用2補數計算01102–01112,下列何者正確? (A)11102 (B)11112 (C)10012 (D)10002
25.若二進碼為1010112,下列何者是轉換成格雷碼後的數碼? (A)0111102 (B)1101102 (C)1111102 (D)1000012
26.如圖(三)所示之組合邏輯電路設計,下列何者正確? (A)多工器 (B)編碼器 (C)減法器 (D)全加器
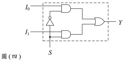
27.如圖(四)所示之組合邏輯電路設計,下列何者正確?(A)多工器 (B)編碼器 (C)解碼器 (D)解多工器
28.為了確保電腦教室中的資料安全,下列哪一項措施是最佳做法? (A)定期更新掃毒軟體和防火牆 (B)共享個人登錄資訊 (C)將重要文件保存在公共電腦上 (D)忽略系統更新和安全警告
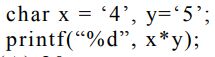
29.下列C程式宣告字元變數x與y,執行x*y結果,何者正確?
(A)20 (B)45 (C)1190 (D)2756
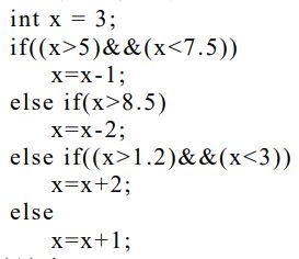
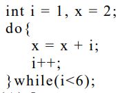
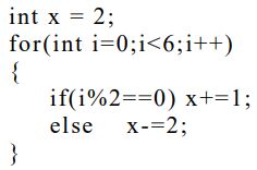
30.下列部分C程式的變數x執行結果,何者正確?
(A)-1 (B)-2 (C)1 (D)2
31.下列部分C程式的變數x執行結果,何者正確?
(A)8 (B)12 (C)17 (D)23
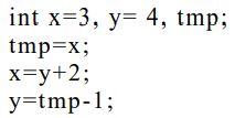
32.下列部分C程式執行結果,何者正確?
(A)x=2,y=3 (B)x=3,y=2 (C)x=3,y=3 (D)x=3,y=1
33.下列部分C程式的變數x執行結果,何者正確?
34.下列變數宣告何者 錯誤 ? (A)student1_ (B)Teacher1 (C)1student (D)_1Teacher
35.下列部分C程式宣告,執行*(p+1)+1後輸出結果為何?
(A)10 (B)11 (C)20 (D)21
36.下列部分C程式執行的變數s執行結果,何者正確?
(A)10 (B)6 (C)3 (D)1
37.下列程式碼中,有關定義一個Student類別的敘述,何者正確?
(A)此類別定義存在四個公有的變數成員 (B)此類別定義存在三個私有的變數成員 (C)此類別定義存在二個公有的變數成員 (D)此類別定義存在一個私有的變數成員
38.下列部分C程式的變數s執行結果,何者正確?
(A)2 (B)4 (C)5 (D)6
39.下列程式執行後,變數x輸出結果,何者正確?
(A)1 (B)2 (C)4 (D)5
40.下列部分C程式的變數x與y的執行結果,何者正確?
(A)x=3,y=4 (B)x=6,y=2 (C)x=2,y=4 (D)x=3,y=6