所屬科目:技檢◆配電線路裝修-丙級
1. 依勞動基準法規定,下列何者屬不定期契約? (A)臨時性或短期性的工作 (B)有繼續性的工作 (C)季節性的工作 (D)特定性的工作。
2. 數個電阻串聯的電路,各電阻兩端所產生的電壓降為 (A)不一定 (B)電阻最大者電壓最高 (C)電阻最小者電壓最高 (D)電阻最大者電壓最低。
3. 分段開關引接線與線路本線連接應採用 (A)絞接 (B)夾接 (C)紮接 (D)壓接。
4. 同一電業電壓不同之線路互相跨越或掛於同一桿塔者,其電壓較高之線路應占 (A)較高 (B)較低 (C)任 何 (D)同高位置。
5. 桿上工作時,墊圈、螺帽等小件物件為方便取用,應放在 (A)工作用腰帶上 (B)線架上 (C)衣服口袋中 (D)橫擔上。
6. 3∮4W 11.4kV 多重接地系統高壓電容器組採用Y接線,其中性點以 (A)電阻接地 (B)直接接地 (C)電 抗接地 (D)不接地 為宜。
7. 活線作業時橡皮工具的傳送以 (A)通索捆綁 (B)直接往上拋 (C)專用帆布袋 (D)任何方式 傳送。
8. 在 5 分鐘內若有 3000 庫侖的電子從導體的一端進入該導體,並有 3000 庫侖的電子從另一端移出, 則導體內的平均電流為多少 A? (A)15 (B)10 (C)20 (D)5。
9. 低壓線縱列裝置之路燈線,應排列在 (A)中性線下方 (B)兩條火線之中間 (C)最上方 (D)最下方。
10. 有一台 100V 直流分激電動機,自電源取入 15A 之電流若其效率為 80%,則總損失 (A)100W (B)400W (C)200W (D)300W。
11. 在噪音防治之對策中,從下列哪一方面著手最為有效? (A)噪音源 (B)偵測儀器 (C)個人防護具 (D)傳播 途徑。
12. 作業場所高頻率噪音較易導致下列何種症狀? (A)聽力損失 (B)肺部疾病 (C)腕道症候群 (D)失眠。
13. 桿上變壓器以單相三線 120/240V 供電時,其中性線得小於相線一級,且宜採用 (A)4 條 (B)2 條 (C)1 條 (D)6 條 相同電線引接至系統中性線上,以增強供電安全。
14. 依據台灣電力公司「地下配電線路施工」,高壓電纜遮蔽層使用銅帶者其彎曲半徑不得小於電纜直 徑之 (A)15 倍 (B)10 倍 (C)12 倍 (D)8 倍。
15. 單相三線 110/220V 線路,相線與中性線之電壓為線間電壓之 (A)1/2 (B)1/5 (C)1/3 (D)1/4。
16. 活線作業時保護頭部的護具是 (A)橡皮線管 (B)安全帽 (C)橡皮手套 (D)橡皮肩套。
17. 高壓開 Y 橫擔式直線與低壓單相三線式直線裝桿,下列敘述何者錯誤? (A)橫擔押裝設於橫擔位置 與橫擔裝桿孔位相距 467mm (B)最上層低壓線架與橫擔押裝桿孔位相距 150mm (C)最上層低壓線架與 橫擔裝桿孔位相距 600mm (D)裝腳礙子與橫擔裝桿孔位相距 810mm。
18. 依據台灣電力公司「架空配電線路施工」,H 型壓接接線環壓接後,與懸垂礙子之距離應為 (A)300~700mm (B)400~800mm (C)200~600mm (D)500~900mm。
19. 細懸浮微粒(PM2 . 5)除了來自於污染源直接排放外,亦可能經由下列哪一種反應產生? (A)光化學反應 (B)厭氧作用 (C)酸鹼中和 (D)光合作用。
20. 依據台灣電力公司「架空配電線路施工」,變壓器領用出庫前須測試絕緣,其一次線圈與二次線圈之 絕緣電阻應為 (A)1,500MΩ 以上 (B)1,000MΩ 以上 (C)2,000MΩ 以上 (D) 500MΩ 以上。
21. 變壓器二次側結線順序,何者為佳? (A)相線結線→中性線結線→ 外殼接地 (B)中性線結線→相線結 線→外殼接地 (C)外殼接地→中性線結線→相線結線 (D)外殼接地→相線結線→中性線結線。
22. 線路跨越河川或長桿距如使用木桿時須以 (A)腹側 (B)筆直側 (C)背側 (D)有木結側 向長桿距側。
23. 活線作業時,手臂須保持在活線之 (A)上方 (B)下方 (C)垂直 (D)平行 活動。
24. 電桿根部漆斑馬線其目的係 (A)美化線路 (B)防止人畜感電 (C)提高人車警覺以防碰撞 (D)防止水泥風化 或木桿腐蝕。
25. 依據「輸配電設備裝置規則」,電桿及其裝置物與最近鐵路軌道之水平間隔應保持多少公尺以上 (A)3.6 (B)4.6 (C)2.6 (D)5.6。
26. 我國已制定能源管理系統標準為 (A)CNS 14001 (B)CNS 12681 (C)CNS 50001 (D)CNS 22000。
27. 下列何者「非」屬公司對於企業社會責任實踐之原則? (A)加強個人資料揭露 (B)維護社會公益 (C)落 實公司治理 (D)發展永續環境。
28. 小轉彎線路裝腳礙子之綁紮,應用 (A)頂溝紮線 (B)邊溝紮線 (C)終端紮線 (D)成型夾條紮線。
29. 拖放電纜作業,使用電纜拉線眼組拉線時,應剝除電纜末端 (A)250 (B)150 (C)100 (D)200 ㎜長度之 外皮並剪除露出之遮蔽銅線俾備供後續作業。
30. 台灣電力公司高壓配電線路雙終端裝置,其支持跳線用之裝腳礙子三只應 (A)一只在電源側二只在負 荷側橫擔 (B)二只在電源側一只在負荷側橫擔 (C)全裝在負荷側橫擔 (D)全裝在電源側橫擔。
31. 安全帶之掛桿帶掛桿斜度,一般工作時以哪一種角度為宜? (A)上斜 5° (B)上斜 15° (C)上斜 10° (D)水 平。
32. 架空配電線路 60°≦θ≦90°之線路角度,其裝置屬於 (A)小角度轉彎 (B)中角度轉彎 (C)大角度轉彎 (D) 單終端桿 裝桿。
33. 下列何者不是能源之類型? (A)熱傳 (B)壓縮空氣 (C)蒸汽 (D)電力。
34. 變壓器二次引接線之線徑選擇與 (A)電感 (B)電阻 (C)容量 (D)頻率 有關。
35. 測定變壓器絕緣電阻,需用 (A)250V (B)1000V (C)750V (D)500V 級高阻計。
36. 下列何者「非」屬於營業秘密? (A)具廣告性質的不動產交易底價 (B)不是公開可查知的客戶名單分 析資料 (C)公司內部管制的各種計畫方案 (D)須授權取得之產品設計或開發流程圖示。
37. 下列何行為不是土壤及地下水污染整治法所指污染行為人之作為? (A)仲介或容許洩漏、棄置、非法 排放或灌注污染物 (B)非法排放或灌注污染物 (C)依法令規定清理污染物 (D)洩漏或棄置污染物。
38. 歐姆定律說明某電路電流的大小與 (A)電阻成正比 (B)電壓成反比 (C)電壓成正比 (D)電壓無關。
39. 拖放電纜作業,為避免拖拉鋼索與拉線眼(夾)之接頭頂住管路口,應使用 (A)電纜引入套管 (B)地 下電纜滑車 (C)電纜引入套管滑車 (D)大型開口滑車。
40. 300MCM AAC 張力處之壓接,應選用 (A)76AH (B)75AH (C)76SH (D)75SH 壓縮鍵壓接。
41. 下列何者為節能標章? (A)(B)(C)(D) 。
42. 依據台灣電力公司三段式時間電價(尖峰、半尖峰及離峰時段)的規定,請問哪個時段電價最便宜? (A)尖峰時段 (B)非夏月半尖峰時段 (C)離峰時段 (D)夏月半尖峰時段。
43. 拖放電纜作業,電纜拉線眼套管套入導體後,在套管壓縮區由內向電纜側以壓縮工具採竹節法壓縮 (A)1 次 (B)4 次 (C)3 次 (D)2 次。
44. 1 個 60 瓦(W)燈泡每天使用 10 小時,30 天總共用電 (A)12 度 (B)20 度 (C)18 度 (D)15 度。
45. 配電線路電容器組之熔絲鏈額定電流,以選用電容器組額定電流之多少百分比為原則 (A)200% (B)135% (C)100% (D)150%。
46. 供電中裝拆活線線夾的常用工具為 (A)肘型端頭操作棒 (B)線夾操作棒 (C)負載切斷操作棒 (D)開關操作 棒。
47. 台灣電力公司「架空配電線路施工」,12m 預力電桿埋入普通土質之深度應為多少公尺? (A)1.7 (B)1.8 (C)1.5 (D)2.0。
48. 二具單相 6.6kV 雙套管桿上變壓器欲採開 Y 燈力併供,高壓側需使用熔絲鏈開關 (A)一具 (B)二具 (C) 四具 (D)三具 保護。
49. 頻率之單位為 (A)吉柏 (B)赫 (C)奧斯特 (D)安匝。
50. 依據台灣電力公司「架空配電線路施工」,施行活線作業時,頭部離活線 _____公尺處,應停止登桿,套上橡皮手套後再登桿。(A)0.8 (B)0.6 (C)1.2 (D)1.0
51. Y 形接法之變壓器,如相電壓為 6.6kV,則線電壓為 (A)13.2kV (B)7.2kV (C)11.4kV (D)6.6kV。
52. 可藉由下列何者改善河川水質且兼具提供動植物良好棲地環境? (A)運動公園 (B)水庫 (C)滯洪池 (D)人 工溼地。
53. 下列有關工作場所安全衛生之敘述何者有誤? (A)事業單位應備置足夠的零食自動販賣機 (B)事業單 位應備置足夠急救藥品及器材 (C)對於勞工從事其身體或衣著有被污染之虞之特殊作業時,應備置該 勞工洗眼、洗澡、漱口、更衣、洗濯等設備 (D)勞工應定期接受健康檢查。
54. 木桿裝釘腳踏釘,左右兩腳腳踏位置所成之角度約在 (A)120°~150° (B)120°~180° (C)60°~90° (D)90° ~120° 之間為宜。
55. 活線掩蔽接線環以使用 (A)橡皮毯 (B)礙子套 (C)橡皮線管 (D)跳線管 最適宜。
56. 依據台灣電力公司「架空配電線路施工」,H 型鋁壓接套管壓接後,套管外側導線之線尾需留 (A)10~20 mm (B)15~25mm (C)25~35mm (D)20~30mm。
57. 利用垃圾焚化廠處理垃圾的最主要優點為何? (A)減少處理後的垃圾體積 (B)減少空氣污染 (C)去除垃 圾中所有毒物 (D)減少處理垃圾的程序。
58. 禁菸場所負責人未於場所入口處設置明顯禁菸標示,要罰該場所負責人多少元? (A)20 萬-100 萬 (B)1 萬-5 萬 (C)2 千-1 萬 (D)1 萬-25 萬。
59. 依據台灣電力公司「架空配電線路施工」,避雷器單獨接地時,其接地電阻應保持在多少歐姆以下 (A)75 (B)25 (C)10 (D)100。
60. 依據台灣電力公司「地下配電線路施工」,A3 人孔應裝釘_____ 支接地銅棒。(A)2 (B)3 (C)1 (D)4
61. 下列何種設備拆修前必須先行短路,以預防危險 (A)比壓器 (B)比流器 (C)變壓器 (D)整流器。
62. 交連 PE 電纜最高連續使用溫度為 (A)130℃ (B)110℃ (C)75℃ (D)90℃。
63. 除受地形限制外,支線仰角應以_____為宜。 (A)75° (B)45° (C)30° (D)60°
64. 12M 之電桿埋入泥地中之深度為多少公尺 (A)1.2 (B)1.8 (C)1.5 (D)2.1。
65. 桿上活線作業掩蔽電桿頂部,最適宜之橡皮工具為 (A)電桿絕緣包毯 (B)橡皮毯 (C)橡皮線管 (D)礙子 套。
66. 依據台灣電力公司「架空配電線路施工」配電器材裝置,下列敘述何者不正確 (A)雙終端桿裝置之拉 線夾板跳線側朝上 (B)單終端桿裝置之拉線夾板跳線側朝上 (C)單橫擔裝於電源側 (D)單頂梢裝於電源 側。
67. #2 交連 PE 風雨線裝腳礙子頂溝紮線,其施作步驟為 (A)紮線由下往上紮 2 匝,在礙子反側重疊交 叉,紮線再由下往上紮 2 匝,二紮線尾互絞 3 回 (B)紮線由下往上紮 2 匝,在礙子反側不重疊交叉, 紮線再由下往上紮 2 匝,二紮線尾互絞 3 回 (C)紮線由上往下紮 2 匝,在礙子反側重疊交叉,紮線再 由下往上紮 2 匝,二紮線尾互絞 3 回 (D)紮線由上往下紮 2 匝,在礙子反側不重疊交叉,紮線再由下 往上紮 2 匝,二紮線尾互絞 3 回。
68. 依據台灣電力公司「架空配電線路施工」,高壓架空交連 PE 風雨線終端施工,拉線夾板兩側裸露部 分之導線處理,先以絕緣膠膏帶 1/2 重疊填繞 1 層,再用自融性膠帶以 1/2 重疊來回各繞紮 (A)3 次 (B)4 次 (C)2 次 (D)1 次。
69. 下列敘述何者正確? (A)在靠北公務員社群網站,覺得可受公評且匿名發文,就可以謾罵公務機關對 特定案件的檢查情形 (B)受公務機關委託辦理案件,除履行採購契約應辦事項外,對於蒐集到的個人 資料,也要遵守相關保護及保密規定 (C)賄賂或不正利益,只限於法定貨幣,給予網路遊戲幣沒有違 法的問題 (D)公務機關委託的代檢(代驗)業者,不是公務員,不會觸犯到刑法的罪責。
70. 使用高空工作車從事活線作業時,每只吊桶以乘載_____人為原則。 (A)4 (B)1 (C)3 (D)2
71. 在定值電阻內通過之電流,其大小與電壓之關係為 (A)成反比 (B)成二次方比 (C)成三次方比 (D)成正 比。
72. 管路跨越箱涵及其前後段部分,倘無法保持規定深度,則均須採用 (A)直埋 (B)溝渠 (C)鋼管 (D)RC 加強。
73. 絕緣物質之電阻常與溫度成 (A)平方反比 (B)平方比 (C)反比 (D)正比。
74. 477MCM 全鋁線高壓裝腳礙子頂溝紮線,應使用 (A)AWG#4 (B)直徑為 2.6 ㎜ (C)AWG#6 (D)直徑為1.27 ㎜ 之鋁紮線綁紮。
75. 手繩繫吊工具袋以採用下列哪一種結為宜 (A)雙套結 (B)木材結 (C)稱人結 (D)單結。
76. 將 2 庫侖之正電荷在 5 秒內由電位 10 伏特處移至 20 伏特處,則需作功 (A)200 焦耳 (B)100 焦耳 (C)10 焦耳 (D)20 焦耳。
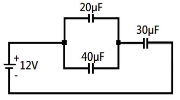
77. 下圖電路中,30μF 電容兩端的電壓為多少伏特
(A)8 (B)6 (C)4 (D)2。
78. 人孔內氣體經測定,其含氧量未達_____以上或存有有害氣體,應即予 以圈圍,警告勿使他人進入。(A)16% (B)20% (C)14% (D)18%
79. 台灣電力公司 3∮4W11.4kV 全伸出裝桿,輕鋼橫擔與其支撐裝置之裝桿孔位相距 (A)600mm (B)750mm (C)900mm (D)450mm。
80. 理論上同一條導線之直流電阻比交流阻抗 (A)大 (B)相等 (C)小 (D)時大時小。