所屬科目:泉勝◆基本電學(上冊)
1. 任一導線的 I 與輸入電壓成正比,與其電阻成反比,此為歐姆定律。 (A)O (B)X
2. 有一導線,其電阻是 3kΩ,輸入電壓 V=9V,其電流為 3A。 (A)O (B)X
3. 有一導線,其電阻是 3Ω,輸入電壓 V=9V,其電流為 3J。 (A)O (B)X
4. 有一導線,其電阻是 3Ω,電流是 2A,則輸入電壓為 6W。 (A)O (B)X
5. 電流的符號是 I,單位是安培,單位符號是 A。 (A)O (B)X
6. 電功率的符號是 P,單位是瓦特,單位符號是 W。(A)O(B)X
7. 有一導線,其電阻是 3Ω,電流是 2A,則其功率是 12V。 (A)O (B)X
8. 有一導線,其電阻是 3kΩ,電流是 2mA,則其功率是 12mW。 (A)O (B)X
9. 有一導線,其電阻是 2Ω,輸入 6V,則其功率是 18W。 (A)O (B)X
10. 有一導線,其電阻是 2kΩ,輸入 2kV,則其功率是 2W。 (A)O (B)X
11. 有一導線,其電流 2mA,輸入 6V,則其功率是 12mW。 (A)O (B)X
12. 有一導線,其電流 2μA,輸入 6MV,則其功率是 12mW。 (A)O (B)X
二、 選擇題
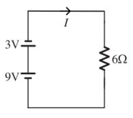
1.如圖所示,若 V = 9V,則 I = ?
(A)1A(B)2A(C)3A(D)6A
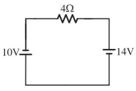
2.如圖所示,若流過電阻的電流 I = 2mA,則 V = ?
(A)1V(B)2V(C)3V (D)6V
3.將一個五環色碼電阻串接直流安培計,再串接於 12.4V 之直流電壓源, 安培計讀值為 20mA,此色碼電阻的色環依序(第一環至第五環)可能為何? (統測 112)(A)藍紅黑棕棕 (B) 藍灰黑金棕 (C) 藍紅黑黑棕 (D) 藍紫黑銀棕
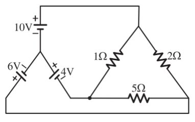
4.電路如圖所示,求流經電阻的電流 I = ?
(A)1A(B)2A(C)3A(D)4A
5.電路如圖,求流經 4Ω 的電流?
(A)2A 順(B)3A 逆(C)6A 順(D)6A 逆
6.電路如圖所示,求 5Ω 電阻電流與方向
(A)2A 左(B)2A 右(C)1A 左 (D)4A 右
7.電路如圖,求 5Ω 電阻電流的大小與方向。
(A)2A 左(B)2A 右(C)1A 左(D)4A 右
8.請計算標示端電壓 200V,功率 40W 的燈泡所流過的電流。(A)0.1A(B)0.2A(C)1A(D)2A
9.請計算標示端電壓 200V,功率 40W 的燈泡的內部電阻 R(A)2Ω(B)20Ω(C)1kΩ(D)2MΩ
10.有一電熱絲的電阻是 50Ω,請問插入 100V 的電源,其功率是多少?(A)200V(B)200A(C)200W(D)200J
11.有一電熱絲的電阻是 50Ω,請問插入 100V 的電源,電流是多少?(A)1V(B)2A(C)3W(D)4J
12.間接加熱型煮飯用電鍋,其單相電源電壓有效值為 110V,煮飯用電熱 線的功率為 800W,保溫用電熱線的功率為 40W,下列敘述何者正確?(統 測 111) (A) 煮飯用電熱線的電阻值大於保溫用電熱線的電阻值 (B) 煮飯用電熱線的電阻值等於保溫用電熱線的電阻值 (C) 煮飯時量測電源電流有效值約為 3.6 A (D) 保溫時量測電源電流有效值約為 0.36 A