所屬科目:泉勝◆基本電學(上冊)
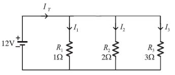
1.以下電路的 I1、I2、I3 都相同。
(A)O(B)X
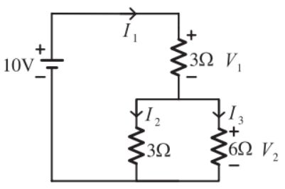
2.以下電路的 、V1、V2、V3都相同。
3.以下電路 ,此稱為克希荷夫電壓定律。
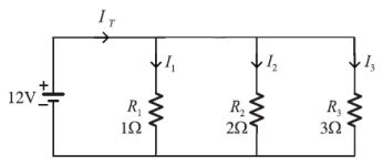
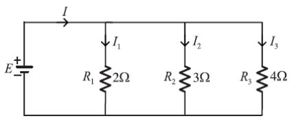
二、選擇題B 1.電路如圖,試求I = ?
(A)1A(B)2A(C)8A(D)3A
2.電路如圖,試求I = ?
3.電路如圖,試求I2= ?
(A)1A(B)2A(C)8A(D)7A
4.電路如圖,試求I1?
(A)10A(B)12A(C)14A(D)15A
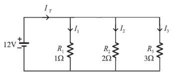
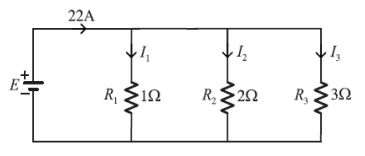
5.電路如圖,試求總電流IT ?
(A)10A(B)22A(C)24A(D)25A
6.電路如圖,試求總電阻RT ?
(A)0.2Ω(B)0.54Ω(C)6Ω(D)3Ω
7.電路如圖,試求R2的功率P2 ?
(A)144W(B)72W(C)48W(D)264W
8.電路如圖,總功率 PT ?
9.電路如圖,試求I = ?
(A)2A(B)3A(C)5A(D)6A
10.電路如圖,試求RT = ?
(A)1Ω(B)1.2Ω(C)1.2kΩ(D)3Ω
11.若將5 個10Ω串聯,外接100V 電源,則總電阻是多少?(A)10Ω(B)20Ω(C)50Ω(D)50kΩ
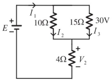
12.若將5 個10Ω串聯,外接100V 電源,總功率是多少?(A)100W(B)200W(C)300W(D)250W
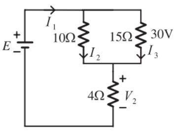
13.若將5 個10Ω並聯,外接100V 電源,則總電阻是多少?(A)1Ω(B)2Ω(C)5Ω(D)5kΩ
14.若將5 個10Ω並聯,外接100V 電源,總功率是多少?(A)1kW(B)2kW(C)3kW(D)5kW
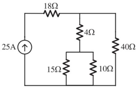
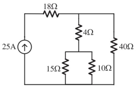
15.電路如圖,求I6 之值?
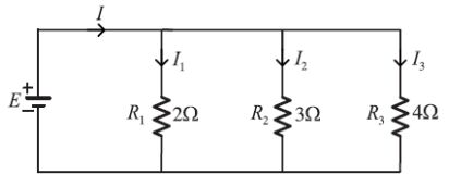
(A)12A(B)3A(C)5A(D)16A
16.如圖所示,電路中之 I 值為多少?
(A) 8A (B) 6A (C) 12A (D) 18A
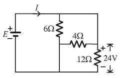
17.如圖所示,電路中之 E 值為多少?
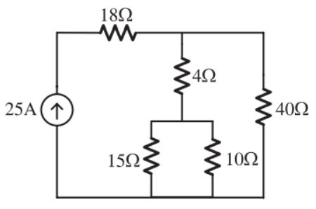
(A) 18V (B) 16V (C) 24V (D) 28V
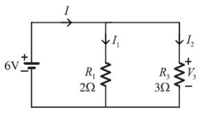
18.電路如圖,試求I1?
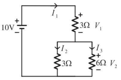
(A)3A (B)2A (C) 1A (D) 4A
19.電路如圖,試求E?
(A) 18V (B) 16V (C) 15V (D) 6V
20.若電路如圖,試求I1?
21.若電路如圖,電源電壓是多少?
(A)10V(B)12V(C)9V(D)8V
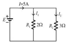
22.電路如圖,若 I1 = 6A,則 I = ?
(A)12A(B)3A(C)5A(D)13A
23.電路如圖,若 I1 = 6A,則 E = ?
24.電路如圖,求 I1
(A)0.67A(B)1.33A(C)2A(D)3.67A
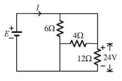
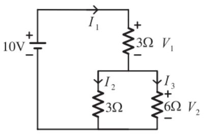
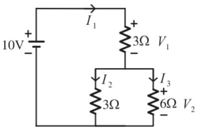
25.電路如圖,求 I2
26.電路如圖,求 V2
(A)4V(B)6V(C)8V(D)10V
27.電路如圖,求
(A)5Ω(B)6Ω(C)7Ω(D)8Ω
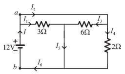
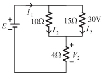
28.電路如圖,求 I1
(A)0.67A(B)1.33A(C)2A(D)5A
29.電路如圖,求 I3
30.電路如圖,求 V2
(A)4V(B)6V(C)8V(D)20V
31.電路如圖,求
(A)5Ω(B)6Ω(C)7Ω(D)10Ω
32.電路如圖,求
(A)5A(B)8A(C)12A(D)20A
33.電路如圖,求
34.電路如圖,求
35.有一電流表內阻為 240Ω,滿刻度可量 10mA:現在若要能量測 50mA,則應如何設計?(A)串聯 60Ω(B)並聯 60Ω(C)串聯 10Ω(D)並聯 10Ω
36.有一電流表內阻為 240Ω,滿刻度可量 10mA:若要測量 250mA,則應如何設計?(A)串聯 60Ω(B)並聯 60Ω(C)串聯 10Ω(D)並聯 10Ω
37.有兩電阻 500Ω/5W 與 100Ω/4W 電阻串聯,求其額定功率 = ?(A)6W(B)8W(C)16W(D)20W
38.有兩電阻 3Ω/12W 與 9Ω/9W 電阻並聯,求其額定功率 = ?(A)6W(B)8W(C)16W(D)20W
39.如圖所示,若已知 R1 = 20Ω,R1 消耗功率為 180W,R2消耗功率為360W,R3 =60Ω,R3消耗功率為 60W,則下列何者正確?(統測 111)
(A) E = 120V,R4 = 60Ω(B) E = 120V,R4 = 30Ω(C) E = 240V,R4 = 60Ω(D) E = 240V,R4 = 30Ω
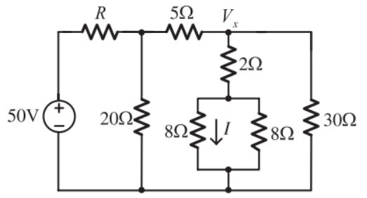
40.如圖所示電路,20Ω 電阻消耗 20W 功率,=?
(A)20W(B)30W(C)40W(D)60W
41.如圖所示電路,20Ω 電阻消耗 20W 功率,=?
(A)4V(B)5V(C)8V(D)10V
42.如圖所示電路,20Ω 電阻消耗 20W 功率,I=?
(A)1A(B)5/6A(C)6/5A(D)3A
43.如圖所示電路,20Ω 電阻消耗 20W 功率,R=?
(A)4Ω(B)10Ω(C)12Ω(D)18Ω
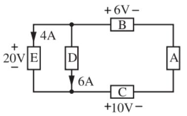
44.如圖所示電路,若 A、B、C、D、E 為理想的電路元件,則下列敘述何者正確?(統測 109)
(A) 元件 A 供應 280W 功率(B) 元件 B 消耗 60W 功率(C) 電路元件總供應功率為 300W(D) 電路元件總消耗功率為 270W