阿摩線上測驗
登入
首頁
>
技檢◆工業配線-乙級
> 114年 - 01300 工業配線 乙級 工作項目 03:可程式控制器(PLC)之應用 51-120(2025/10/09 更新)#132025
114年 - 01300 工業配線 乙級 工作項目 03:可程式控制器(PLC)之應用 51-120(2025/10/09 更新)#132025
科目:
技檢◆工業配線-乙級 |
年份:
114年 |
選擇題數:
70 |
申論題數:
0
試卷資訊
所屬科目:
技檢◆工業配線-乙級
選擇題 (70)
51.
如左圖所示,下列何者為 Y 的輸出? (A)1 (B)0 (C)A (D)
。
52.
如左圖所示,下列何者為 Y 的輸出? (A)1 (B)0 (C)A (D)
。
53.
如左圖所示,下列何者為 Y 的輸出? (A)1 (B)0 (C)A (D)
。
54.
如左圖所示,下列何者為 Y 的輸出? (A)1 (B)0 (C)A (D)
。
55.
如左圖所示,相當於下列何種閘? (A)OR (B)NAND (C)AND(D)NOR 。
56. 在基本邏輯中,下列何種閘為「當所有輸入均為 0 時,輸出才是 1」?(A)AND (B)NAND (C)OR (D)NOR 。
57.
如左圖所示,為下列何種邏輯電路? (A)AND (B)NOR (C)NAND (D)OR 。
58.
如左圖所示,為下列何種邏輯電路? (A)AND (B)OR (C)NAND(D)NOR 。
59. 如下圖所示,當 A≠B 時,Y 輸出為 1;A=B 時,Y 輸出為 0,則此邏輯閘應為
(A)及閘 (B)或閘 (C)互斥或閘 (D)反互斥或閘 。
60. 下列何者為 AND 閘之真值表?(A)
(B)
(C)
(D)
。
61. 下列何者為 NAND 閘之真值表? (A)
(B)
(C)
(D)
。
62.
如左圖所示之邏輯式為 (A)A+B=B+A (B)A‧B=B‧A (C)A‧B=0 (D)A‧B=1 。
63. 如下圖所示之邏輯式為
(A)A+B=B+A (B)A‧B=B‧A (C)
(D)AB=1 。
64. 符號
表示 (A)a 接點 (B)上微分 a 接點 (C)計時器 a 接點 (D)計數器 a 接點 。
65.
如左圖所示是表示何種閘? (A)NOR (B)NAND (C)XOR (D)NOT 。
66. 如下圖所示,其邏輯電路為
(A)
(B)
(C)
(D)無正確答案 。
67. 電磁電驛電路
之邏輯電路符號為 (A)
(B)
(C)
(D)
。
68. 如下圖所示,Y 之邏輯式為
(A)A+B (B)A‧B (C)
(D)
。
69. 如下圖所示之變頻器 V/F 曲線,10~60Hz 之間,V-F 成正比,負載特性為
(A)定馬力 (B)定轉矩 (C)變轉矩 (D)升降負載 。
70. 單片數字指撥開關接腳為 ,此表示方式為
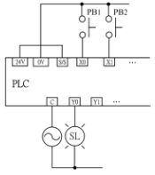
(A)十六進制 (B)二進制 (C)十進制 (D)八進制 。
71. PLC 之微分電路,最低可運用幾只內部輔助電驛來設計? (A)1 只 (B)2只 (C)3 只 (D)4 只 。
72. 下列何種產品不可與人機介面連線? (A)PLC (B)變頻器 (C)溫控器 (D)無通訊傳感器 。
73. PLC 電路使用 2 只計時器(T1 與 T2)作時間延遲,當 T1 設定時間為 20秒,T2 亦設定為 20 秒,則組合此 2 只計時器,其最大延遲時間為 (A)400 秒 (B)40 秒 (C)200 秒 (D)20 秒 。
74. 下列何種記憶體在一般狀況下程式可讀出而無法寫入,記憶體必須插在PROM 燒寫器上才可寫入程式,且程式之清除亦須以紫外線才能清除記憶體內部程式 (A)RAM (B)EPROM (C)ROM (D)EEPROM 。
75. 規劃書寫可程式控制器的軟體程式,目前主流上採用下列何種周邊設備? (A)LCD 程式書寫器 (B)一般個人電腦 (C)LED 程式書寫器 (D)專用CRT 程式書寫器 。
76. 可程式控制器之高速計數輸入模組,通常與下列何項輸入元件連接,以達到精密定位控制之要求? (A)熱電偶 (B)編碼器 (C)液面控制器接點 (D)按鈕開關 。
77. 假如 PB1 是以 a 接點方式與 PLC 輸入元件端子 X1 連接時,圖示 PLC脈波觸發接點控制迴路,在開機啟動後所呈現的控制狀態為
(A)按住PB1 瞬間 Y1 即刻動作並保持 (B)放開 PB1 瞬間 Y1 才動作並保持 (C)按住 PB1,Y1 動作;放開 PB1,Y1 復歸 (D)PLC 開機啟動瞬間 Y1 動作並保持 。
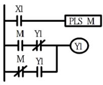
78. 如下圖所示 PLC 電路,當 X1 輸入信號在第一次 ON 及第二次 ON 時,其 Y1 第一次及第二次的輸出狀態結果分別為
(A)Y1 OFF,Y1 OFF (B)Y1 ON,Y1 ON (C)Y1 OFF,Y1 ON (D)Y1 ON,Y1 OFF 。
79. 以 NPN 型感測器配合具有 S/S 接線點之 PLC 使用時,PLC 的 S/S 及輸入共點 COM 之正確接線方式為 (A)S/S 接+24V,COM 接 0V (B)S/S 及COM 均接+24V (C)S/S 及 COM 均接 0V (D)S/S 接 0V,COM 接+24V 。
80. 以 PNP 型感測器配合具有 S/S 接線點之 PLC 使用時,PLC 的 S/S 及輸入共點 COM 之正確接線方式為 (A)S/S 接+24V,COM 接 0V (B)S/S 接0V,COM 接+24V (C)S/S 及 COM 均接+24V (D)S/S 及 COM 均接 0V 。
81. 機電整合技術結合哪些技術而成? (A)電機 (B)電子 (C)機械 (D)控制 。
82. 串列傳輸包含 (A)RS232 (B)RS422 (C)RS485 (D)Ether-Net 。
83. 依通訊協定的定義,下列哪些無法達成人機與物件的連線? (A)畫面顯示 (B)通訊 (C)視訊 (D)按鍵操作 。
84. 構成人機介面的物件包含 (A)硬體 (B)軟體 (C)通訊 (D)資料庫 。
85. 人機介面的模擬包含以下哪些? (A)視訊模擬 (B)離線模擬 (C)虛幻模擬(D)線上模擬 。
86. 一般人機介面的通訊包含 (A)串列通訊 (B)藍芽通訊 (C)網路通訊 (D)4G 通訊 。
87. 人機介面提供排程(Schedule)功能有哪些優點? (A)節省費用 (B)節能減碳 (C)故障排除 (D)便於修改 。
88. 使用人機介面的自動化環境包含 (A)工廠自動化 F.A. (B)樓宇自動化 B.A.(C)家庭自動化 H.A. (D)機械自動化 M.A. 。
89. 目前人機介面能夠做到下列哪些功能? (A)控制 (B)監視 (C)紀錄 (D)操作 。
90. 一般人機介面所使用的作業系統(O.S.)為何? (A)Windows (B)Linux (C)RTOS (D)DataBase 。
91. IEC 61131-3 為工業自動化控制系統,標準化編程語言的國際標準,為PLC 所制定了 5 種標準語言除階梯圖(L.D.)順序功能圖(S.F.C)外,還包含 (A)功能塊圖 (B)指令表 (C)結構文 (D)邏輯圖(L.D.) 。
92. IEC 61131-3 為 PLC 所制定的 5 種標準語言中 (A)有 3 種是圖形化語言(B)有 2 種是文字化語言 (C)圖形化語言有階梯圖、順序功能圖、功能塊圖 (D)文字化語言有指令表和結構文本 。
93. PLC 是由下列哪些組成? (A)中央處理單元(CPU) (B)記憶體 (C)輸入/輸出單元(I/O 單元) (D)電源 。
94. PLC 控制與傳統電驛邏輯控制相比具有下列哪些特點? (A)可靠性高 (B)通用性強 (C)體積小 (D)安裝維護簡便 。
95. PLC 的繼電器輸出模組具有下列哪些特點? (A)價格低 (B)使用電壓範圍廣 (C)壽命短 (D)反應時間較長 。
96. 有關 PLC 在程式執行階段,下列敘述哪些正確? (A)以階梯圖而言由上而下依序掃描 (B)在掃描階梯圖時,按先左後右、先上後下的順序進行邏輯運算 (C)根據邏輯運算的結果,刷新該輸出線圈在 I/O RAM 存儲區中對應位元的狀態 (D)確定是否要執行該階梯圖的功能指令 。
97. 如下列圖示,以 NPN 型感測器配合具有 S/S 接線點之 PLC 使用時,須完成下列哪些選項之連接後,方能使 NPN 型感測器正常動作
(A)
(B)
(C)
(D)
。
98. PLC 在程式執行過程中 (A)只有輸入點在 PLC 內的狀態不會發生變化,而其他輸出點和軟設備在 PLC 的狀態都有可能發生變化 (B)所有在 PLC內的狀態都有可能發生變化 (C)排在階梯圖上面的程式,其執行結果會對排在下面的程式起作用 (D)排在階梯圖下面的程式,其執行結果只能到下一個掃描週期才能對排在其上面的程式起作用 。
99. 可程式控制器輸出模組一般有 (A)繼電器輸出 (B)PNP 電晶體輸出 (C)NPN電晶體輸出 (D)電磁閥輸出 。
100. RS-232C 標準其含蓋內容,下列哪些正確? (A)連接頭的構造 (B)電氣特性 (C)接腳的信號功能 (D)傳送過程 。
101. PLC 是一種工業控制設備,儘管在可靠性方面採取了許多措施,但工作環境對 PLC 影響還是很大,影響 PLC 工作的環境因素主要有 (A)溫度(B)濕度 (C)電磁輻射 (D)粉塵,以及腐蝕性酸鹼等 。
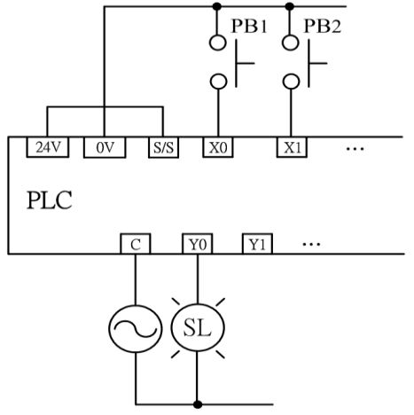
102. 在 PLC 故障處理中,若輸入全部沒有動作(輸入指示燈全滅)其可能原因 (A)未加外部輸入電源 (B)外部輸入電壓低 (C)端子螺絲鬆動 (D)端子板聯接器接觸不良 。
103. 在 PLC 故障處理中,若輸入指示燈呈現不規則的 ON/OFF 現象其可能原因 (A)未加外部輸入電源 (B)外部輸入電壓低 (C)電磁輻射引起的誤動作(D)端子螺絲鬆動或端子板聯接器接觸不良 。
104. 如下列圖示,以 PNP 型感測器配合具有 S/S 接線點之 PLC 使用時,須完成下列哪些選項之連接後,方能使 PNP 型感測器正常動作
(A)
(B)
(C)
(D)
。
105. 在 PLC 故障處理中,若輸出全部無作用其可能原因 (A)未加負載電源 (B)負載電源電壓低 (C)端子螺釘鬆動或 I/O 匯流排接觸不良 (D)端子板聯接器接觸不良 。
106. 在 PLC 故障處理中,若特定編號的輸出繼電器其連接的負載不動作(但該接點輸出指示燈亮)其可能原因為 (A)輸出負載不良 (B)輸出配線斷線或端子螺絲鬆動 (C)繼電器輸出接點不良 (D)未加負載電源 。
107. 在 PLC 故障處理中,若特定編號的輸出繼電器其連接的負載無法關斷(但該接點輸出指示燈滅)其可能原因 (A)輸出負載不良 (B)由於漏電流或殘餘電壓而不能關斷 (C)繼電器輸出接點不良 (D)未加負載電源 。
108. 在 PLC 故障處理中,若輸出出現不規則的 ON/OFF 現象,其可能原因(A)電源電壓低 (B)電磁波干擾引起誤動作 (C)端子螺絲鬆動 (D)端子聯接接觸不良 。
109. PLC 圖形監控技術大致可分為那幾種: (A)通用型的人機界面(HMI<->PLC) (B)實體指示燈與開關組成操作盤 (C)PC/IPC 套裝式人機界面圖控軟體(PC/IPC<->PLC) (D)PC/IPC 自型發展人機界面圖控軟體(PC/IPC<->PLC) 。
110. 如下列圖示,以直流 2 線式近接開關配合具有 S / S 接線點之 PLC 使用時,須完成下列哪些選項之連接後,方能使直流 2 線式近接開關正常動作(直流 2 線式近接開關漏電電流小於 PLC 輸入的 OFF 電流,Sink 模式)
(A)a-c (B)b-c (C)n-d,o-b (D)p-c,q-d 。
111. SFC 架構中,其主要組成元素為何﹖ (A)狀態點(State) (B)動作(Action)(C)轉移條件(Transfer Condition) (D)連接(Link) 。
112. 可程式控制器 PLC 與個人電腦 PC 的主要差異,下列敘述哪些正確?(A)PLC 工作環境要求比 PC 低,PLC 抗干擾能力強 (B)PLC 編程比 PC 簡單易學 (C)PLC 設計調整試驗週期短 (D)PLC 維護比 PC 容易 。
113. PLC 階梯圖中接點可以是 (A)PLC 輸入的接點 (B)PLC 內部輔助繼電器的接點 (C)內部計時器、計數器等的狀態接點 (D)PLC 的輸出接點 。
114. PLC 階梯圖中的接點,下列敘述哪些正確 (A)接點間可以任意串、並聯(B)線圈間只能並聯不能串聯 (C)接點間只能並聯不能串聯 (D)線圈間可以任意串、並聯 。
115. PLC 內部繼電器接點、計數器、計時器等的狀態接點 (A)均可直接控制外部負載, (B)只能供 CPU 內部使用 (C)均不能直接控制外部負載, (D)內部繼電器、計數器可直接控制外部負載,但計時器只能供 CPU 內部使用 。
116. 如下圖所示為 PLC 的輸入/輸出點與外部元件的接線圖,輸入部份:X0接 PB1 按鈕開關 a 接點,X1 接 PB2 按鈕開關 a 接點,輸出部份:Y0接指示燈 SL。當押下 PB1 時,X0 ON,且指示燈 SL 亮,下列選項中哪些符合上述要求
(A)
(B)
(C)
(D)
。
117. PLC 的輸出電路為繼電器輸出時,下列敘述哪些正確? (A)回應時間比較慢(10ms)左右 (B)在要求快速回應的場合不適合使用此種類型的電路輸出形式 (C)回應時間比較快(0.2ms)左右 (D)在要求快速回應的場合適合使用此種類型的電路輸出形式 。
118. PLC 的輸出電路為電晶體輸出時,下列敘述哪些正確 (A)相較於繼電器輸出回應快(一般在 0.2ms 以下) (B)適用於要求快速回應的場合 (C)適合使用於交流、直流外接電源 (D)由於電晶體是無機械觸點,因此比繼電器輸出電路形式的壽命長 。
119. 如下圖所示,操作 PB (押下/放開),下列何種接法能讓 DC24V 繼電器ON/OFF?
(A)3-1,2-5,6-4 (B)4-1,2-6,5-3 (C)3-1,4-5,2-6 (D)1-3-5,2-4-6 。
120. 如下圖所示為 PLC 的輸入 / 輸出點與外部元件的接線圖,輸入部份:X0 接 PB1 按鈕開關 a 接點,X1 接 PB2 按鈕開關 a 接點,輸出部份:Y0 接指示燈 SL。當押下 PB2 時,X1 ON,且指示燈 SL 亮,下列選項中哪些符合上述要求?
(A)
(B)
(C)
(D)
。
申論題 (0)
相關試卷
114年 - 01300 工業配線 乙級 工作項目 05:檢查及故障排除檢修 51-107(2025/10/09 更新)#132030
114年 · #132030
114年 - 01300 工業配線 乙級 工作項目 05:檢查及故障排除檢修 1-50(2025/10/09 更新)#132029
114年 · #132029
114年 - 01300 工業配線 乙級 工作項目 03:可程式控制器(PLC)之應用 1-50(2025/10/09 更新)#132024
114年 · #132024
114年 - 01300 工業配線 乙級 工作項目 02:低壓配電盤及控制盤 101-150(2025/10/09 更新)#132023
114年 · #132023
114年 - 01300 工業配線 乙級 工作項目 02:低壓配電盤及控制盤 51-100(2025/10/09 更新)#132022
114年 · #132022
114年 - 01300 工業配線 乙級 工作項目 02:低壓配電盤及控制盤 1-50(2025/10/09 更新)#132021
114年 · #132021
114年 - 01300 工業配線 乙級 工作項目 01:識圖與繪圖 51-93(2025/10/09 更新)#132020
114年 · #132020
114年 - 01300 工業配線 乙級 工作項目 01:識圖與繪圖 1-50(2025/10/09 更新)#132019
114年 · #132019
113年 - 113-3 全國技術士技能檢定學科_乙級:01300工業配線#123626
113年 · #123626
112年 - 112-3 全國技術士技能檢定學科_乙級:01300工業配線#123435
112年 · #123435