阿摩線上測驗
登入
首頁
>
技檢◆工業配線
> 114年 - 01300 工業配線 乙級 工作項目 04:高壓受配電盤(箱)及控制盤 1-50(2025/10/09 更新)#132026
114年 - 01300 工業配線 乙級 工作項目 04:高壓受配電盤(箱)及控制盤 1-50(2025/10/09 更新)#132026
科目:
技檢◆工業配線 |
年份:
114年 |
選擇題數:
50 |
申論題數:
0
試卷資訊
所屬科目:
技檢◆工業配線
選擇題 (50)
1. 依 CNS 標準,12KV 配電盤之交流耐壓試驗電壓為 (A)12KV (B)16KV (C)28KV (D)36KV 。
2. 保護用比流器,規格中標示 15VA5P20,表示該 CT 在過電流多少倍時其內鐵心不能飽和? (A)5 倍 (B)15 倍 (C)20 倍 (D)25 倍 。
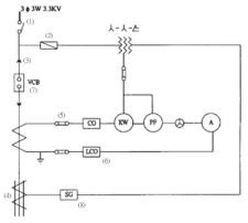
3. 如下圖所示,編號(6)表示
(A)過電流電驛 (B)過電壓電驛 (C)不足電壓電驛 (D)小勢力過電流電驛 。
4. 單相 50KVA、3.3KV/220V 之變壓器,一次側之適當熔絲應為多少安培? (A)5A (B)10A (C)15A (D)30A 。
5. 依 ANSI 標準,13.8KV 配電盤之交流耐電壓試驗電壓為 (A)12KV (B)16KV (C)28KV (D)36KV 。
6. 高壓電纜頭之錐形處理作用在 (A)防止電壓波動 (B)防止電流增加 (C)緩和電場強度 (D)無作用 。
7. 保護變壓器內部故障之電驛為 (A)差動電驛 (B)接地電驛 (C)逆相電驛 (D)距離電驛 。
8. 電纜中封入絕緣油或絕緣用氣體者為 (A)實心電纜 (B)特殊電纜 (C)鋼帶電纜 (D)H 電纜 。
9. H 級絕緣材料包括雲母、石綿、玻璃,其允許最高耐熱溫度為 (A)105℃(B)125℃ (C)180℃ (D)190℃ 。
10. 三相 6.6KV/380V 之變壓器容量為 1500KVA,選用比流器(CT)之一次側電流為多少( A )為宜? (A)100A (B)120A (C)130A (D)200A 。
11. 避雷器接地線截面積不得小於多少(mm2 )? (A)5.5mm
2
(B)8mm
2
(C)14mm
2
(D)22mm
2
。
12. 3E 電驛可保護馬達回路之 (A)過載、短路、欠相 (B)過載、欠相、接地(C)過載、逆相、欠相 (D)接地、過載、短路 。
13. 有一單相 3300/220V 之變壓器,接頭板(tap)置於 3300 之位置,現一次側加壓,二次側只有 190V,欲提高至 220V,接頭板應該改接在 (A)3450 位置 (B)3150 位置 (C)3000 位置 (D)2850 位置 。
14. 為使電纜散熱良好,埋設電纜時,其周圍需填 (A)水泥 (B)土壤 (C)石塊(D)細沙 。
15. 於海拔 1000M 以上的地方,安裝機器應 (A)減低使用電壓 (B)減低使用電流 (C)減低使用電流、電壓 (D)電流、電壓不變 。
16. 在額定電壓時,電力電流通過避雷器之閥元件時,其電阻 (A)很小 (B)很大 (C)不變 (D)微變 。
17. ANSI 是指 (A)中華民國國家標準 (B)美國國家標準 (C)日本國家標準 (D)英國國家標準 。
18. 變壓器浸在油中之目的,在於 (A)提高效率 (B)防止潮濕 (C)為絕緣及冷卻之目的 (D)防止噪音 。
19. 6.6KV 桿上變壓器之一次側分接頭(tap)使用 6300V 時,二次側電壓為110V。欲使二次側電壓接近 100V,一次側分接頭(tap)[V]應為 (A)5700(B)6000 (C)6600 (D)6900 。
20. 穿拉電纜應採用下列何者以減少摩擦? (A)拉夾 (B)拉眼 (C)肥皂水 (D)潤滑劑 。
21. 與零相比流器(ZCT)組合使用之器具為 (A)靜電型檢漏器 (B)差動電驛 (C)過電壓電驛 (D)接地電驛 。
22. 變壓器之激磁電流為下列哪兩種電流之向量和? (A)滿載電流與磁滯電流 (B)鐵損電流與磁化電流 (C)滿載電流與鐵損電流 (D)滿載電流與磁化電流 。
23. 高壓中性線接地系統採用遮蔽體電纜之絕緣基準應選用 (A)85% (B)100%(C)133% (D)173% 。
24. 斷路器之額定短時間耐電流,比其額定啟斷電流 (A)大 (B)小 (C)依負載大小而定 (D)相同 。
25. 地下高電壓電纜埋設深度不得少於多少公分? (A)40 (B)60 (C)80 (D)100 。
26. 300MCM 之全鋁線之截面積約為 (A)100mm
2
(B)150mm
2
(C)200mm
2
(D)300mm
2
。
27. 22KV 線路直埋電纜之最小埋設深度為 (A)160mm (B)460mm (C)760mm (D)960mm 。
28. 使用兩個單相變壓器連接成 V 連接,以供應額定輸出為 20KW 之三相感應電動機,此時最適當之一個變壓器容量(KVA)為 (A)10 (B)15 (C)20(D)30 。
29. 垂直固定之電纜端末處理纏繞膠布時,最外層應由 (A)由上往下 (B)由下往上 (C)無任何限制 (D)由中央往上下 方向纏以防止水份及塵埃侵入。
30. 不適於啟動高壓負載電流之器具為 (A)油開關 (B)油斷路器 (C)隔離開關(D)真空斷路器 。
31. 高壓電纜金屬遮蔽體之感應電壓為防止交流電蝕及人員安全計,應限制於 (A)15V (B)20V (C)25V (D)30V 。
32. 通常在高壓受電設備中用較多的保護電驛是 (A)過電流電驛 (B)過電壓電驛 (C)差動比率電驛 (D)欠電壓電驛 。
33. 設一三相 6.6KV 之電源當負載為 1000KW 時,其主配電盤之電流計附屬之 CT 選用何者較適當? (A)100/5A (B)200/5A (C)150/5A (D)250/5A 。
34. 高壓以上用戶,合計設備容量一次額定電流超過多少安培,其受電配電盤原則上應裝有電流表及電壓表? (A)30A (B)40A (C)50A (D)60A 。
35. 電力熔絲的缺點是 (A)無法隔離電源 (B)當其熔絲熔斷後,不能自動復閉(C)不可在屋外使用 (D)更換不易 。
36. 下列何項為變壓器必須考慮極性的時機? (A)單相變壓器作屋外使用時(B)單相變壓器作屋內使用時 (C)單相變壓器三相結線時 (D)單相變壓器做降壓使用時 。
37. 22.8KV 高壓電纜 BIL 測試值為多少 KV? (A)95 (B)110 (C)125 (D)150 。
38. 匝比(N
1
/N
2
)為 a 之三相變壓器,若接線為△一Y,一次側線電壓為V1,則二次側線電壓為 (A)aV
1
(B)V
1
/a (C)
aV
1
(D)
V
1
/a 。
39. 高壓電纜被覆遮蔽銅帶或同心中性線之主要目的為 (A)加強電纜扯斷強度 (B)保護電纜不為外物所傷 (C)保護絕緣體外緣之零電位 (D)增加耐受壓力 。
40. 檢查配電盤內之配線應特別注意接地線的線徑和顏色,一般而言接地線應使用 (A)紅色 (B)白色 (C)藍色 (D)綠色 。
41. 三相四線式 11.4KV 多重接地系統中,配電線路所選用之避雷器額定電壓應為 (A)6KV (B)9KV (C)12KV (D)16KV 。
42. 高壓電纜在人孔內之彎曲補償為電纜直徑之 (A)8 倍 (B)10 倍 (C)12 倍 (D)14 倍 。
43. 無半導體層之電纜為 (A)PE 電纜 (B)PEX 電纜 (C)交連 PE 電纜 (D)低壓電纜 。
44. 變壓器之外殼標示 12-10 代表 (A)電壓-容量 (B)一次電壓-二次電壓 (C)容量-電壓 (D)二次電壓-一次電壓 。
45. 瓦特計倒轉時 (A)PT 回路隨便兩條線對調 (B)CT 回路隨便兩條線對調 (C)CT 及 PT 之相序、極性檢查後正確改接 (D)瓦特計不良應更換 。
46. 變壓器之一次電壓為 V
1
,一次線圈匝數為 N
1
,變壓器之二次電壓 V
2
,二次匝數為 N
2
,下列答案中何者為正確? (A)
(B)
(C)
(D)
。
47. 配電電壓提高一倍時,則線路之功率損失為原來的 (A)2 倍 (B)1/4 倍 (C)4倍 (D)1/2 倍 。
48. 6600V 受電之自備電器設備,在受電地點計算所得之三相短路故障容量為 70MVA 時,裝設於此之受電用斷路器,應選定之最小額定啟斷電流(KA)為 (A)2 (B)4 (C)8 (D)12.5 。
49. 選擇性接地電驛應配合 (A)CT 與 GPT (B)ZCT 與 GPT (C)ZCT 與 PT (D)CT與 PT 。
50. 配電盤控制電路所用之 600V PVC 電線中,2.0mm
2
與 3.5mm
2
之容許電流為 (A)2mm
2
:20A、3.5mm
2
:30A (B)2mm
2
:40A、3.5mm
2
:55A (C)2mm
2
:45A、3.5mm
2
:60A (D)2mm
2
:30A、3.5mm
2
:45A 。
申論題 (0)
相關試卷
114年 - 01300 工業配線 乙級 工作項目 04:高壓受配電盤(箱)及控制盤 101-138(2025/10/09 更新)#132028
114年 · #132028
114年 - 01300 工業配線 乙級 工作項目 04:高壓受配電盤(箱)及控制盤 51-100(2025/10/09 更新)#132027
114年 · #132027
114年 - 01300 工業配線 甲級 工作項目 01:高壓配電盤(箱)及控制盤裝置 151-188(2025/10/09 更新)#132010
114年 · #132010
114年 - 01300 工業配線 甲級 工作項目 01:高壓配電盤(箱)及控制盤裝置 101-150(2025/10/09 更新)#132009
114年 · #132009
114年 - 01300 工業配線 甲級 工作項目 01:高壓配電盤(箱)及控制盤裝置 51-100(2025/10/09 更新)#132008
114年 · #132008
114年 - 01300 工業配線 甲級 工作項目 01:高壓配電盤(箱)及控制盤裝置 1-50(2025/10/09 更新)#132007
114年 · #132007
111年 - 01300 工業配線 丙級 工作項目 01:識圖與繪圖#107250
111年 · #107250
109年 - 109 全國高級中等學校學生技藝競賽考試_工業類:工業配線#138579
109年 · #138579
108年 - 108 全國高級中等學校學生技藝競賽考試_工業類:工業配線#138725
108年 · #138725
103年 - 103中央造幣-工業配線#93835
103年 · #93835