所屬科目:技檢◆工業儀器-乙級
(A)驅動部為正動作 (B)閥本體為正栓 (C)控制閥整體動作為逆動作 (D)空氣壓力作動為 Air-to-Close 。
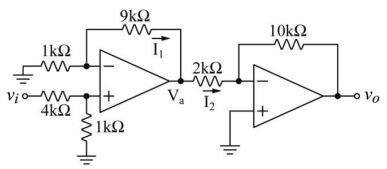
(A) (B)Va=0.4V (C)I2=0.2mA (D)I1=-0.04mA 。
(A)驅動部為正動作 (B)控制閥整體動作為正動作 (C)閥本體為正栓 (D)空氣壓力作動為 Air-to-Open 。