所屬科目:技檢◆門窗木工-甲級
(A)餘隙配合 (B)游動配合 (C)緊度配合 (D)無關配合 。
(A)重要尺寸 (B)次要尺寸 (C)未按比例之尺寸(D)檢驗尺寸 。
(A) (B) (C) (D)。
(A)(B)(C)(D)。
(A)門框厚度 (B)薄片厚度 (C)鑲板厚度 (D)榫頭厚度 。
(A)玻璃 (B)木理方向 (C)薄片 (D)夾板 。
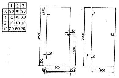
(A)750 (B)780 (C)800 (D)50 。
(A)2000 (B)250 (C)500 (D)1750 。
(A)1050 (B)300 (C)250 (D)1750 。
(A)板的中心位置 (B)五金裝配位置 (C)木心板的橫斷面(D)木心板的縱斷面 。
(A)板面不加工 (B)貼面材橫斷面 (C)貼面材縱斷面 (D)板面不砂光 的符號。
(A)實木材 (B)木心板 (C)纖維板 (D)粒片板 。
(A)光胚面 (B)粗削面 (C)細削面 (D)精削面 。
(A)不定向砂光 (B)與木理垂直方向砂光 (C)以交叉兩方向砂光 (D)順木材纖維方向砂光 。
(A)旋轉式門 (B)迥轉式門 (C)擺動式門(D)旋提式門 。
(A)翻轉式窗 (B)滑動式窗 (C)摺壘式窗(D)開天式窗 。
(A)60×150×45 (B)150×60×45 (C)45×60×150 (D)60×45×150 。
(A)迴轉式窗 (B)翻轉式窗 (C)開天式窗 (D)滑動式窗 。