阿摩線上測驗
登入
首頁
>
技檢◆配電線路裝修-丙級
> 114年 - 04000 配電線路裝修 丙級 工作項目 01:電工常識 101-135(2025/10/27 更新)#132605
114年 - 04000 配電線路裝修 丙級 工作項目 01:電工常識 101-135(2025/10/27 更新)#132605
科目:
技檢◆配電線路裝修-丙級 |
年份:
114年 |
選擇題數:
35 |
申論題數:
0
試卷資訊
所屬科目:
技檢◆配電線路裝修-丙級
選擇題 (35)
101. 單相三線 110/220V 供電,若負載不平衡時,則負載較小之端電壓 (A)較低(B)較高 (C)不變 (D)時高時低 。
102. 在相同條件下,電壓愈高則線路損失 (A)愈大 (B)愈小 (C)不變 (D)時大時小 。
103. 在相同條件下,220V 供電較 110V 供電之電壓降 (A)較大 (B)較小 (C)不變 (D)時大時小 。
104. 電力系統最經濟的供電方式為 (A)單相 (B)二相 (C)三相 (D)任何相數 。
105. 配電線路損失多數由電線之_______所產生。 (A)電阻 (B)電抗 (C)電容 (D)電感
106. 線路功率因數多少時,其有效電力與視在電力為相等 (A)0.5 (B)0.7 (C)0.9 (D)1 。
107. 一帶有 4 庫侖電量之電荷,自 a 點移至 b 點,所作之功為 16 焦耳,則 a、b 二點間之電位差為多少伏特? (A)4 (B)12 (C)30 (D)64 。
108. 1 安培電流是指每秒鐘通過 (A)1 庫侖電荷量 (B)1 焦耳電荷量 (C)1 爾格電荷量 (D)1 電子電荷量 。
109. 某線圈每分鐘通過 1.2 庫侖的電量,則線圈電流為多少安培? (A)0.02 (B)0.2 (C)2 (D)20 。
110. 有一 5 馬力之電動機額定運轉 20 分鐘,其消耗之電能約為多少仟焦耳?(A)100 (B)746 (C)4476 (D)6000 。
111. 在 5 分鐘內若有 3000 庫侖的電子從導體的一端進入該導體,並有 3000 庫侖的電子從另一端移出,則導體內的平均電流為多少 A? (A)5 (B)10 (C)15(D)20 。
112. 將 5 庫侖電荷,在 10 秒內由電位-10V 處移到 40V 處,則平均功率為多少 W? (A)15 (B)25 (C)150 (D)250 。
113. 1kW 約等於多少馬力? (A)0.75 (B)1 (C)1.34 (D)1.5 。
114. 1 馬力馬達等於多少 W? (A)764 (B)746 (C)647 (D)674 。
115. 將 2 庫侖之正電荷在 5 秒內由電位 10 伏特處移至 20 伏特處,則需作功 (A)10 焦耳 (B)20 焦耳 (C)100 焦耳 (D)200 焦耳 。
116. 將 2 庫侖之正電荷在 5 秒內由電位 10 伏特處移至 20 伏特處之功率為 (A)4瓦特 (B)10 瓦特 (C)25 瓦特 (D)50 瓦特 。
117. 有一台 2Hp 電動機,其效率為 80%,則其輸入電功率為 (A)746W (B)1500W(C)1865W (D)2000W 。
118. 一直流馬達輸出功率為 2HP,效率為 88%,則輸入功率約為 (A)1.50 kW (B)1.70kW (C)1.90kW (D)2.0kW 。
119. 某一系統的能量轉換效率為 80%,若損失功率是 400 瓦特,則該系統輸出功率為 (A)3200 瓦特 (B)2000 瓦特 (C)1600 瓦特 (D)500 瓦特 。
120. 1 個 60 瓦(W)燈泡每天使用 10 小時,30 天總共用電 (A)20 度 (B)18 度 (C)15 度 (D)12 度 。
121. 一電池以定電壓 1.5V 供電 9mA10 小時,此電池所提供之能量為 (A)135 焦耳 (B)486 焦耳 (C)1350 焦耳 (D)8100 焦耳 。
122. 抽水馬達輸入的電壓和電流為 110V 和 8A,若其效率為 0.85,該馬達輸出功率約為 (A)0.75 馬力 (B)1 馬力 (C)1.25 馬力 (D)2 馬力 。
123. 某導線上之電流為 3A,則在 10 分鐘內流過該導體之電量為 (A)30 庫侖 (B)300 庫侖 (C)900 庫侖 (D)1800 庫侖 。
124. 一馬達之效率為 80%,在 220 伏特電源中,測得輸入電流為 8 安培,則其輸出約為 (A)1.41 馬力 (B)1.89 馬力 (C)2.20 馬力 (D)3.63 馬力 。
125. 一圓形導線直徑為 1/2 密爾,則截面積為多少圓密爾? (A)1/4 圓密爾 (B)1/2圓密爾 (C)(1/4)π圓密爾 (D)1/(4π)圓密爾 。
126. 如下圖電路中,a b 兩點之電壓為
(A)110V (B)120V (C)220V (D)240V 。
127. 如下圖電路中,流過 3Ω電阻之電流為
(A)4A (B)7A (C)8A (D)16A 。
128. 下圖電路中,兩個電容 C
1
=100μF 及 C
2
= 200μF 串聯,測得電容 C
1
兩端電壓為 10V,則電源電壓 E 為多少 V?
(A)30 (B)25 (C)20 (D)15 。
129. 有一電熱器連續使用半小時,共耗電 3 度,則此電熱器電功率為多少 kW(A)8 (B)2 (C)4 (D)6 。
130. 某電路如下圖,流過 2Ω電阻的電流為多少安培 ?
(A)0 (B)10 (C)20 (D)30 。
131. 下圖電路中,流過 12Ω電阻的電流為多少安培
(A)0 (B)10 (C)20 (D)30 。
132. 下圖電路中,兩個電容,C
1
= 12μF、C
2
= 24μF 串聯,外加電壓 24V,則 C
1
、C
2
各帶多少電量
(A)192μC、192μC (B)864μC、864μCF (C)192μC、864μC (D)864μC、192μC 。
133. 下圖電路中,30μF 電容兩端的電壓為多少伏特
(A)2 (B)4 (C)6 (D)8 。
134. 下圖電路中,40μF 電容儲存的電量為多少微庫侖
(A)80 (B)120 (C)160 (D)200 。
135. 下圖電路中,到達穩態時,電流 I 為多少安培
(A)2 (B)3 (C)4 (D)5 。
申論題 (0)
相關試卷
114年 - 04000 配電線路裝修 丙級 工作項目 07:活線作業 51-73(2025/10/27 更新)#132615
114年 · #132615
114年 - 04000 配電線路裝修 丙級 工作項目 07:活線作業 1-50(2025/10/27 更新)#132614
114年 · #132614
114年 - 04000 配電線路裝修 丙級 工作項目 06:地下配電施工 1-70(2025/10/27 更新)#132613
114年 · #132613
114年 - 04000 配電線路裝修 丙級 工作項目 05:配電設備 101-132(2025/10/27 更新)#132612
114年 · #132612
114年 - 04000 配電線路裝修 丙級 工作項目 05:配電設備 51-100(2025/10/27 更新)#132611
114年 · #132611
114年 - 04000 配電線路裝修 丙級 工作項目 05:配電設備 1-50(2025/10/27 更新)#132610
114年 · #132610
114年 - 04000 配電線路裝修 丙級 工作項目 04:架線 1-70(2025/10/27 更新)#132609
114年 · #132609
114年 - 04000 配電線路裝修 丙級 工作項目 03:裝桿 1-64(2025/10/27 更新)#132608
114年 · #132608
114年 - 04000 配電線路裝修 丙級 工作項目 02:基本技能 51-73(2025/10/27 更新)#132607
114年 · #132607
114年 - 04000 配電線路裝修 丙級 工作項目 02:基本技能 1-50(2025/10/27 更新)#132606
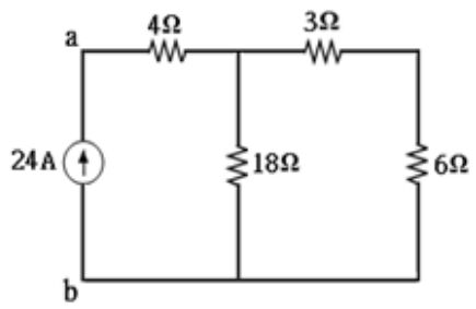
114年 · #132606