所屬科目:捷運◆電子概論
1.具有穩壓作用的二極體稱為?(A)變容二極體(VaractorDiode)(B)隧道二極體(TunnelDiode)(C)稽納二極體(ZenerDiode)(D)肖特基二極體(SchottkyDiode)。
2.在N型半導體中,多數載子(MajorityCarrier)為何?(A)負離子(B)電子(C)中子(D)電洞。
3.使用交流電壓表測量交流電源的電壓,若其指示為220V,則該值為?(A)瞬間值(B)平均值(C)峰值(D)有效值。
4.稽納(Zener)二極體主要工作於?(A)逆向截止區(B)順向崩潰區(C)逆向崩潰區(D)順向導通區。
5.雙極性接面電晶體(BJT),已知射極接面(B-E接面)為逆向偏壓,集極接面(B-C接面)為順向偏壓,則此電晶體處於?(A)截止區(B)飽和區(C)順向主動區(D)反向主動區。
6.共射極放大器輸入信號與輸出信號各位於何極之間?(A)B−C,C−E(B)B−E,C−E(C)B−E,C−B(D)C−B,C−E。
7.有關場效電晶體(FET)的導電載子敘述,下列何者正確?(A)它是負離子單載子元件(B)它是電子單載子元件(C)它是電洞及電子雙載子元件(D)是電洞或電子載子視通道而定。
8.下列與電相關的敘述,何者 錯誤 ?(A)使電荷移動而做功之動力稱為電動勢(B)1度電相當於1千瓦之電功率(C)導體中電子流動方向是傳統電流的反方向(D)同性電荷相斥、異性電荷相吸。
9.以下有關場效電晶體(FET)之敘述,何者 有誤 ?(A)場效電晶體(FET)只有多數載子移動(B)輸入阻抗極高(C)場效電晶體(FET)屬於電流控制元件(D)場效電晶體(FET)適合用在積體電路設計。
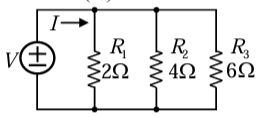
10.如下圖所示之電路,R1、R2、R3所消耗之功率比值依序為何?(A)1:2:3(B)6:3:2(C)1:4:9(D)3:2:1。
11.已知N通道增強型MOSFET之臨界電壓Vt=2V,若給定端的電壓為4V、VD端的電壓為5V、端的電壓為1V,則此情況下操作區域為?(A)歐姆區(B)夾止區(C)截止區(D)崩潰區。
12.理想OPA作為放大器使用時,應外加何種電路?(A)穩壓電路(B)箝位電路(C)負回授電路(D)正回授電路。
13.若要將小信號的電壓及電流都放大,可採用下列何種放大電路?(A)雙極性接面電晶體的共射極放大電路(B)雙極性接面電晶體的共集極放大電路(C)場效電晶體的共集極放大電路(D)場效電晶體的共射極放大電路。
14.下列關於一般雙極性接面電晶體之敘述,何者正確?(A)集極摻雜濃度最高且寬度最窄(B)集極摻雜濃度最低且寬度最寬(C)射極摻雜濃度最低且寬度最窄(D)射極摻雜濃度最低且寬度最寬。
15.下列敘述何者 有誤 ?(A)金屬表面曲率半徑越大,則電荷分佈較多(B)金屬導體內部電荷為零(C)冬天脫毛衣發出聲響是靜電放電的結果(D)一帶有靜電的導體靠近一未帶電的導體,則此導體會感應出相反靜電荷。
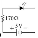
16.有一發光二極體之順向導通電壓為1.7V,導通電流為10mA,欲使其正常發光,則下列哪一個電路是正確的?(A)(B)(C)(D)
17.下列何種放大器具備電流放大,但是 不具 電壓放大?(A)共基極電路(B)共射極電路(C)共源極電路(D)共集極電路。
18.以下有關正回授電路的特性,何者正確?(A)降低雜訊干擾(B)產生週期性信號(C)增加系統穩定度(D)增加系統頻寬。
19.增強型MOSFET之物理結構參數k與通道寬度W與長度L關係為?(A)kαWL(B)(C)(D)。
20.如圖稽納(Zener)穩壓電路,若Vs=15V、R=2KΩ、=3KΩ、稽納二極體的逆向崩潰電壓=5V,試求輸出電壓Vo=?(A)3V(B)5V(C)6V(D)10V。
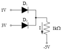
21.如下圖所示電路,若D1、D2皆具理想特性,且順向導通時壓降及電阻皆可忽略不計,試求流經電阻1kΩ之電流I為?(A)8mA(B)6mA(C)4mA(D)2mA。
22.如下圖所示電路,Vo之值為多少?(A)1.8V(B)3.6V(C)5.0V(D)20V。
23.如圖所示之電路,電晶體工作於順向主動區,β=99,射極交流電阻re=20Ω,若此放大電路之電壓增益=200,則約為何值?(A)13.6kΩ(B)6.8KΩ(C)4.1kΩ(D)2.2kΩ。
24.一額定為220V、4000W之電熱器線,將線長度剪去1/5後,接到110V電源,則其消耗功率為何?(A)4000W(B)2000W(C)1250W(D)800W。
25.下列敘述何者 錯誤 ?(A)電荷的單位:庫倫(B)電功率的單位:焦耳(C)電阻的單位:歐姆(D)能量的單位:電子伏特。
26.螺管線圈之電感量與?(A)導線直徑成正比(B)通過之電流成正比(C)所加電壓成正比(D)線圈匝數平方成正比。
27.如圖所示之理想運算放大器電路,其電壓增益最接近以下哪個數值?(A)–1010(B)–20(C)–2(D)–1。
28.有關理想電壓隨耦器之特性,下列何者 錯誤 ?(A)輸出阻抗等於零(B)輸入阻抗無窮大(C)電流增益接近1(D)電壓增益接近1。
29.有關雙極性接面電晶體(BJT)射極(E)、基極(B)、集極(C)特性之敘述,下列何者正確?(A)摻雜濃度比:E>B>C(B)摻雜濃度比:B>E>C(C)寬度:E>B>C(D)寬度:B>E>C。
30.下列何者 不是 磁通(Φ)的單位?(A)韋伯(B)高斯(C)線(D)馬克士威。
31.一單位磁極在磁場內某點所受之力,稱為該點之?(A)磁場強度(B)電場強度(C)電通密度(D)磁通密度。
32.1個電子的荷電量為多少庫侖?(A)庫侖(B)庫侖(C)庫侖(D)庫侖。
33.每1秒鐘流過1庫侖的電量,稱為?(A)1安培(B)1庫侖(C)1瓦特(D)1伏特。
34.有一RLC串聯電路接於正弦波電壓源,已知電源頻率為60Hz、R=5Ω、=0.4Ω、=10Ω。當此電路發生諧振時,其諧振頻率為何?(A)400HZ(B)300HZ(C)200HZ(D)100HZ。
35.下列敘述何者 錯誤 ?(A)原子中最外層軌道的電子為價電子(B)原子失去電子成為正離子(C)一個電子帶電量為-1.602×10^-19庫倫(D)原子量=質子數+電子數。
36.若兩帶電量相等之金屬球相距2公尺,期間之斥力為6N,將其中一顆電量變為原本的3倍,距離變為原本1/2倍,試問期間之斥力變為多少?(A)72N(B)90N(C)60N(D)180N。
37.有一200匝的線圈,當1安培的電流通過時,產生4×10^-4韋伯的磁通,則線圈的自感是?(A)0.02亨利(B)0.04亨利(C)0.08亨利(D)0.16亨利。
38.兩磁極在真空中之作用力為4牛頓,若改置於另介質A中其作用力變為2牛頓,則A之相對導磁係數為?(A)1/4(B)1/2(C)2(D)4。
39.某工作在夾止區的N通道JFET電晶體,直流工作點之閘源極電壓=-2V,汲極電流=3mA時,互導=3mA/V。若直流閘源極電壓變動至0V時,則其對應的互導為何?(A)2mA/V(B)4mA/V(C)6mA/V(D)8mA/V。
40.影響導體電阻大小的因素,除了導體長度及截面積外,尚有那些因素?(A)溫度及電導係(B)電壓及電導係數(C)材料及電流(D)溫度及電流。
41.克希荷夫電壓定律表示,封閉迴路中的電壓升與該迴路電壓降之和為?(A)1(B)0(C)無限大(D)任意值。
42.示波器的校正輸出一般輸出波形為?(A)正弦波(B)三角波(C)脈衝波(D)方波。
43.運算放大器的內部主要結構中的輸入級為?(A)射極隨耦器(B)差動放大器(C)達寧頓放大器(D)電壓隨耦器。
44.某一電路對於各種不同頻率的訊號,做不同的倍數放大,而引起的失真現象,稱為?(A)頻率失真(B)相位失真(C)波幅失真(D)交互調變失真。
45.P-N二極體產生障壁電壓的原因,下列何者正確?(A)P型半導體自然產生(B)N型半導體自然產生(C)加偏壓後自然產生(D)P-N結合時自然產生。
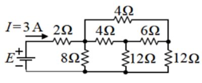
46.如下圖所示之電路,試求電源電壓E為何?(A)9V(B)12V(C)15V(D)18V。
47.如下圖所示之電路為?(A)指數放大器(B)對數放大器(C)積分電路(D)微分電路。
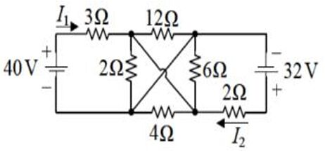
48.如下圖所示電路,試求電流I1、I2各為多少?(A)I1=2A,I2=-2A(B)I1=4A,I2=2A(C)I1=6A,I2=5A(D)I1=8A,I2=8A。
49.如下圖所示,則a、b二端看入之戴維寧等效電阻為何?(A)6Ω(B)4Ω(C)2Ω(D)1Ω。
50.下列整流電路,何者可得全波整流輸出?(A)A與B(B)A與D(C)B與C(D)C與D。