所屬科目:教甄◆電子科/資訊科/電機科/冷凍空調科/控制科/電機空調科
1.最早將聲音轉換成電子訊號的是(A)庫侖 (B)貝爾 (C)摩斯 (D)愛迪生
2.觀察一放大器之頻率響應,常加哪種基本波形(A)正弦波 (B)方波 (C)脈波 (D)鋸齒波
3.在 BJT 電路直流分析中,電晶體的 β = 100,若基極電流=0.8 mA,而量得的集極電流 =60mA,則此電晶體的工作區為何? (A) 稽納崩潰區 (B) 截止區 (C) 主動區 (D) 飽和區
4.有關半導體材料,下列敘述何者正確? (A) 半導體因電位差產生載子移動而形成擴散電流 (B) 外質半導體 中電洞與自由電子的載子濃度相同 T (C) P 型矽半導體是由本質矽半導體摻雜 ( doping ) 三價元素而成 (D) N 型半導體多數載子為自由電子,少數載子為電洞,帶負電位
5.漣波百分率愈大,代表(A)濾波效果愈好 (B)濾波效果愈差 (C)整流效果愈好 (D)整流效果愈差
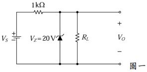
6.如圖一所示電路,稽納二極體 (Zener diode) 之崩潰電壓 Vz = 20 V,最大額定功率 320 mW,且其逆向最 小工作電流 (崩潰膝點電流) = 2 mA。若忽略稽納電阻,在 = 2 kΩ 且正常工作時 Vo 要維持 20 V, 則電壓源Vs之最小值及最大值分別為何?(A) 32 V、46 V (B) 34 V、46 V (C) 32 V、50 V (D) 34 V、58 V
二、 填充題1.將 9V 之直流電壓源串接於一個五環色碼電阻,若此色碼電阻的色環由第一環至第五環顏色依序為「棕 黑 黑 棕 棕」,則該電阻可能消耗的最大功率約為何?___________
2.將電力公司所提供 AC110V/60Hz 的交流電源經過半波整流後,電壓的平均值約為多少? ___________
3.一半波整流電路所輸出的電壓峰值為 80V,試問其輸出有效值(RMS)為何? ___________
4.由三個放大電路串接而成的串級放大器,其各級電壓增益分別為 +10 dB、+20 dB 及 +30 dB,則總電壓增益 為多少倍?__________
5.在橋式整流電路中,二極體之逆向峰值電壓(PIV)為輸出峰值的__________ 倍
6.一放大器之輸出功率為 10W,則其 dBm 為?___________