所屬科目:技檢◆儀表電子-乙級
(A)A+B (B)A⊕B (C)AB (D) 。
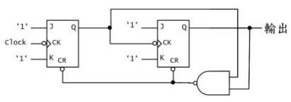
(A)f/4 (B)f/3 (C)f/2 (D)f 。
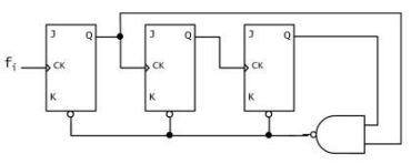
(A)除以 8 的同步計數器 (B)除以 5 的同步計數器 (C)除以 8 的非同步計數器 (D)除以 5 的非同步計數器 。
(A)R-S (B)J-K (C)T (D)D 。
(A)20kHz (B)10kHz (C)40kHz (D)5kHz 。
(A)B=0,C=0,D=0 (B)B=0,C=1,D=0 (C)B=1,C=0,D=0 (D)B=1,C=1,D=0 。
(A)需用 2 個正反器設計此計數器電路 (B)當 x=0 時,計數順序為 00→01→10→11→00.. (C)當 x=1 時,計數順序為 00→01→10→11→00.. (D)當計數到 01 時,不管 x=0 或 1,下一狀態均為 10 。
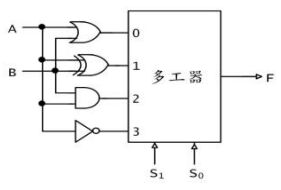
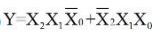
(A)當 X2X1X0=011時,Y=1 (B)當 X2X1X0=110 時,Y=1 (C) (D) 。
(A)圖(a)為 AND 閘(B)圖(b)為 OR 閘 (C)圖(c)為 XOR 閘 (D)圖(d)為 NOR 閘 。