所屬科目:技檢◆電力電子-甲級
(A)1.33 (B)2.66(C)4.5 (D)7 。
(A)2.5 (B)3.18 (C)5(D)7.07 。
(A)3 (B)4 (C)5(D)6 。
(A)4 (B)2.4 (C)2(D)0 。
(A)6 (B)7.2 (C)8 (D)-8 。
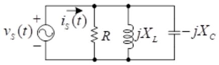
(A)2.5+j2.5 (B)5-j5 (C)5+j5 (D)2.5-j2.5 。
(A)0.5 (B)20 (C)200 (D)2000 。
(A)6 (B)4 (C)2 (D)5 。
(A)1 (B) (C)2 (D)4 。
(A)1 (B)√2 (C)2 (D)4 。
(A)0.5 (B)1.33 (C)2 (D)4 。
(A)0.67 (B)1.33 (C)2(D)4 。
(A)8A (B)10 A (C)20A (D)42 A 。
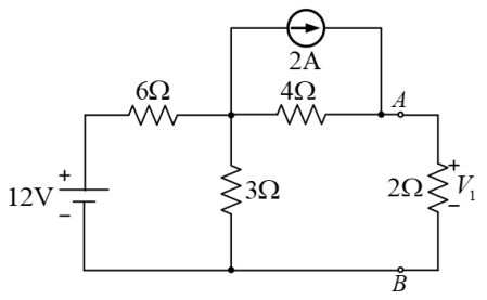
(A)V1=3V (B)V1=6V (C)=3Ω (D)=6Ω 。
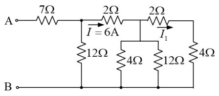
(A)=9Ω (B)=8Ω (C)=5.558A (D)=5.556A 。
(A)R=15Ω (B)R=14Ω (C)=375W (D)=400W 。
(A)=3.8W (B)=3.6W (C)=4.8A (D)=4.2A 。
(A)=8Ω (B)=10Ω (C)I1=2A (D)I1=1A 。
(A)V1=7V (B)V1=6V (C)V2=3V(D)V2=4V 。
(A)I1=5A (B)I1=4A (C)I2=3A (D)I2=2A 。