所屬科目:技檢◆數位電子-甲級
(A)可防止頻率失真 (B)實際頻率比螢光幕上頻率大 10 倍 (C)可降低輸入阻抗 (D)可提高負載效應 。
(A)5V (B)7V (C)10V (D)20V 。
(A)無誤差 (B)Rw (C)2Rw (D)4Rw 。
(A)±0.3Ω (B)±0.27Ω (C)±0.2Ω (D)±0.135Ω 。
(A)R1 斷路 (B)R2 斷路 (C)R4 斷路 (D)R2 短路 。
(A)±0.1mV (B)±0.3mV (C)±0.5mV (D)±0.7mV 。
(A)1μs (B)2μs (C)3μs (D)4μs 。
(A)1.5V (B)2.0V (C)2.5V (D)3.0V 。
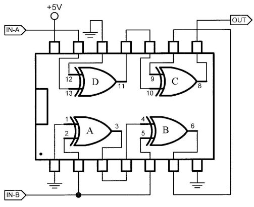
(A)ITEM-A (B)ITEM-B (C)ITEM-C (D)ITEM-D 。
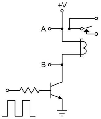
(A)BE 短路 (B)CE 短路 (C)CE 斷路 (D)BE 斷路 。
(A)0dB (B)1dB (C)5dB (D)10dB 。
(A)電阻器 (B)電容器 (C)順向二極體(D)反向二極體 。
(A)DC 30V 檔量測+B 電壓 (B)DC 3V 檔量測電晶體基極電壓 (C)DC 3V 檔量測電晶體射極電壓 (D)DC 30V 檔量測 A 點電壓 。
(A)R3=1000 (B)R3=800 (C)R3=400 (D)R3=200 。
(A)20kΩ/V (B)10kΩ/V (C)50kΩ/V (D)100kΩ/V 。
(A) (B)(C) (D) 。
(A)週期性方波 (B)三角波 (C)單一方波 (D)正弦波 。