阿摩線上測驗
登入
首頁
>
技檢◆數位電子-甲級
> 114年 - 11700 數位電子 甲級 工作項目 05:電子學與電子電路 1-50(2025/12/12 更新)#134858
114年 - 11700 數位電子 甲級 工作項目 05:電子學與電子電路 1-50(2025/12/12 更新)#134858
科目:
技檢◆數位電子-甲級 |
年份:
114年 |
選擇題數:
50 |
申論題數:
0
試卷資訊
所屬科目:
技檢◆數位電子-甲級
選擇題 (50)
1. 加在一電路上之電壓為 e=110sin(ωt+30°)伏特,通過之電流為 i=5sin(ωt+60°)安培,則其平均功率為 (A)275 瓦特 (B)238 瓦特 (C)389 瓦特 (D)550瓦特 。
2. 下圖之電路,電池 E1 和 E2 同時輸出功率,R1 消耗之功率為 1000W,R2 消耗之功率為 500W,試求 R3 所消耗之功率為
(A)800W (B)900W (C)1000W (D)1100W 。
3. 下圖之電路,其 6Ω電阻兩端的戴維寧等效電壓為
(A)24V (B)30V (C)34V(D)54V 。
4. 下圖之電路,其電流 I 為多少安培?
(A)10/3 (B)-10/3 (C)5/6 (D)-5/6 。
5. 電阻為 330Ω之電熱器,接上 110V 電源,浸入 600 克 20℃之水中,盛水容器每秒散熱 0.8 卡,須加熱多久才能使水之溫度升至 100℃? (A)6000 秒 (B)3288 秒 (C)1337 秒 (D)313 秒 。
6. 下圖之電路,當電容器充滿後,其電容器儲存電荷為
(A)100 微庫倫 (B)80微庫倫 (C)60 微庫倫 (D)50 微庫倫 。
7. 某電源在其兩端接 100KΩ電阻負載時,供給 10mA 電流,若將負載改為500KΩ電阻時,電流降為 9mA,求電流源及其並聯內電阻的大小 (A)10.3mA 及 3.5MΩ (B)10.9mA 及 5.5MΩ (C)15.3mA 及 5.5MΩ (D)18.3mA及 5.5MΩ 。
8. 有一交流電 i(t)=Imcosωt 流經 L 享利之電感器,則該電感器二端之電壓值應為 (A)V(t)=ωLImcosωt (B)V(t)=-ωLImcosωt (C)V(t)=ωLImsinωt(D)V(t)=-ωLImsinωt 。
9. 一只 400μF 的電容器,若以 10mA 定值電流充電至儲存 0.5 焦耳的能量為止,在充電後電容器之端電壓為 (A)20V (B)30V (C)40V (D)50V 。
10. 某動線圈型電流表,其內阻為 50Ω,滿刻度電流為 5mA,當改裝為 1A及 5A 之安培表時,應並聯之電阻以Ω計,分別約為 (A)0.05Ω,0.25Ω(B)0.04Ω,0.2Ω (C)0.25Ω,0.05Ω (D)0.06Ω,0.3Ω 。
11. 有一電流,其最大值為 10A,週期為 0.01 秒,若波形因數為 1.11,波峰因數為 1.414,則其通過一電阻(其值為 100Ω),經過 30 分鐘後所消耗的電能量為 (A)5 度 (B)2.5 度 (C)1 度 (D)0.5 度 。
12. 下圖之電路,其電流 I 之值為
(A)0.4A (B)0.6A (C)0.8A (D)1.0A 。
13. 下圖之 A、B 兩端之間的等效電阻為多少?(圖中電阻的單位均為Ω)
(A)12Ω (B)6Ω (C)3Ω (D)1.5Ω 。
14. 下圖之 A、B 兩端之間的等效電阻為多少?(圖中電阻的單位均為Ω)
(A)
(B)
(C)
(D)
。
15. 下圖所示,若理想電壓放大器之 Av=0.9 時,則輸入電阻 Ri 為多少?(圖中電阻的單位均為Ω)
(A)10KΩ (B)45KΩ (C)50KΩ (D)100KΩ 。
16. 下圖之電路,流經 1KΩ之電流值為多少?(圖中電阻的單位均為Ω)
(A)2/3mA (B)1mA (C)1/3mA (D)0mA 。
17. 佛來銘右手定則中,大拇指代表 (A)電流 (B)磁場 (C)感應電動勢 (D)導體 的運動方向。
18. 下圖之電路,當開關 S 為 ON 經過幾秒後,則 A 點的電壓將成為6.32V?
(A)0.01 秒 (B)0.02 秒 (C)0.2 秒 (D)0.8 秒 。
19. 一線圈匝數為 50,與線圈連繫的通量變率 dψ/dt 為 0.085 韋伯/秒,所以線圈兩端的感應電動勢為 (A)4.25V (B)5.25V (C)6.25V (D)7.25V 。
20. 有一 5H(亨利)的電感器,其電流的變動率為 0.5 安培/秒,則感應電壓為 (A)1.0V (B)2.2V (C)2.5V (D)10.0V 。
21. 下圖所示,若互感 M
12
=0.1H,M
23
=0.2H,M
31
=0.3H,求總電感為
(A)0.4H (B)0.8H (C)1.2H (D)1.5H 。
22. 有關電場與磁場之敘述,下列何者錯誤? (A)電場與磁場同屬於超距力 (B)單位電荷所受之靜電力稱為電場強度 (C)電力線由正電荷出發,進入負電荷,再由負電荷回到正電荷,形成一閉合環路 (D)電力線愈密,則電場強度愈強 。
23. 下圖之電路中,開關切到 A 點,且時間經過 1 秒後,求此時電容電流值與電容所儲存能量分別是
(A)20mA,0.01 焦耳 (B)20mA,0.02 焦耳 (C)0mA,0.01 焦耳 (D)0mA,0.001 焦耳 。
24. 有一交流電源其電壓相角 0°,電流超前電壓 60°,頻率 300Hz,電流有效值 120A,求電流之方程式為 (A)i=120sin(377t+60°) (B)i=170cos(377t+60°)(C)i=120sin(1885t+60°) (D)i=170sin(1885t+60°) 。
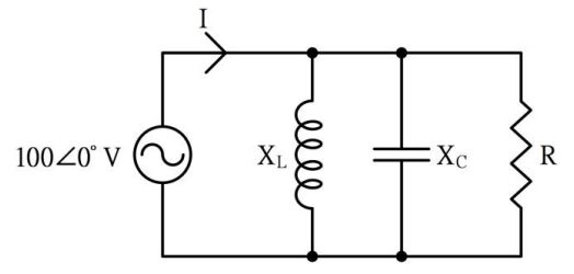
25. 下圖之電路,R=X
L
=X
C
=10Ω,則總電流 I 為何?
(A)10A (B)14.14A (C)100A (D)141.4A 。
26. 某一單相交流電為 220V,60Hz 之負載消耗 12KW,功率因數為 0.6 落後,現在欲改善功率因數為 1.0 時,應裝多少 KVAR 的電容器? (A)8 (B)10 (C)12 (D)16 。
27. 下圖之交流電路,其電源供給之平均功率為多少瓦特?
(A)600W (B)800W(C)1000W (D)1200W 。
28. RLC 串聯電路中,R=2Ω,L=2mH,C=0.2μF,此電路之諧振頻率與品質因數分別是 (A)(100/4π)KHz,25 (B)(125/4π)KHz,25 (C)(125/4π)KHz,50 (D)(100/4π)KHz,50 。
29. 有關諧振電路的敘述,下列何者錯誤? (A)品質因數愈大,則頻帶寬度愈窄 (B)串聯諧振時,總阻抗最小 (C)諧振的條件是電感與電容的無效功率相等 (D)並聯諧振時,總電流最大 。
30. 下圖之電路,試求 A、B 兩端之等效電阻 R
T
為
(A)6Ω (B)7Ω (C)8Ω (D)10Ω 。
31. 下圖之電路,試求 6Ω電阻上的電壓 V 為
(A)4V (B)6V (C)8V (D)12V 。
32. 下圖之電路,求出 10Ω上的電流 I 為
(A)0.67A (B)1.67A (C)2.5A (D)3A 。
33. 試求下圖之電路中,40V 電源所供應之電流及功率為
(A)1A,80W (B)2A,60W (C)5A,80W (D)5A,200W 。
34. 下圖之電路,有一 6V 之電源電壓,內阻為 0.1Ω,跨接於 A、D 兩端上,求此電路吸收最大功率之 R 值,並求其電源吸收的最大功率為
(A)0.1Ω,90W (B)1Ω,40W (C)2Ω,50W (D)5Ω,60W 。
35. 下圖為一交流電橋,當電橋平衡時,己知 R
1
=2Ω,R
2
=100Ω,R
3
=40Ω,C
S
=20μF,試求 R
X
及 L
X
(A)8Ω,20H (B)200Ω,8H (C)250Ω,0.08H (D)2000Ω,0.08H 。
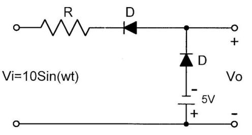
36. 下圖電路的輸出波形是哪一個?(假設圖中二極體為理想二極體)
(A)
(B)
(C)
(D)
。
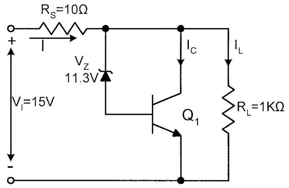
37. 下圖之電路,Q
1
為矽電晶體,若限流電阻 R
S
=10Ω,則流過 R
S
上的總電流 I 等於
(A)0.3A (B)30mA (C)0.37A (D)37mA 。
38. 下圖為一放大器的等效電路,則電壓增益 Vo/Vi=
(A)(AvRi)/(Ri+Rs) (B)(AvRo)/(Ro+R
L
) (C)(AvR
L
)/(Ro+R
L
) (D)(AvRs)/(Ro+Ri) 。
39. 下圖之電路,V
o
值為
(A)6V (B)3V (C)-6V (D)-3V 。
40. 下圖之電路,輸出波形為 V
o
(A)正弦波 (B)三角波 (C)方波 (D)鋸齒波 。
41. 下圖之 Q
1
(JFET)之作用為
(A)定電壓 (B)降壓 (C)溫度補償 (D)定電流 。
42. 有關增強型金氧半場效電晶體的特性,下列何者錯誤? (A)用 P 型材料做基體,再擴散出兩個材料做汲(D)極及源極(S),這種場效電晶體稱為 P 通道場效電晶體 (B)閘極與基體、汲極或源極絕緣 (C)當 V
GS
=0V 時I
D
=0 (D)輸入阻抗比接合型場效電晶體為高 。
43. 下圖為單穩態電路,則其時間常數約為
(A)0.1 秒 (B)0.5 秒 (C)1.1 秒 (D)11秒 。
44. 下列電路何者為正回授? (A)樞密特觸發電路 (B)共基極放大電路 (C)共射極放大電路 (D)共集極放大電路 。
45. 下列何者不能直接用於產生鋸齒波形? (A)積分電路 (B)低通濾波器 (C)高通濾波器 (D)定電流源電路 。
46. 有一電源供應器,在未接負載時,其電壓為 30V,若加上 20Ω的負載後,其電壓降為 25V,則其電壓調整率為 (A)25% (B)20% (C)17% (D)6% 。
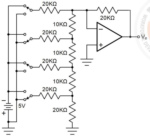
47. 下圖之電路,運算放大器工作在線性狀態,其輸出電壓應為
(A)7.65V (B)6.25V (C)4.75V (D)3.25V 。
48. 下圖為理想運算放大器組成的電路,若輸入信號 V
S
為振幅±6Vp 的正弦波,則 V
O
的波形為
(A)正弦波 (B)方波 (C)三角波 (D)鋸齒波 。
49. 下圖所示,有一理想電壓放大器,其電壓放大倍數 Av=0.8 時,則 Ri 為
(A)4KΩ (B)5KΩ (C)12.5KΩ (D)50KΩ 。
50. 有一電晶體在不使用散熱片時,其集極接合至空氣之熱阻抗為θ
JA
=40℃/W,且集極接合之最高容許溫度 T
J
=110℃,則此電晶體在室溫 25℃下可消耗之最大功率為 (A)2.7W (B)2.1W (C)1.7W (D)1.1W 。
申論題 (0)
相關試卷
114年 - 11700 數位電子 甲級 工作項目 10:嵌入式系統 1-57(2025/12/12 更新)#134868
114年 · #134868
114年 - 11700 數位電子 甲級 工作項目 09:網路技術與應用 51-72(2025/12/12 更新)#134867
114年 · #134867
114年 - 11700 數位電子 甲級 工作項目 09:網路技術與應用 1-50(2025/12/12 更新)#134866
114年 · #134866
114年 - 11700 數位電子 甲級 工作項目 08:程式語言 51-89(2025/12/12 更新)#134865
114年 · #134865
114年 - 11700 數位電子 甲級 工作項目 08:程式語言 1-50(2025/12/12 更新)#134864
114年 · #134864
114年 - 11700 數位電子 甲級 工作項目 07:電腦與周邊設備 1-48(2025/12/12 更新)#134863
114年 · #134863
114年 - 11700 數位電子 甲級 工作項目 06:數位系統設計 51-103(2025/12/12 更新)#134862
114年 · #134862
114年 - 11700 數位電子 甲級 工作項目 06:數位系統設計 1-50(2025/12/12 更新)#134861
114年 · #134861
114年 - 11700 數位電子 甲級 工作項目 05:電子學與電子電路 101-145(2025/12/12 更新)#134860
114年 · #134860
114年 - 11700 數位電子 甲級 工作項目 05:電子學與電子電路 51-100(2025/12/12 更新)#134859
114年 · #134859