阿摩線上測驗
登入
首頁
>
技檢◆電腦硬體裝修-乙級
> 114年 - 12000 電腦硬體裝修 乙級 工作項目 05:裝修及控制應用 51-100(2025/12/16 更新)#134981
114年 - 12000 電腦硬體裝修 乙級 工作項目 05:裝修及控制應用 51-100(2025/12/16 更新)#134981
科目:
技檢◆電腦硬體裝修-乙級 |
年份:
114年 |
選擇題數:
50 |
申論題數:
0
試卷資訊
所屬科目:
技檢◆電腦硬體裝修-乙級
選擇題 (50)
51. 常用之 EPROM IC 27512 為一只 64Kx8 的唯讀記憶體,它有幾條資料線與位址線? (A)8 條位址線,8 條資料線 (B)8 條位址線,12 條資料線 (C)12條位址線,8 條資料線 (D)16 條位址線,8 條資料線 。
52. 在 R-L-C 串聯諧振電路中,下列何者錯誤? (A)有效功率值最大 (B)總電抗等於 0 (C)電流值最大 (D)阻抗值最大 。
53. 下列何種記憶體,於電腦開機情況下可改變其內容,關機後其內容卻不會消失? (A)MASK ROM (B)PROM (C)EPROM (D)Flash ROM 。
54. 能以電性方式(加反向電壓)抹除儲存資料之唯讀記憶體,其英文簡稱為(A)ROM (B)EEPROM (C)DRAM (D)SRAM 。
55. 在 R-L-C 串聯電路中,當 X
C
>X
L
時,則電路呈現何種特性 (A)電阻性 (B)電感性 (C)電容性 (D)無法比較 。
56. 唯讀記憶體 EPROM 中,"E"所代表的中文意義為 (A)可燒錄 (B)可抹除 (C)可程式化 (D)可記憶 。
57. 下列有關電腦記憶體之敘述,何者錯誤? (A)關機後,RAM 的內容會消失 (B)輔助記憶體可補主記憶體之不足 (C)ROM 所儲存之資料可自由讀取(D)主記憶體含 RAM 與 ROM 。
58. 在陶瓷電容的數碼標示中,字母 K 表示其誤差值為下列何者? (A)±5%(B)±10% (C)±20% (D)±30% 。
59. 52 倍速之 CDROM 其讀取速度約為 (A)2600 (B)5200 (C)7800 (D)10000KBytes。
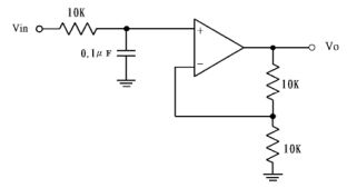
60. 有關下圖電路的敘述,下列哪一個是正確的?
(A)這是一個共集極放大電路 (B)B 點的直流電壓為+4.8V (C)集極電流 Ic 約為 1.76mA (D)從 Vin 到Vo 的電壓放大率約為 48 。
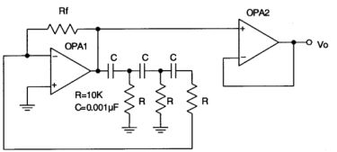
61. 下圖為一個 RC 相移振盪器,設 C 均為 0.001μF,R 均為 10KΩ,其 Rf的值應該為多少才能符合振盪的要求?
(A)100KΩ (B)290KΩ (C)360KΩ(D)470KΩ 。
62. 在開環路增益等於 1 時的頻率稱為 (A)上臨界頻率 (B)截止頻率 (C)帶止頻率 (D)單位增益頻率 。
63. 下圖電路的臨界頻率(fc)為
(A)0.159Hz (B)15.9Hz (C)159Hz (D)1.59KHz 。
64. 下圖濾波器的頻率下降率為:
(A)-3dB/decade (B)-10dB/decade (C)-15dB/decade (D)-20dB/decade 。
65. 有一帶通濾波器,其高頻部份臨界頻率 f
c2
為 100KHz,低頻部份臨界頻率 f
c1
為 64KHz,則其中央頻率(fo)為 (A)36KHz (B)72KHz (C)80KHz (D)90KHz 。
66. 有一帶通濾波器的中央頻率(f
o
)為 100KHz,而知其頻帶寬度(BW)為10KHz,則此帶通濾波器的品質因數(Q)為 (A)0.1 (B)10 (C)20 (D)100 。
67. OPA 抵補電壓的作用是 (A)將輸入誤差電壓歸零 (B)將輸出誤差電壓歸零(C)降低增益防止失真 (D)等化輸入訊號 。
68. OTA(Operational Transconductance Amplifiers)基本上是一種 (A)電壓對電壓的放大器 (B)電壓轉成電流的放大器 (C)電流轉成電壓的放大器 (D)電流對電流的放大器 。
69. 放大器的頻寬由下列何者決定? (A)臨界頻率 (B)輸入電容器 (C)中段範圍之電壓增益 (D)下降率 。
70. 若有一個燈泡被 3 安培的電流流過 1 分鐘,則表示有多少庫倫的電量流經該燈泡? (A)1/20 (B)1/3 (C)3 (D)180 。
71. 將 1 個 100 瓦的燈泡連續點亮 1 整天,則此燈泡共消耗多少瓩-小時的能量? (A)0.1 (B)2.4 (C)100 (D)2400 。
72. 在 1 個封閉的迴路中,只串聯 1 個 6 伏特(V)的電池及 2 毆姆的電阻,則此迴路中的電流為多少安培? (A)1/3 (B)3 (C)12 (D)18 。
73. 在一個封閉的迴路中,若要使 3 個電容器的電量相等,則此 3 個電容器的接法為何? (A)全部串聯 (B)全部並聯 (C)先串聯 2 個後再並聯 (D)先並聯2 個後再串聯 。
74. 在一個封閉的迴路中,若要使 3 個電容器二端的電壓相等,則此 3 個電容器的接法為何? (A)全部串聯 (B)全部並聯 (C)先串聯 2 個後再並聯 (D)先並聯 2 個後再串聯 。
75. 將 2 個 1 微法拉的電容器並聯後之總電容量為多少微法拉? (A)1/2 (B)1(C)2 (D)4 。
76. 將 n 個電阻串聯,則其等效電阻等於個別電阻的下列何者運算關係? (A)和 (B)差 (C)積 (D)商 。
77. 下列有關示波器電路的敘述中,何者是錯誤的? (A)CRT 是陰極射線管的簡稱 (B)垂直放大電路是屬於 Y 軸電路 (C)CHOP 和 ALT 電路是屬於 Z 軸電路 (D)CHOP 適用於低頻測試,ALT 適用於高頻測試 。
78. 矽材質的 PN 二極體在完全導通時,其兩端的導通電壓約為下列何者?(A)0.3V (B)0.7V (C)3V (D)7V 。
79. 下列何者不是二極體所能達成的功能? (A)整流 (B)檢波 (C)箝位 (D)電壓放大 。
80. 橋式整流電路需要多少個整流二極體? (A)1 (B)2 (C)3 (D)4 。
81. 在橋式整流電路中,輸出電壓之有效值(Vrms)約為下列何者? (A)0.318Vm(最大值) (B)0.5 Vm(最大值) (C)0.636 Vm(最大值) (D)0.707 Vm(最大值) 。
82. 在橋式整流電路中,輸出電壓之脈動直流頻率為電源頻率的多少倍? (A)相同 (B)2 倍 (C)3 倍 (D)4 倍 。
83. 下列元件中,哪一個是主動元件? (A)電容 (B)電晶體 (C)電阻 (D)電感 。
84. 在電晶體電路中,下列哪一種偏壓電路受β值改變的影響最大? (A)分壓式偏壓 (B)集極回授偏壓 (C)基極偏壓 (D)射極回授偏壓 。
85. TTL 數位 IC 的 74154,是下列何種解多工器? (A)2 TO 4 (B)3 TO 8 (C)4TO 16 (D)5 TO 32 。
86. 在電晶體放大電路中,下列哪一種組態的電壓增益最小? (A)共基極 (B)共射極 (C)共集極 (D)無法比較 。
87. 在電晶體放大電路中,下列哪一種組態的電流增益最大? (A)共基極 (B)共射極 (C)共集極 (D)無法比較 。
88. 在電晶體放大電路中,下列哪一種組態的輸入阻抗最大? (A)共基極 (B)共射極 (C)共集極 (D)無法比較 。
89. 在電晶體放大電路中,下列哪一種組態的輸出相位與輸入相位相反? (A)共基極 (B)共射極 (C)共集極 (D)無法比較 。
90. 理想的運算放大器,其電壓增益為下列何者? (A)0 (B)1 (C)2 (D)無窮大 。
91. 理想的運算放大器,其輸入阻抗為下列何者? (A)0 (B)1 (C)2 (D)無窮大 。
92. 理想的運算放大器,其頻帶寬度為下列何者? (A)0 (B)1 (C)2 (D)無窮大 。
93. 理想的運算放大器,其共模拒斥比(CMRR)為下列何者? (A)0 (B)1 (C)2 (D)無窮大 。
94. 理想的運算放大器,其輸出阻抗為下列何者? (A)0 (B)1 (C)2 (D)無窮大 。
95. 理想的運算放大器,其輸入抵補電壓為下列何者? (A)0 (B)1 (C)2 (D)無窮大 。
96. 在數位邏輯中,若所有輸入皆為 1 時,輸出才是 1,則為下列何種邏輯閘? (A)或閘(OR Gate) (B)及閘(AND Gate) (C)反及閘(NAND Gate) (D)反或閘(NOR Gate) 。
97. 在數位邏輯中,若所有輸入皆為 0 時,輸出才是 0,則為下列何種邏輯閘? (A)或閘(OR Gate) (B)及閘(AND Gate) (C)反及閘(NAND Gate) (D)反或閘(NOR Gate) 。
98. 在數位邏輯中,若所有輸入皆為 0 時,輸出才是 1,則為下列何種邏輯閘? (A)或閘(OR Gate) (B)及閘(AND Gate) (C)反及閘(NAND Gate) (D)反或閘(NOR Gate) 。
99. 在數位邏輯中,若所有輸入皆為 1 時,輸出才是 0,則為下列何種邏輯閘? (A)或閘(OR Gate) (B)及閘(AND Gate) (C)反及閘(NAND Gate) (D)反或閘(NOR Gate) 。
100. 下圖電路中流過 2KΩ電阻之電流(IL)為下列何者?
(A)0.6mA (B)-0.6mA (C)1.2mA (D)-1.2mA 。
申論題 (0)
相關試卷
114年 - 12000 電腦硬體裝修 乙級 工作項目 06:資訊安全措施 1-41(2025/12/16 更新)#134984
114年 · #134984
114年 - 12000 電腦硬體裝修 乙級 工作項目 05:裝修及控制應用 151-171(2025/12/16 更新)#134983
114年 · #134983
114年 - 12000 電腦硬體裝修 乙級 工作項目 05:裝修及控制應用 101-150(2025/12/16 更新)#134982
114年 · #134982
114年 - 12000 電腦硬體裝修 乙級 工作項目 05:裝修及控制應用 1-50(2025/12/16 更新)#134980
114年 · #134980
114年 - 12000 電腦硬體裝修 乙級 工作項目 04:工作方法 151-191(2025/12/16 更新)#134979
114年 · #134979
114年 - 12000 電腦硬體裝修 乙級 工作項目 04:工作方法 101-150(2025/12/16 更新)#134978
114年 · #134978
114年 - 12000 電腦硬體裝修 乙級 工作項目 04:工作方法 51-100(2025/12/16 更新)#134977
114年 · #134977
114年 - 12000 電腦硬體裝修 乙級 工作項目 04:工作方法 1-50(2025/12/16 更新)#134976
114年 · #134976
114年 - 12000 電腦硬體裝修 乙級 工作項目 03:儀表、軟體及一般工具 151-210(2025/12/16 更新)#134975
114年 · #134975
114年 - 12000 電腦硬體裝修 乙級 工作項目 03:儀表、軟體及一般工具 101-150(2025/12/16 更新)#134974
114年 · #134974