阿摩線上測驗
登入
首頁
>
技檢◆電腦硬體裝修-乙級
>
114年 - 12000 電腦硬體裝修 乙級 工作項目 05:裝修及控制應用 51-100(2025/12/16 更新)#134981
> 試題詳解
試題詳解
試卷:
114年 - 12000 電腦硬體裝修 乙級 工作項目 05:裝修及控制應用 51-100(2025/12/16 更新)#134981 |
科目:
技檢◆電腦硬體裝修-乙級
試卷資訊
試卷名稱:
114年 - 12000 電腦硬體裝修 乙級 工作項目 05:裝修及控制應用 51-100(2025/12/16 更新)#134981
年份:
114年
科目:
技檢◆電腦硬體裝修-乙級
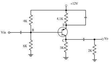
60. 有關下圖電路的敘述,下列哪一個是正確的?
(A)這是一個共集極放大電路
(B)B 點的直流電壓為+4.8V
(C)集極電流 Ic 約為 1.76mA
(D)從 Vin 到Vo 的電壓放大率約為 48 。
正確答案:
登入後查看