阿摩線上測驗
登入
首頁
>
電路學
> 94年 - 94 地方政府特種考試_三等_電力工程、電子工程:電路學#38554
94年 - 94 地方政府特種考試_三等_電力工程、電子工程:電路學#38554
科目:
電路學 |
年份:
94年 |
選擇題數:
0 |
申論題數:
6
試卷資訊
所屬科目:
電路學
選擇題 (0)
申論題 (6)
一、 從圖一的電路圖中求 vo (10 分)及跨過 2 V 電壓源之功率(10 分)。
【已刪除】二、戴維寧等效電路(Thevenin equivalent circuit)可由量測一個電路系統的二個端點而 得到。如圖二所示之線性電路圖,內部只含電阻、獨立電壓源及相依電壓源。假設 量測二個端點為 a, b。當一個 10 kΩ的電阻接在 a, b 二個端點時,所量到的 a, b 點之 電壓為 v
ab
= 20 V。當一個 20 kΩ的電阻接在 a, b 二個端點時,所量到的 a, b 點之電 壓為 v
ab
= 30 V。求相對於 a, b 點的戴維寧等效電路 (10 分),並求在此電路之下,通 過 a, b 端點可得到的最大功率(10 分)。
【已刪除】三、如圖三所示之 RLC 電路,其中,u(t)是單位步階函數(unit step function),所以 20 u(t)V 為當時間 t < 0 時,其電壓為 0 V;t ≥ 0 時,其電壓為 20 V。試求當 t ≥ 0 時之電流 i(t) (10 分),t ≥ 0 時跨過 4 mH 之電壓(5 分)
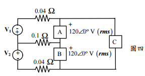
【已刪除】四、如圖四所示之電路有三個負載,其中 A = (4.8 + j 2.4) kVA,B = (3.6 + j 1.44) kVA, C = 7.2 + j 0 kVA。試求二個電壓源 V
1
及 V
2
的複功率(Complex power) (10 分)。驗證 整個電路系統中,所有負載消耗的實功率(Real power)及虛功率(Reactive power)與電 壓源傳送的實功率及虛功率相等(10 分)。
(1)若與穩態時之頻率響應比較,此電路必需在 4 kHz 時衰減 3 dB(比最大值小 3 dB)
(2)當輸入電壓vs (t) = 2 sin (2π ×10
7
t ) 時其輸出電壓在穩態時應為 vo (t) = 8 sin(2π×10
7
t+180
o
) V。