阿摩線上測驗
登入
首頁
>
電路學
> 95年 - 95 原住民族特種考試_三等_電力工程:電路學#38618
95年 - 95 原住民族特種考試_三等_電力工程:電路學#38618
科目:
電路學 |
年份:
95年 |
選擇題數:
0 |
申論題數:
10
試卷資訊
所屬科目:
電路學
選擇題 (0)
申論題 (10)
【已刪除】一、圖一所示電路,試求通過
= j6Ω之電流。(20 分)
⑴電容之電壓 vc(t),
,⑵開關 turn on 0.1 微秒後電路之電流值,
⑶時間 t→∞後,電容器所儲存的 能量。(20 分)
三、一具功率 200 瓦的馬達,其功率因數為 0.85(滯後),效率為 92%,連接至一 150 V, 60 Hz 的電源,若欲將此系統的功率因數提高為 1 時,需要並聯多大的電容?(15 分)
【已刪除】四、圖三為一理想的運算放大器電路,若兩個輸入電壓源各為 v
1
=10 sin(2π×60 t) -0.1 sin(2π×1000 t)V 及 v
2
=10 sin(2π×60 t)+0.1 sin(2π×1000 t)V,試 求輸出電壓 vo。(15 分)
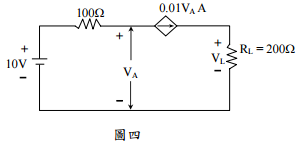
【已刪除】五、圖四所示電路,有兩個電源,一為電壓源,另一為電壓控制的電流源,試求負載 R
L
兩端的電壓值 V
L
。(15 分)
【已刪除】⑴已知一網路函數 H(S)=
,此系統為穩定,試說明理由。
⑵何謂h參數?
⑶何謂最大功率轉移定理? (15 分)