阿摩線上測驗
登入
首頁
>
初等/五等/佐級◆電子學大意
> 95年 - 95 地方政府特種考試_五等_電子工程:電子學大意#20380
95年 - 95 地方政府特種考試_五等_電子工程:電子學大意#20380
科目:
初等/五等/佐級◆電子學大意 |
年份:
95年 |
選擇題數:
40 |
申論題數:
0
試卷資訊
所屬科目:
初等/五等/佐級◆電子學大意
選擇題 (40)
1 有關 DRAM 記憶體對資料的儲存方式之敘述,下列何者正確? (A)利用電晶體內的寄生電容儲存資料 (B)利用電晶體控制一個電容元件儲存資料 (C)利用電晶體內寄生的閂瑣現象(Latch-Up)儲存資料 (D)利用電晶體控制一個閂瑣電路(Latch)儲存資料
2 下圖所示之電流源(current source)電路,若是已知電晶體 Q
2
係操作於飽和區(saturation region),且 電晶體 Q
2
之閘極的寬長比(W/L)2為電晶體 Q
1
之閘極的寛長比(W/L)
1
的 2 倍,則此電流源的輸出 電流,Io,為何? (A)Io=I
REF
(B) Io=2
IREF
(C) Io=4
IREF
(D) Io=0
3 圖示電路之交流負載線(ac load line)之方程式為:
4 下列關於二極體的敘述,何者正確? (A)二極體的順向電阻會隨順向電流增加而增加 (B)二極體的順向電阻會隨順向電流增加而減少 (C)二極體的逆向電阻隨逆向電流增加而增加 (D)二極體的順向電阻與逆向電阻均為固定值
5 有一系統之轉移函數為
,則下列何者正確? (A)高頻時相角接近 0° (B)直流增益為 10 (C)此為低通濾波電路 (D)半功率頻率為 1 rad/sec
6 右圖為何種電路?
(A)無穩態電路 (B)單穩態電路 (C)雙穩態電路 (D)反向放大器
7 圖為一 RLC 帶通濾波器,當 R=10 kΩ,中心頻率ω0=10
4
rad/s,頻寬 BW=10
3
rad/s。若 L=0.1 H,則 C=? (A) 1μF (B) 0.1μF (C) 0.01μF (D) 0.001μF
8則 V0輸出的週期性電壓波形 為: (A)方波 (B)三角波 (C)正弦波 (D)鋸齒波
9 承上題,若數位邏輯閘供給電源 V
DD
=5 V,且邏輯閘的臨限電壓(threshold voltage)V
T
=2.5 V,則 此波形的週期時間 T 為多少秒?
10 如圖所示電路,則下列敘述何者錯誤? (A)此為主動式二階 RC 濾波器 (B)此電路屬於微分器 (C)低頻增益
(D)截止頻率
11 下列何者為帶通濾波器的頻率響應?
12 有關多級串接放大器電路之敘述,下列何者錯誤? (A)系統之總增益增加 (B)系統之總頻寬變寛 (C)系統穩定度變差 (D)系統之總相位移增加
13 二極體電晶體邏輯電路中,電晶體工作在那幾區? (A)飽和區及工作區 (B)飽和區及截止區 (C)工作區及截止區 (D)飽和區、工作區及截止區
14 如圖所示的邏輯電路,此電路的功能為: (A) NAND (B) NOR (C) XOR (D) AND
15 負緣觸發之 JK 正反器當 J=K=1,在 CK 端以負緣觸發後,其輸出 Q (t+1)為: (A) 1 (B) 0 (C) Q (t) (D)
16 SR 正反器須避免輸入端為何狀態? (A)同時為 1 (B)同時為 0 (C) S 為 1,R 為 0 (D) S 為 0,R 為 1
17 下列關於發光二極體特性之敘述,何者為是? (A)操作於反向偏壓下 (B)所發光之波長與電流大小有關 (C)所發光之波長與半導體能隙有關 (D)電流愈大,波長愈短
18 下列何種記憶體主要使用於快取記憶體(Cache Memory)? (A)快閃記憶體(Flash Memory) (B)靜態隨機存取記憶體(SRAM) (C)動態隨機存取記憶體(DRAM) (D)可程式唯讀記憶體(PROM)
19 在一個 N 通道快閃記憶體中,若浮動閘內儲存有電子,則下列敘述何者為是? (A)門檻電壓降低 (B)讀取電流降低 (C)讀取時,浮動閘內儲存之電子流出 (D)浮動閘內之電子不影響通道電場
20 下圖所示的二極體是那一種特殊二極體?
(A)齊納二極體(Zener diode) (B)變容二極體(varactor) (C)發光二極體(light emitting diode) (D)雷射二極體(laser diode)
21 下列那一種 BJT 電晶體放大器的組態的電流增益 A
i
<1? (A)共射極 (B)共基極 (C)共集極 (D)不一定
22 圖所示之電路中,BJT 電路之 I
C
值約為: (A) 2.4 mA (B) 3.2 mA (C) 4.5 mA (D) 5.1 mA
23 已知一顆雙極性接面電晶體(BJT)的電流增益β=100,則此電晶體在深度飽和區(deep saturation region)工作時,集極電流與基極電流的比值 I
C
/I
B
為何? (A) I
C
/I
B
<β (B) I
C
/I
B
>β (C) I
C
/I
B
=β (D) I
C
/I
B
~0
24 雙極性接面電晶體(BJT)工作於作用模式(active mode),係指下列何者? (A)射極接面順偏,集極接面逆偏 (B)射極接面逆偏,集極接面順偏 (C)射極、集極接面皆順偏 (D)射極、集極接面皆逆偏
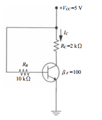
25 如圖所示之電路,若其電流增益(current gain) β=100,則其集極電壓為何?(電晶體導通時, 基-射極間之電壓約為 0.7 V) (A)-1 V (B) 0.4 V (C) 1 V (D) 1.4 V
26 如圖所示電路儀表放大器電路,若輸入電壓差為 V
i
=V
i1
-V
i2
,輸出電壓差為 V
o
=V
o1
-V
o2
,且 R
1
=2R
2
,則輸出電壓差 V
o
為: (A) V
o
=2 V
i
(B) V
o
=3 V
i
(C) V
o
=4 V
i
(D) V
o
=6 V
i
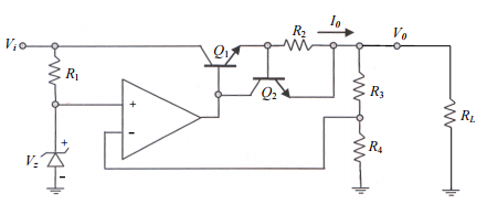
27 如圖所示電路,若 V
i
為 20 V,V
Z
為 5 V,R
1
=2 kΩ,R
2
=1Ω,R
3
=10 kΩ,R
4
=10 kΩ,且電晶體 Q
1
與 Q
2
之 V
BE
皆為 0.7 V,則圖中輸出電流 I
o
之最大值為: (A) 10 A (B) 5 A (C) 1.4 A (D) 0.7 A
28 如圖所示之差動放大器,其輸出電壓(V
o
) 將與下列何種信號成正比? (A) V
1
(B) V
2
(C) V
1
+V
2
(D) V
1
-V
2
29 某一差動放大器之差模增益 A
d
=200,共模增益 A
c
=0.2,則此差動放大器的共模拒斥比(CMRR)為: (A) 20 dB (B) 30 dB (C) 40 dB (D) 60 dB
30 如圖所示運算放大器電路,其輸出端 V
3
=? (A) (V
1
-V
2
) /2 (B) (V
2
-V
1
) /2 (C) 2 (V
1
-V
2
) (D) 2 (V
2
-V
1
)
31 某運算放大器電路如圖所示,其電源接±15V,假設輸入電壓 V
i
為 3 V,則輸出電壓 V
o
與下列何 者最接近? (A)-30 V (B) 30 V (C)-15 V (D) 15 V
32 在串接式多級放大器系統中,下列何者不屬於級與級間的耦合電路? (A)直接耦合電路 (B)電晶體耦合電路 (C)電阻電容耦合電路 (D)變壓器耦合電路
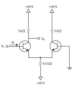
33 如圖所示電路,電晶體之β=100,在v
s
=0 時,在小信號中頻帶之電壓增益
約為:(A)-50 dB (B) 50 dB (C)34 dB (D) 25 dB
34 如圖的 i-v 特性曲線代表何種元件? (A)電阻 (B)二極體 (C)電晶體 (D)電容
35 pn 接面二極體的逆向飽和電流 I
s
,隨溫度的增高而有何變化? (A)增大 (B)減小 (C)無關 (D)視半導體之材質而定
36 如圖所示之電路中,若 D
1
, D
2
均為理想二極體, 則 D
1
, D
2
之偏壓狀態為何? (A) D
1
順偏(ON),D
2
順偏(ON) (B) D
1
順偏(ON),D
2
逆偏(OFF) (C) D
1
逆偏(OFF),D
2
順偏(ON) (D) D
1
逆偏(OFF),D
2
逆偏(OFF)
37 在一個 MOS 共源極放大器的源極與接地端間,接一個電阻 R
s
,則此 R
s
將會對放大器的小信號電壓 增益造成何種變化? (A)增加 (B)減少 (C)變為-1 (D)不變
38 如圖所示為閘極和源極接在一起的 n 通道空乏型(Depletion mode)MOSFET 電路,其參數值如下: V
DD
=5 V,I
D
=0.5 mA,V
tn
(臨限電壓)=-2 V,若此電晶體被偏壓在非飽和區工作,則電阻 R
s
至少須為多少? (A) 6 kΩ (B) 5 kΩ (C) 4 kΩ (D) 3 kΩ
39 MOSFET 工作於飽和區(saturation region)時,係指下列何者?
40 下圖為 MOS 電晶體的等效電路圖,請問其中的 gmb代表什麼效應? (A)爾利效應(Early effect) (B)通道長度調變效應 (C)基體效應(body effect) (D)霍爾效應(Hall effect)
申論題 (0)