阿摩線上測驗
登入
首頁
>
電機機械
> 97年 - 97年地方3等_電力工程#30834
97年 - 97年地方3等_電力工程#30834
科目:
電機機械 |
年份:
97年 |
選擇題數:
0 |
申論題數:
5
試卷資訊
所屬科目:
電機機械
選擇題 (0)
申論題 (5)
【已刪除】一、有一單相 100V,50Hz弦波電壓源V(t)施加於如下圖所示鐵心上之繞組。已知該繞組 匝數N為 200 匝,鐵心平均週長l為 100cm,截面積為 20cm
2
,相對導磁係數µr 為 2500。假設繞組電阻及鐵心磁飽和均可忽略,且鐵心內之磁通量密度為均勻分布, 試求鐵心內之磁通量密度B(t)。(20 分)
二、有三個單相 50kVA,2300/230V,60Hz 變壓器連接成一組三相 4000/230V 變壓器。 已知每一相變壓器換算至低壓側之阻抗為 0.012+j0.016Ω,而其鐵損及磁化電感可以 忽略不計。假設此三相變壓器供給 120kVA,230V,0.85 滯後功因之三相負載,試 求其高壓側線電流與線電壓。(20 分)
三、有一台 220V,7hp串激直流電動機用以驅動一台風扇。假設風扇負載特性為其轉矩 正比於其轉速的平方。當此電動機外加 220V電壓時,已知風扇轉速為 300rpm,而 電動機電流為 25 安培。若忽略電樞反應,磁飽和效應,與旋轉摩擦耗損,且已知 該電動機電樞電阻Ra=0.6Ω,場繞組電阻Rs=0.4Ω,試求此電動機此時所產生之轉矩 。(20 分)
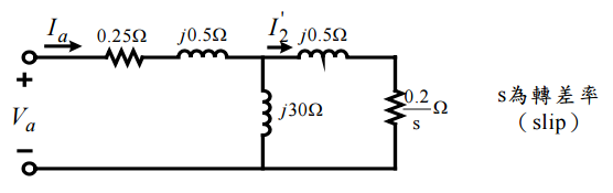
【已刪除】四、有一台三相 460V,1740rpm,60Hz,四極之鼠籠式感應電動機,已知其每相等效電 路如下圖所示,試求其在額定電壓及頻率時之起動電流與起動轉矩。(20 分)
五、有一台三相四極同步電動機,當外加三相 208V,60Hz 電壓源時,調整其場激磁電 流使其功因為 1.0,同時此時電動機吸收之功率為 3kW。假設此同步機每相等效同步 阻抗可以 j8Ω 近似之,同時固定激磁不變,試求其可能產生之最大轉矩。(20 分)
相關試卷
114年 - 114 地方政府公務特種考試_三等_電力工程:電機機械#134760
114年 · #134760
114年 - 114 專技高考_電機工程技師:電機機械#133717
114年 · #133717
114年 - 114 關務升官等考試、交通事業郵政升資考試_薦任、員級晉高員級_電力工程、技術類(選試電機機械)—關務、郵政:電機機械#133262
114年 · #133262
114年 - 114 交通事業郵政升資考試_佐級晉員級_技術類(選試電機機械概要)—郵政:電機機械概要#133211
114年 · #133211
114年 - 114 高等考試_二級_電力工程:電機機械#131612
114年 · #131612
114年 - 114 高等考試_三級_電力工程:電機機械#128777
114年 · #128777
114年 - 114 關務特種考試_三等_電機工程(選試英文):電機機械#126668
114年 · #126668
113年 - 113-2 國營臺灣鐵路股份有限公司_從業人員甄試_第8階-助理工程師-機械 第8階-助理工程師-電機:電機機械#137140
113年 · #137140
113年 - 113 地方政府公務特種考試_三等_電力工程:電機機械#124526
113年 · #124526
113年 - 113 專技高考_電機工程技師:電機機械#123948
113年 · #123948