阿摩線上測驗
登入
首頁
>
電路學
> 98年 - 98 關務特種考試_三等_電機工程:電子學與電路學#34467
98年 - 98 關務特種考試_三等_電機工程:電子學與電路學#34467
科目:
電路學 |
年份:
98年 |
選擇題數:
0 |
申論題數:
5
試卷資訊
所屬科目:
電路學
選擇題 (0)
申論題 (5)
【已刪除】一、有一射頻開關 PN 接面二極體(RF Switching PN-Junction Diode)之直流偏壓電壓 V
D
的極性(Polarity)與直流偏壓電流 I
D
的方向(Direction)如圖 1 所示,此二極 體之反向飽和電流(Reverse Saturation Current)為I
0
,放射係數(Emission Coefficient or Ideality Factor)為n ,熱電壓(Thermal Voltage)為 V
T
,請詳列過程推 導證明此射頻開關二極體之動態電阻(Dynamic or Small-Signal Resistance)為
。(20 分)
【已刪除】二、圖 2 為運用理想運算放大器(Ideal Operational Amplifier)與 PN 接面二極體(PN Junction Diode)設計成之對數放大器(Logarithmic Amplifier),其中二極體之反向 飽和電流(Reverse Saturation Current)為I
0
,放射係數(Emission Coefficient or Ideality Factor)為n,熱電壓(Thermal Voltage)為 0I V
T
,請詳列過程推導證明此對 數放大器之輸出電壓為
。(20 分)
【已刪除】三、一個一位元儲存電路(1-Bit Storage Cell)之S 、R輸入端與Q、
輸出端的對應關 係如下表所示,請運用六個 N 通道增強型金氧半場效電晶體(N-Channel Enhancement MOSFET)設計出此一位元儲存電路之電路圖,並請標明S 、R、Q、
端、與正電源電壓V
DD
端於電路圖中之對應位置。(20 分)
【已刪除】四、已知圖 3 中(a)、(b)兩電路圖之 A、B、C 三個端點的電器特性完全等效(Electrically Equivalent),請詳列過程推導證明
。(20 分)
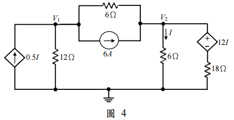
【已刪除】五、請詳列過程推求圖 4 電路圖中電流 I 之安培數值。(20 分)
相關試卷
115年 - 115 身心障礙特種考試_三等_電子工程:電路學#138936
115年 · #138936
114年 - 114 地方政府公務特種考試_三等_電力工程、電子工程、電信工程:電路學#134770
114年 · #134770
114年 - 114 專技高考_電機工程技師:電路學#133707
114年 · #133707
114年 - 114 專技高考_電子工程技師:電路學#133700
114年 · #133700
114年 - 114 公務升官等考試_薦任_電力工程、電子工程、電信工程:電路學#133241
114年 · #133241
114年 - 114 高等考試_三級_電力工程、電子工程、電信工程:電路學#128784
114年 · #128784
113年 - 113-2 國營臺灣鐵路股份有限公司_從業人員甄試_第8階-助理工程師-電機:電路學#137142
113年 · #137142
113年 - 113 地方政府公務特種考試_三等_電力工程、電子工程:電路學#124508
113年 · #124508
113年 - 113 專技高考_電機工程技師:電路學#123962
113年 · #123962
113年 - 113 專技高考_電子工程技師:電路學#123933
113年 · #123933