阿摩線上測驗
登入
首頁
>
機械設計
> 98年 - 98 高等考試_三級_機械工程:機械設計#32475
98年 - 98 高等考試_三級_機械工程:機械設計#32475
科目:
機械設計 |
年份:
98年 |
選擇題數:
0 |
申論題數:
7
試卷資訊
所屬科目:
機械設計
選擇題 (0)
申論題 (7)
【已刪除】一、如下圖所示承受負荷之圓形截面懸臂樑,試求最大容許的負荷 P 為何?(25 分) d = 60 mm,F = 10P N,T = 0.1P N,容許之拉伸應力為 100 MPa,距離自由端 a = 120 mm 處截面容許的剪應力為 60 MPa。
⑴需施加之驅動力 Fa 為多少,是否為自添力煞車(self-energizing brake)?(10 分)
⑵作用於銷接頭 A 上的力為多少?(7 分)
⑶如軸之轉動方向變為順時針時,需施加之驅動力 Fa 為多少,是否為自添力煞車 (self-energizing brake)?(8 分)
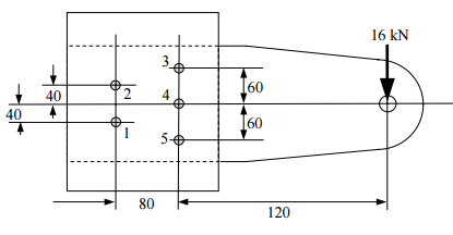
【已刪除】三、如下圖所示,利用 5 根鉚釘(16 mm 直徑)搭接的兩塊鋼板。兩鋼板厚度均為 10 mm,主鋼板承受 16 kN 負荷,試求鉚釘所承受的最大剪應力(20 分)與承面應 力(bearing stress)。(5 分)(尺寸單位:mm)
⑴線徑 d = 7 mm 鋼絲,是否能符合上述要求?(13 分)
⑵線徑 d = 8 mm 鋼絲,是否能符合上述要求?(12 分)
相關試卷
114年 - 114 地方政府公務特種考試_三等_機械工程:機械設計#134728
114年 · #134728
114年 - 114 地方政府公務特種考試_四等_機械工程:機械設計概要#134719
114年 · #134719
114年 - 114 公務、關務升官等考試_薦任_機械工程、技術類(選試機械設計)-關務:機械設計#133265
114年 · #133265
114年 - 114 交通事業港務升資考試_員級晉高員級_技術類(選試機械設計)-港務:機械設計#133244
114年 · #133244
114年 - 114 高等考試_二級_機械工程:機械設計學#131583
114年 · #131583
114年 - 114 原住民族特種考試_四等_機械工程:機械設計概要#130917
114年 · #130917
114年 - 114 高等考試_三級_機械工程:機械設計#128741
114年 · #128741
114年 - 114 普通考試_機械工程:機械設計概要#128447
114年 · #128447
114年 - 114 身心障礙特種考試_三等_機械工程:機械設計#126646
114年 · #126646
114年 - 114 身心障礙特種考試_四等_機械工程:機械設計概要#126589
114年 · #126589