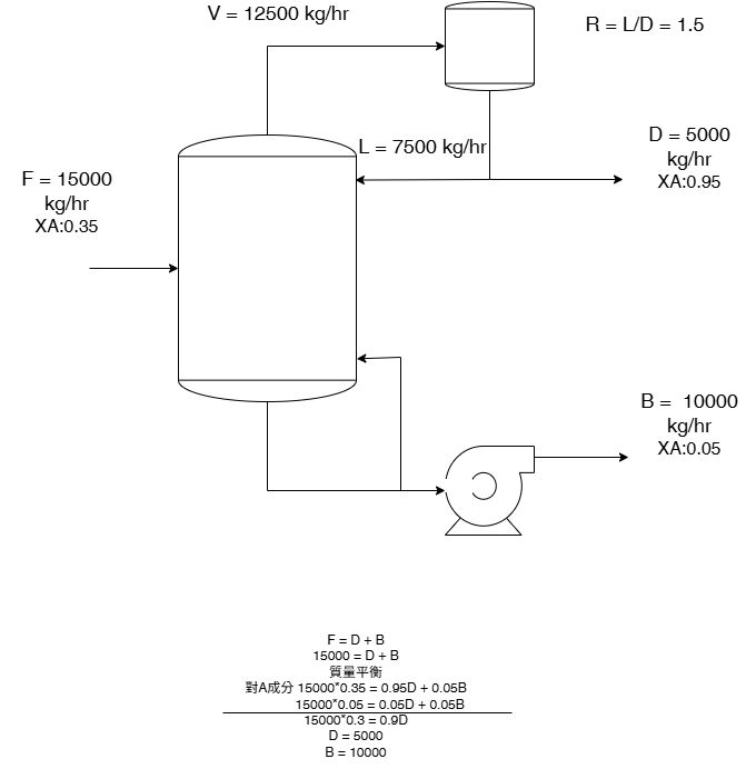
10. 在蒸餾程序的操作中,習慣將回流量與塔頂產物量的比值稱作回流比。有一個分餾塔可用來分離15,000
含有 A 與 B 的混合液,其中 A 的質量分率為0.35。若經分餾後得到之塔頂產物中A的質量分率為 0.95,塔底產物中 B 的質量分率亦為 0.95。假設操作之回流比為1.5,則離開塔頂之蒸氣的質量流率為多少
?
(A) 7,500
(B) 10,000
(C) 12,500
(D) 15,000
答案:登入後查看
統計: A(15), B(8), C(45), D(5), E(0) #3156715
統計: A(15), B(8), C(45), D(5), E(0) #3156715
