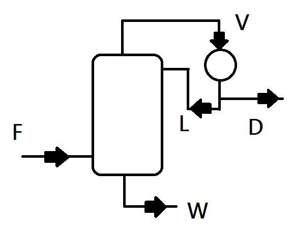
39. 一連續式蒸餾塔每小時進料 100 莫耳之苯 - 甲苯混合溶液 ( 苯為 40莫耳,甲苯為 60 莫耳 ), 假設塔內各板皆為理想板,塔頂出料之飽和蒸氣溫度為 83.5 ℃,壓力為 101.3 kPa ( 溫度 - 莫耳分率組成圖如圖 ( 五 ) 所示 ),塔底產物含甲苯 90 mol %,則下列何者正確? 
(A) 塔頂產物流率為 20.5 mol · h – 1
(B)塔底產物流率為 62.5 mol · h – 1
(C) 塔底產物的莫耳流率為塔頂產物莫耳流率的 2.5 倍
(D) 塔頂產物含苯為 80 mol %
答案:登入後查看
統計: A(6), B(96), C(6), D(23), E(0) #2523434
統計: A(6), B(96), C(6), D(23), E(0) #2523434
詳解 (共 1 筆)
#4395772


(1)進料 F = 100 mol = 苯 40mol + 甲苯 60 mol
(2)塔頂之飽和蒸氣溫度為 83.5 ℃ , 對應到的 苯莫耳分率為 0.9 = 90 mol%
(3)塔底產物含甲苯 90 mol %
(4) 帶入計算式
F = W+D =100 mol
苯 : 0.1W +0.9D = 40 mol
甲苯: 0.9W+0.1D = 60 mol
得到 : 塔頂 D= 37.5 mol , 塔底 W = 62.5 mol
8
0