阿摩線上測驗 登入

申論題資訊

試卷:106年 - 106-2 臺灣港務股份有限公司從業人員甄試_師級_電機:電機機械#83198
科目:港務局◆電機機械
年份:106年
排序:0

題組內容

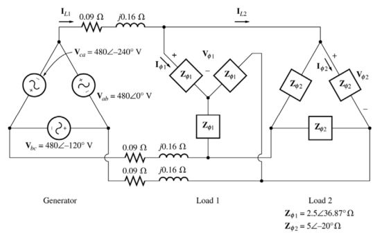
5.圖為具有兩個負載的三相電力系統(three-phase power system)。 Δ連接(Δ-connected generator)的發電機產生 480V 的線電壓(line voltage),線阻抗(line impedance)為 0.09 + j0.16Ω。負載 1 為 Y 連接的, 相位阻抗(phase impedance)為 2.5∠36.87°Ω;負載 2 為Δ連接,相位阻抗 為 5∠-20°Ω。
5e548f182dbae.jpg

申論題內容

(a)兩個負載的線電壓是多少?