阿摩線上測驗
登入
首頁
>
電工機械(概要、大意)
>
101年 - 101年普通電工機械概要#44948
> 申論題
題組內容
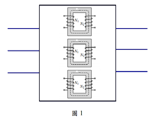
一、某三線、三相之電力系統,其線電壓(line-to-line voltage)為 4000 V。今欲使用三 個 50-kVA,2400:240-V 的雙繞組變壓器(two winding transformer),將它們接成一 個 Y-∆之三相變壓器,用來降低上述三相電力系統之電壓。
⑴請完全按照以下三個雙繞組變壓器的排列方式(如圖 1,上、中、下各一具單相 變壓器),畫出此 Y-∆三相變壓器之接線圖。(10 分) N1 N2 N1 N2 N1 N2 圖1
相關申論題
⑵若三相負載為 120-kVA,試計算此 Y-∆三相變壓器之輸入線電壓、輸入線電流、 輸出線電壓與輸出線電流之值。(10 分)
#149734
⑶若三相負載之功率因數為 0.9 落後,試計算每一單相雙繞組變壓器所承載之 kVA 值為何?(5 分)
#149735
⑴電樞電流I1與I2之關係為何?(5 分)
#149736
⑵試計算電樞電流I1之值。(10 分)
#149737
⑶試計算負載力矩為 20 N·m 時之馬達轉速。(10 分)
#149738
⑴此電機之場繞組為定子或是轉子?(5 分,本小題需說明才能得滿分)
#149739
⑵此電機之相數(number of phase)是多少?(10 分)
#149740
⑶此電機之機械角與電機角之關係為何?(5 分)
#149741
⑷此電機為(直流機、同步機、感應機)中的那一種?(5 分)
#149742
⑴此電動機之同步轉速為每分鐘多少轉?(5 分)
#149743
相關試卷
115年 - 115 關務特種考試_四等_電機工程(選試英文):電工機械概要#138924
115年 · #138924
115年 - 115-1 臺北市立大安高工教師甄選試題_控制科:電工機械#138443
115年 · #138443
115年 - 115 國營臺灣鐵路股份有限公司_從業人員甄試試題_第10階-助理技術員-電力 第10階-助理技術員-電力(臨軌施工) 第10階-助理技術員-電務 第10階-助理技術員-電務(產學合作) 第10階-助理技術員-電務(臨軌施工):電工機械概要#138253
115年 · #138253
114年 - 114 地方政府公務特種考試_四等_電力工程:電工機械概要#134752
114年 · #134752
114年 - 114 普通考試_電力工程:電工機械概要#128780
114年 · #128780
114年 - 114 關務特種考試_四等_電機工程(選試英文):電工機械概要#126594
114年 · #126594
113年 - 113-2 國營臺灣鐵路股份有限公司_從業人員甄試試題_第10階-助理技術員-電務 第10階-助理技術員-電力:電工機械概要#137202
113年 · #137202
113年 - 113-2 國營臺灣鐵路股份有限公司_從業人員甄試試題_第9階-技術員-電機 第9階-技術員-機械 第10階-助理技術員-電機:電機機械概要#137199
113年 · #137199
113年 - 113 地方政府公務特種考試_四等_電力工程:電工機械概要#124460
113年 · #124460
113年 - 113 普通考試_電力工程:電工機械概要#121150
113年 · #121150