阿摩線上測驗
登入
首頁
>
輸配電學
>
104年 - 104年員級鐵路人員考試_電力工程 輸配電學概要#22409
> 申論題
題組內容
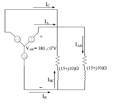
二、如圖所示,某平衡三相正序電源 V
AB
=380∠0°V 提供給一不平衡Δ接負載。其中Δ接 負載之其中一相為開路,試決定:
(一)供給Δ接負載之線電流 I
A
、I
B
及 I
C
。(15 分)
相關申論題
(一) A、B、C、D 參數。(10 分)
#23590
(二)電壓調整率。(5 分)
#23591
(三)送電端電壓。(5 分)
#23592
(四)送電端有效功率。(5 分)
#23593
(二)線電流之正序成分、負序成分及零序成分。(10 分)
#23595
(一)各用戶的最大需量。(10 分)
#23596
(二)綜合的最大負載。(5 分)
#23597
(三)各用戶的平均負載。(10 分)
#23598
(四)綜合的平均負載。(5 分)
#23599
四、請說明高壓輸電線路電暈產生的原因、對相關設施與人的影響,以及降低架空輸電 線路電暈的方法。(20 分)
#84276
相關試卷
114年 - 114 地方政府公務特種考試_四等_電力工程:輸配電學概要#134797
114年 · #134797
114年 - 114 普通考試_電力工程:輸配電學概要#128759
114年 · #128759
113年 - 113 地方政府公務特種考試_四等_電力工程:輸配電學概要#124495
113年 · #124495
113年 - 113 普通考試_電力工程:輸配電學概要#121395
113年 · #121395
112年 - 112 地方政府特種考試_四等_電力工程:輸配電學概要#118361
112年 · #118361
112年 - 112 普通考試_電力工程:輸配電學概要#115762
112年 · #115762
112年 - 112 鐵路特種考試_員級_電力工程:輸配電學概要#114947
112年 · #114947
111年 - 111 地方政府特種考試_四等_電力工程:輸配電學概要#112369
111年 · #112369
111年 - 111 中華郵政股份有限公司_職階人員資產營運及工程類科甄試_專業職一-電子工程:輸配電學概要#111690
111年 · #111690
111年 - 111 中華郵政股份有限公司_職階人員資產營運及工程類科甄試試題_專業職(一)/電力工程:輸配電學概要#111521
111年 · #111521