題組內容

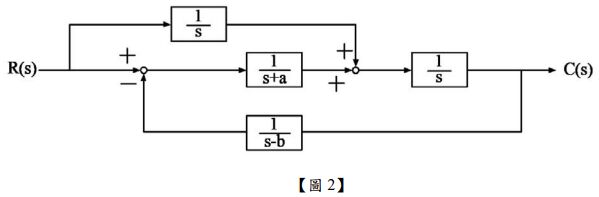
四、某控制系統如【圖 2】所示,請回答下列問題:(2 題,每題 5 分,共 10 分)


(一)請畫出信號流程圖。

詳解 (共 1 筆)

詳解 提供者:劉邦玄


689def6843b49.jpg