阿摩線上測驗
登入
首頁
>
電路學
>
114年 - 114 高等考試_三級_電力工程、電子工程、電信工程:電路學#128784
> 申論題
題組內容
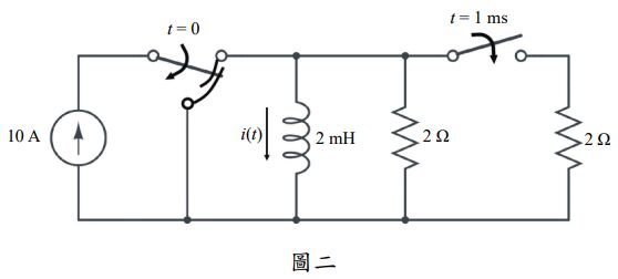
二、某電感-電阻-開關電路圖如圖二所示,試計算:
( hint:i (t ) =
= 0.368 )
(三)該電路圖在時間 t>1ms 之時間常數值與電感器之響應函數 i(t)?
相關申論題
一、某電路如圖一所示,試計算每一個電阻兩端之電壓及流通之電流。
#549581
(一)該電路中電感器之初始電流 i(0)?
#549582
(二)該電路圖在時間 1ms≥t>0 之時間常數(time constant)值與電感器之響應函數 i(t)?
#549583
(四)請繪出電感器之響應函數 i(t)完整之響應圖。
#549585
三、一理想變壓器電路圖如圖三所示,若該電路之輸出電壓相量(phasor) V0 = 48∠30° ,試計算該電路之輸入電壓 VS 相量值。
#549586
四、以下圖四所示為一 OPA 電路,其負載電阻 =50 Ω,該電路輸出電壓操作於±15 V,其輸出電流 不大於 200 mA。當輸入電壓 =1 V 且 R1+R2=10 kΩ時,請問 R1、R2 及其最大之增益 A 值為多少?
#549587
4. 輸出電壓
#562431
3. C2電容
#562430
2. R2電阻
#562429
1. R1電阻
#562428
相關試卷
114年 - 114 地方政府公務特種考試_三等_電力工程、電子工程、電信工程:電路學#134770
114年 · #134770
114年 - 114 專技高考_電機工程技師:電路學#133707
114年 · #133707
114年 - 114 專技高考_電子工程技師:電路學#133700
114年 · #133700
114年 - 114 公務升官等考試_薦任_電力工程、電子工程、電信工程:電路學#133241
114年 · #133241
114年 - 114 高等考試_三級_電力工程、電子工程、電信工程:電路學#128784
114年 · #128784
113年 - 113-2 國營臺灣鐵路股份有限公司_從業人員甄試_第8階-助理工程師-電機:電路學#137142
113年 · #137142
113年 - 113 地方政府公務特種考試_三等_電力工程、電子工程:電路學#124508
113年 · #124508
113年 - 113 專技高考_電機工程技師:電路學#123962
113年 · #123962
113年 - 113 專技高考_電子工程技師:電路學#123933
113年 · #123933
113年 - 113 高等考試_三級_電力工程、電子工程、電信工程:電路學#121512
113年 · #121512