阿摩線上測驗
登入
首頁
>
電路學
>
113年 - 113 地方政府公務特種考試_三等_電力工程、電子工程:電路學#124508
> 申論題
題組內容
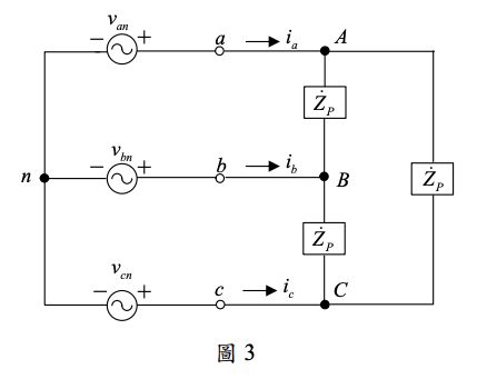
三、如 圖 3 所 示 之 Y - △ 三 相 平 衡 系 統 中 , 其 電 源 之 線 電 壓 為
,負載每相之阻抗為
,請求:
(二)三相負載所吸收之有效功率。(10 分)
相關申論題
(一)除了電阻 R 外其他電路之戴維寧等效電路及諾頓等效電路。(15 分)
#529396
(二)電阻 R 為何值時可自電路吸收到最大功率,並求此最大功率值。 (5 分)
#529397
二、如圖 2 所示之電路中,若開關未關上前電容器及電感器之初值分別為 vC (0) = 0 V 及 iL (0) = 0 A ,試求開關關上後 t > 0 之 vC (t ) 及 iL (t ) 。(20 分)
#529398
(一)線電流 ia (t ) 。(5 分)
#529399
(三)電源端之功率因數。(5 分) _ van + a ia A Z P _ vbn ib Z P n + b B Z P vcn _ c ic C + 圖3
#529401
四、如圖 4 所示之電路中,若 vC (0) = 0 V , vi = 6 u (t ) V ,其中 u (t ) 為單位步 階函數(unit step function),求 t > 0 之後的 vo 。(20 分)
#529402
五、如圖 5 所示之耦合電路,其兩電感器之耦合電感值為 1/2 H ,電源電壓 ,試求穩態電流 i1 (t ) 及 i2 (t ) 。(20 分)
#529403
4. 輸出電壓
#562431
3. C2電容
#562430
2. R2電阻
#562429
相關試卷
114年 - 114 地方政府公務特種考試_三等_電力工程、電子工程、電信工程:電路學#134770
114年 · #134770
114年 - 114 專技高考_電機工程技師:電路學#133707
114年 · #133707
114年 - 114 專技高考_電子工程技師:電路學#133700
114年 · #133700
114年 - 114 公務升官等考試_薦任_電力工程、電子工程、電信工程:電路學#133241
114年 · #133241
114年 - 114 高等考試_三級_電力工程、電子工程、電信工程:電路學#128784
114年 · #128784
113年 - 113-2 國營臺灣鐵路股份有限公司_從業人員甄試_第8階-助理工程師-電機:電路學#137142
113年 · #137142
113年 - 113 地方政府公務特種考試_三等_電力工程、電子工程:電路學#124508
113年 · #124508
113年 - 113 專技高考_電機工程技師:電路學#123962
113年 · #123962
113年 - 113 專技高考_電子工程技師:電路學#123933
113年 · #123933
113年 - 113 高等考試_三級_電力工程、電子工程、電信工程:電路學#121512
113年 · #121512