阿摩線上測驗 登入

申論題資訊

試卷:110年 - 110 地方政府特種考試_三等_電力工程:電機機械#104871
科目:電機機械
年份:110年
排序:0

題組內容

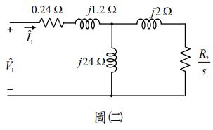
二、某台三相、Y 接、6 極、60 Hz、線電壓為 440 V 的感應電動機,其每相 等效至定子側的電路及參數如圖(二),圖中 s 表示滑差率,61b961e519a5b.jpg分別表示 電壓及電流相量。(每小題 10 分,共 20 分)
61b961fed5e60.jpg

申論題內容

(二)同(一)條件,計算最大電磁轉矩發生的電動機輸入相電流、最大電磁轉 矩、輸入總實功率。