阿摩線上測驗
登入
首頁
>
電路學
>
110年 - 110 警察特種考試_三等_交通警察人員電訊組:電路學#101682
> 申論題
題組內容
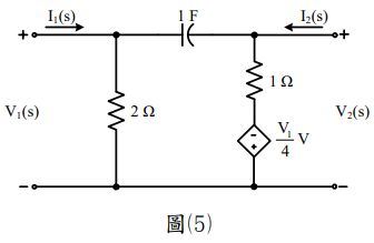
五、如圖⑸所示之雙埠電路,請求
(二)在輸出埠 V
2
兩端接一個 2 Ω 電阻時之網路轉移函數 V
2
(s) / V
1
(s)。(5 分)
相關申論題
(一) A-B 端點左邊網路之戴維寧等效電路(10 分)及諾頓等效電路;(5 分)
#426895
(二)若將電路中之 5 A 電流源拿掉,請再重新求A-B 端點左邊網路之戴維寧等效電路。(5 分)
#426896
(一)穩態電流 i 值;(10 分)
#426897
(二)電阻 6 Ω 所消耗之功率。(10 分)
#426898
(一)線電流 ia 之有效值;(10 分)
#426899
(二)負載每相之阻抗相量值。(10 分)
#426900
(一)電容電壓 v(t)之 2 次微分方程式;(5 分)
#426901
(二) v(t)之暫態響應;(5 分)
#426902
(三) v(t)之穩態響應;(8 分)
#426903
(四) i(t)之完全響應。(2 分)
#426904
相關試卷
115年 - 115 身心障礙特種考試_三等_電子工程:電路學#138936
115年 · #138936
114年 - 114 地方政府公務特種考試_三等_電力工程、電子工程、電信工程:電路學#134770
114年 · #134770
114年 - 114 專技高考_電機工程技師:電路學#133707
114年 · #133707
114年 - 114 專技高考_電子工程技師:電路學#133700
114年 · #133700
114年 - 114 公務升官等考試_薦任_電力工程、電子工程、電信工程:電路學#133241
114年 · #133241
114年 - 114 高等考試_三級_電力工程、電子工程、電信工程:電路學#128784
114年 · #128784
113年 - 113-2 國營臺灣鐵路股份有限公司_從業人員甄試_第8階-助理工程師-電機:電路學#137142
113年 · #137142
113年 - 113 地方政府公務特種考試_三等_電力工程、電子工程:電路學#124508
113年 · #124508
113年 - 113 專技高考_電機工程技師:電路學#123962
113年 · #123962
113年 - 113 專技高考_電子工程技師:電路學#123933
113年 · #123933