阿摩線上測驗
登入
首頁
>
國營事業◆1.電力系統 2.電機機械
>
101年 - 101 經濟部所屬事業機構_新進職員甄試_電機(甲):1.電力系統 2.電機機械#28647
> 申論題
題組內容
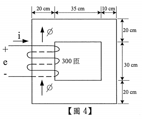
六、如【圖4】所示鐵磁性鐵心,其鐵心深度5cm,其他長度如圖標示,假設鐵心之相對導磁係數為10
3
/
π,試 求:
(二)於(一)的情形下鐵心左、右側的磁通密度值。 (6分)
相關申論題
(一)假設匯流排4的相間短路故障電 流IF4為3000A、R3動作時間為 1.5秒,試求R3之比流器匝比為 ___________: 5 (比流器二次侧額定為 5A)。(3 分)
#57130
(二)假設靠近R3右侧之三相短路最大 故障電流IF3為6000A,試求R3動 作時間為何?(3分)
#57131
(三)R2為R3之後衛保護,且R2之比 流器匝比為1200 : 5,R2與R3在 最大故障電流條件下之保護協調時 間延遲為0.5秒,試求R2之時間刻度 設定為何?(4分)
#57132
三、每相阻抗為0.5+j2Ω的三相輸電線,供應兩個以並聯方式連接的平衡三相負載;其中第一個 負載其視在功率為200 kVA,功率因數0.6落後,第二個負載為A接,每相阻抗為150 — j60Ω。 在負載端之線至線電壓VLL為5kV,試求在電源侧之線至線電壓值?(10分)
#57133
(一)接地電抗器Xn之pu值(2分);
#57134
(二)試繪出單相接地故障相序網路 之戴維寧等效電路(2分);
#57135
(三)故障後b相電壓(以kV表示)及相角(3分);
#57136
(四)a相故 障電流大小(以kA表示)(3分)°
#57137
(一)相位常數β (rad/km) ;
#57138
(二)突波阻抗Zc (Ω);
#57139
相關試卷
114年 - 114 經濟部所屬事業機構_新進職員甄試試題_電機:1 .電力系統 2 .電機機械#133471
114年 · #133471
113年 - 113 經濟部所屬事業機構_新進職員甄試_電機:電機機械、電力系統#133337
113年 · #133337
112年 - 112 經濟部所屬事業機構_新進職員甄試_電機(二):電力系統、電機機械#116953
112年 · #116953
111年 - 111 經濟部所屬事業機構_新進職員甄試試題_電機(二):1.電力系統 2.電機機械#111370
111年 · #111370
110年 - 110 經濟部所屬事業機構_新進職員甄試_電機(二):1.電力系統 2.電機機械#103694
110年 · #103694
107年 - 107 臺灣菸酒股份有限公司_從業職員及從業評價職位人員甄試_從業職員(第3職等人員【一】)-電機空調消防:電機機械與電力系統#72790
107年 · #72790
106年 - 106 經濟部所屬事業機構_新進職員甄試_電機(甲):1.電力系統 2.電機機械#70463
106年 · #70463
105年 - 105 經濟部所屬事業機構_新進職員甄試_電機(甲):1.電力系統 2.電機機械#60301
105年 · #60301
104年 - 104 經濟部所屬事業機構_新進職員甄試_電機(甲):1.電力系統 2.電機機械#60434
104年 · #60434
103年 - 103 經濟部所屬事業機構_新進職員甄試_電機(甲):1.電力系統 2.電機機械#63874
103年 · #63874