題組內容
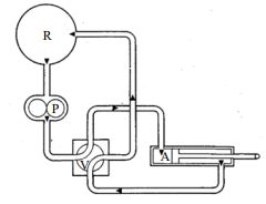
四、一簡單液壓系統如下圖,其中,各元件、設備皆在同一水平面,液壓油 管直徑 d1 = 10 mm 、油箱(R)至油泵(P)之連接管路長度 L1 = 3 m 、油 泵至方向閥(V)之長度 L2 = 10 m、方向閥至液壓缸(A)之長度 L3 = 10 m、 方向閥至油箱之長度 L4 = 12 m ,油箱之壓力 P1 = 500 kpa 、泵之出口壓力 P3 = 22000 kpa , 液 壓 油 在 管 內 之 流 速 = 7 / 、液壓油之密度 ρ =1100 kg/m3 、液壓油之動力黏滯係數 μ = 6.0 ✖
pa● sec ,液壓缸之活塞直徑 d 2 = 80 mm 、活塞連桿之直徑 d3 = 30 mm 。
(二)設液壓油流經方向閥之壓力損失為 5 kpa,求液壓油流入液壓缸之壓 力 Ph 及流出液壓缸之壓力 Pl 各為多少?若不計活塞與液壓缸之摩擦損 失,求液壓缸之輸出力 F 為多少?(15 分) 