阿摩線上測驗
登入
首頁
>
電路學
>
103年 - 103 高等考試_三級_電力工程、電子工程:電路學#24911
> 申論題
題組內容
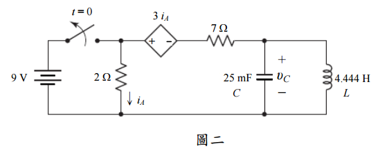
二、如圖二所示電路中的開關在 t=0 前已經關閉了一段時間。試求: (每小題 5 分,共 20 分)
(四)在 t >0 時,與 L 及 C 並聯的等效電阻值。
相關申論題
(一) iA (0- )。
#32997
(二) iA (0+ )。
#32998
(三)υC (0- )。
#32999
(一)試求出圖三所示雙埠網路之 z 參數。(10 分)
#33001
(二)若 I1=I2=1 A,試求電壓增益 V2 / V 1 。(10 分)
#33002
(一)線電流。(6 分)
#33003
(二)總負載的功率因數。(6 分)
#33004
(三)總負載所吸收的功率。(8 分)
#33005
四、試求圖 3 電路中的輸出電壓 vo(t)。(25 分)
#569964
三、當連接至 120 V(rms)、60 Hz 的電源時,某負載在功率因數(pf)為 0.8 落後(lagging)下消耗 4 kW 的實功。假設將一部 1 kW 的太陽能發電機(只 產生實功)與該負載並聯。試求將功率因數(pf)提升至 0.9 落後所需的 電容值。(25 分)
#569963
相關試卷
115年 - 115 身心障礙特種考試_三等_電子工程:電路學#138936
115年 · #138936
114年 - 114 地方政府公務特種考試_三等_電力工程、電子工程、電信工程:電路學#134770
114年 · #134770
114年 - 114 專技高考_電機工程技師:電路學#133707
114年 · #133707
114年 - 114 專技高考_電子工程技師:電路學#133700
114年 · #133700
114年 - 114 公務升官等考試_薦任_電力工程、電子工程、電信工程:電路學#133241
114年 · #133241
114年 - 114 高等考試_三級_電力工程、電子工程、電信工程:電路學#128784
114年 · #128784
113年 - 113-2 國營臺灣鐵路股份有限公司_從業人員甄試_第8階-助理工程師-電機:電路學#137142
113年 · #137142
113年 - 113 地方政府公務特種考試_三等_電力工程、電子工程:電路學#124508
113年 · #124508
113年 - 113 專技高考_電機工程技師:電路學#123962
113年 · #123962
113年 - 113 專技高考_電子工程技師:電路學#123933
113年 · #123933