阿摩線上測驗
登入
首頁
>
自動控制學
>
103年 - 103年地方三等-三等自動控制#42903
> 申論題
申論題
試卷:103年 - 103年地方三等-三等自動控制#42903
科目:自動控制學
年份:103年
排序:0
申論題資訊
試卷:
103年 - 103年地方三等-三等自動控制#42903
科目:
自動控制學
年份:
103年
排序:
0
題組內容
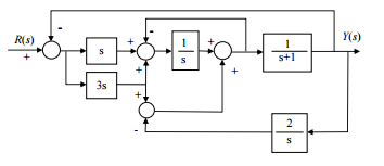
一、考慮如下圖之閉迴路控制系統:
申論題內容
(2) 計算此系統之主極點(dominant poles)位置,以及其對應的阻尼比(damping ratio, ξ)與自然頻率(natural frequency, ω
n
)。(5 分)