阿摩線上測驗
登入
首頁
>
中山◆電機◆電子學
>
102年 - 102 國立中山大學_碩士班招生考試_電機系(甲、丙、戊組)、電波領域:電子學#110209
> 申論題
申論題
試卷:102年 - 102 國立中山大學_碩士班招生考試_電機系(甲、丙、戊組)、電波領域:電子學#110209
科目:中山◆電機◆電子學
年份:102年
排序:0
申論題資訊
試卷:
102年 - 102 國立中山大學_碩士班招生考試_電機系(甲、丙、戊組)、電波領域:電子學#110209
科目:
中山◆電機◆電子學
年份:
102年
排序:
0
題組內容
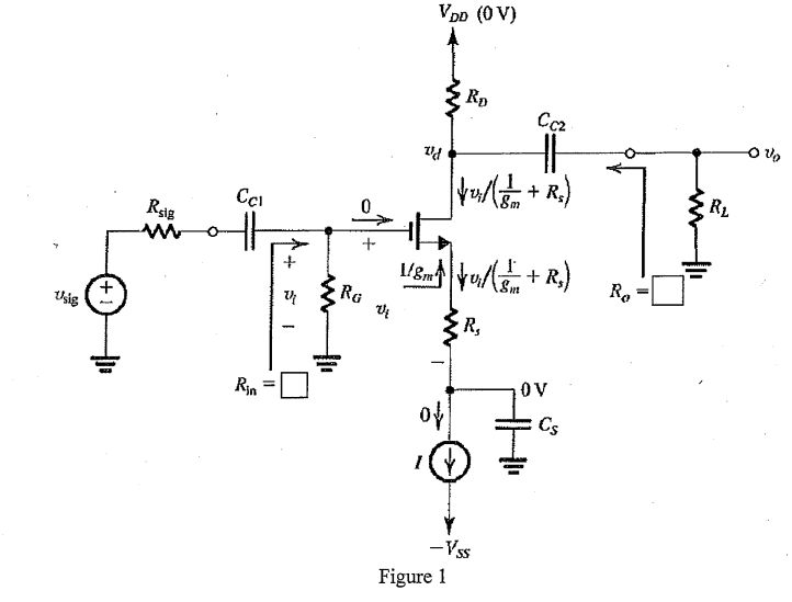
1. (20%)
申論題內容
(c) Please derive
of the amplifier in Figure 1. (2%, 2%, 2%*8)