阿摩線上測驗
登入
首頁
>
電路學
>
103年 - 103 專技高考_電機工程技師:電路學#24845
> 申論題
題組內容
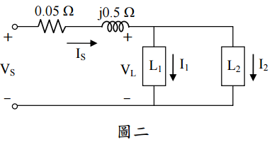
三、有兩個負載並聯如圖二所示,負載 1 的消耗功率為 8 kW,功率因數為 0.8(超前),負載 2 吸收 20 kVA,功率因數為 0.6(落後)。V
L
= 200∠0°V(rms)。
⑴求兩負載並聯後的功率因數。(10 分)
相關申論題
二、⑴假設υ(t) = 3cos (ωt) + 4sin (ωt) = A cos (ωt + θ),求 A 及 θ 之值。(10 分)
#32529
⑵假設有一電壓源υ(t) = 2 + 3cos (ωt) + 5cos (2ωt) V,加在一電阻為 10 Ω 的兩端, 求該電壓源所供應的平均功率。(10 分)
#32530
⑵假設電源的頻率為 60 Hz,若並聯一電容器到這兩個負載,使改善後的功率因數為 1.0,求其電容值。(10 分)
#32532
⑴如果 Ri = 0,求頻帶寬(bandwidth)β 及中心頻率(center frequency)ωo的值, 兩者的單位都為 rad/s。(10 分)
#32534
⑵如果 Ri = R,求頻帶寬(bandwidth)β 及中心頻率(center frequency)ωo的值, 兩者的單位都為 rad/s。(10 分)
#32535
四、試求圖 3 電路中的輸出電壓 vo(t)。(25 分)
#569964
三、當連接至 120 V(rms)、60 Hz 的電源時,某負載在功率因數(pf)為 0.8 落後(lagging)下消耗 4 kW 的實功。假設將一部 1 kW 的太陽能發電機(只 產生實功)與該負載並聯。試求將功率因數(pf)提升至 0.9 落後所需的 電容值。(25 分)
#569963
二、若 v(0) = 0 V,試求圖 2 電路中 t > 0 時的 v(t)。(25 分)
#569962
(二)計算能消耗(汲取)最大功率的 R 值為多少?(8 分)此時的最大負載功率是多少?(7 分)
#569961
(一)求 R 的值,使得 Vo = 1.8 V。(10 分)
#569960
相關試卷
115年 - 115 身心障礙特種考試_三等_電子工程:電路學#138936
115年 · #138936
114年 - 114 地方政府公務特種考試_三等_電力工程、電子工程、電信工程:電路學#134770
114年 · #134770
114年 - 114 專技高考_電機工程技師:電路學#133707
114年 · #133707
114年 - 114 專技高考_電子工程技師:電路學#133700
114年 · #133700
114年 - 114 公務升官等考試_薦任_電力工程、電子工程、電信工程:電路學#133241
114年 · #133241
114年 - 114 高等考試_三級_電力工程、電子工程、電信工程:電路學#128784
114年 · #128784
113年 - 113-2 國營臺灣鐵路股份有限公司_從業人員甄試_第8階-助理工程師-電機:電路學#137142
113年 · #137142
113年 - 113 地方政府公務特種考試_三等_電力工程、電子工程:電路學#124508
113年 · #124508
113年 - 113 專技高考_電機工程技師:電路學#123962
113年 · #123962
113年 - 113 專技高考_電子工程技師:電路學#123933
113年 · #123933