阿摩線上測驗
登入
首頁
>
電機機械
>
103年 - 103年高等一級暨二級考高考二級_電力工程#25267
> 申論題
申論題
試卷:103年 - 103年高等一級暨二級考高考二級_電力工程#25267
科目:電機機械
年份:103年
排序:0
申論題資訊
試卷:
103年 - 103年高等一級暨二級考高考二級_電力工程#25267
科目:
電機機械
年份:
103年
排序:
0
題組內容
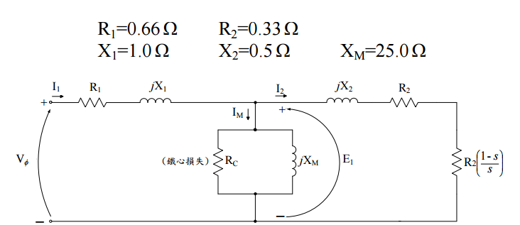
四、一部 380 V、25 馬力、60 Hz、四極、Y 接的感應電動機(induction motor),其換 算到定子側的單相等效電路及參數值如下所列:
鐵心損失(core loss)可忽略不計,三相定子輸入電壓為:
若轉子轉差率 s 在額定電壓與頻率 f = 60 Hz 時是 2.2%,試求出電動機的:
申論題內容
⑴轉速(10 分)