阿摩線上測驗
登入
首頁
>
土壤力學
>
109年 - 109 專技高考_大地工程技師:土壤力學(包括土壤動力學)#93128
> 申論題
題組內容
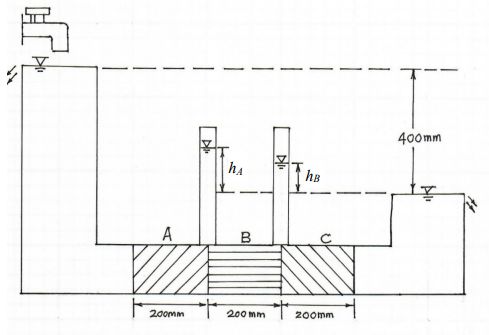
一、下圖顯示滲流通過 130 mm x 130 mm 方形斷面管內的三層土壤,左 側供水面與右側溢流面之固定水位差為 400 mm。沿著滲流方向,三 種土壤的滲透係數分別為:
及
。試計算:
⑴通過三土層的滲流量(rate of flow),以 cm
3
/hr 作答。(10 分)
相關申論題
⑵ 2 支豎管水壓計中自由液面 及 之高度,以 mm 作答。(10 分)
#383704
二、某一可壓縮黏土層之厚度為 4.0 m,在雙向排水狀態壓密 1 年後,黏土 層發生 50%的主壓密沉陷,壓密沉陷量為 80 mm。若性質相同的黏土層 厚度為 40 m,承受相同的載重壓密 1 年及 4 年後,在雙向排水狀況,試 計算將分別發生多少主壓密沉陷量?(20 分)
#383705
三、請詳細說明振動機械基礎(vibratory machine foundation)之設計,必須考慮那幾項動力設計條件(dynamic design criteria)。(10 分)
#383706
⑴試求此黏土之總應力內摩擦角ΦCU 及有效應力內摩擦角Φ'。(5 分)
#383707
⑵試計算並繪出 A 試體及 B 試體破壞時之總應力及有效應力莫爾圓。(5 分)
#383708
⑶試求 B 試體破壞時施加之軸差應力。(5 分)
#383709
⑷試求破壞面與水平面之夾角。(5 分)
#383710
⑸試計算黏土試體破壞時之孔隙水壓參數。(5 分)
#383711
⑴臨界阻尼係數。(5 分)
#383712
⑵阻尼比 D。(5 分)
#383713
相關試卷
114年 - 114 地方政府公務特種考試_三等_水利工程:土壤力學#134749
114年 · #134749
114年 - 114 地方政府公務特種考試_三等_土木工程:土壤力學#134689
114年 · #134689
114年 - 114 專技高考_大地工程技師:土壤力學(包括土壤動力學)#133687
114年 · #133687
114年 - 114 原住民族特種考試_三等_土木工程:土壤力學#130928
114年 · #130928
114年 - 114 原住民族特種考試_三等_土木工程:土壤力學#130927
114年 · #130927
114年 - 114 原住民族特種考試_三等_土木工程:土壤力學#130926
114年 · #130926
114年 - 114 原住民族特種考試_三等_土木工程:土壤力學#130925
114年 · #130925
114年 - 114 高等考試_三級_水利工程:土壤力學#128668
114年 · #128668
114年 - 114 高等考試_三級_土木工程:土壤力學#128630
114年 · #128630
114年 - 114 身心障礙特種考試_三等_水利工程:土壤力學#126633
114年 · #126633