阿摩線上測驗
登入
首頁
>
鋼筋混凝土學與設計
>
97年 - 97 地方政府特種考試_三等_土木工程:鋼筋混凝土學與設計#32583
> 申論題
申論題
試卷:97年 - 97 地方政府特種考試_三等_土木工程:鋼筋混凝土學與設計#32583
科目:鋼筋混凝土學與設計
年份:97年
排序:0
申論題資訊
試卷:
97年 - 97 地方政府特種考試_三等_土木工程:鋼筋混凝土學與設計#32583
科目:
鋼筋混凝土學與設計
年份:
97年
排序:
0
題組內容
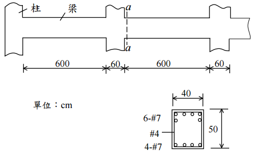
一、圖示之鋼筋混凝土梁柱構架除承受自重外,還要承受均佈靜載重W
SD
= 0.5 tf/m及活 載重W
L
= 2 tf/m之作用,試回答下列問題:
申論題內容
⑵假設本構架符合使用規範之彎矩近似值法,試檢核圖示a-a斷面之撓曲鋼筋是否能 提供足夠之設計強度。已知條件:f
c
’ = 280 kgf/cm
2
,f
y
= 4200 kgf/cm
2
,一根#7 鋼 筋之A
sb
= 3.87 cm
2
,假設兩層#7 鋼筋之淨間距為 2.6 cm。(15 分)