阿摩線上測驗
登入
首頁
>
鋼筋混凝土學與設計
> 97年 - 97 地方政府特種考試_三等_土木工程:鋼筋混凝土學與設計#32583
97年 - 97 地方政府特種考試_三等_土木工程:鋼筋混凝土學與設計#32583
科目:
鋼筋混凝土學與設計 |
年份:
97年 |
選擇題數:
0 |
申論題數:
6
試卷資訊
所屬科目:
鋼筋混凝土學與設計
選擇題 (0)
申論題 (6)
⑴若要使用設計規範中剪力與彎矩近似值法時,本構架應符合那些條件?(10 分)
⑵假設本構架符合使用規範之彎矩近似值法,試檢核圖示a-a斷面之撓曲鋼筋是否能 提供足夠之設計強度。已知條件:f
c
’ = 280 kgf/cm
2
,f
y
= 4200 kgf/cm
2
,一根#7 鋼 筋之A
sb
= 3.87 cm
2
,假設兩層#7 鋼筋之淨間距為 2.6 cm。(15 分)
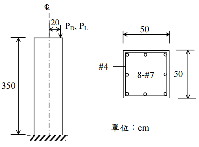
【已刪除】二、有一承受偏心載重之鋼筋混凝土柱如圖所示,假設在使用載重條件下,P
D
= 20 tf, P
L
= 26 tf,試列式說明如何檢核該柱之配筋能否提供足夠之設計強度。已知條件: f
c
’ = 280 kgf/cm
2
,f
y
= 4200 kgf/cm
2
,一根#7 鋼筋之A
sb
= 3.87 cm
2
。(25 分)
【已刪除】三、假設圖示鋼筋混凝土簡支梁除承受自重外,還要承受活載重W
L
= 4 tf/m之作用,該 梁在已知斷面配筋條件下,試問在梁端及x = 3 m 處肋筋之間距應為多少才能提供 足夠剪力設計強度。已知條件:f
c
’ = 280 kgf/cm
2
,f
yt
= 2800 kgf/cm
2
,一根#4 鋼筋之 A
sb
= 1.27 cm
2
。(25 分)
⑴何謂壓拉桿模式(strut-and-tie-model)?試繪圖說明其組成元件及設計規範之相 關規定。(10 分)
⑵試以圖示之托架為例,列式說明如何應用壓拉桿模式設計其主要鋼筋及主壓桿。 (15 分)
相關試卷
114年 - 114 地方政府公務、離島地區公務特種考試_三等_土木工程:鋼筋混凝土學與設計#134753
114年 · #134753
114年 - 114 高等考試_三級_土木工程:鋼筋混凝土學與設計#128726
114年 · #128726
113年 - 113-2 國營臺灣鐵路股份有限公司_從業人員甄試試題_第9階-技術員-土木工程:鋼筋混凝土學與設計概要#137156
113年 · #137156
113年 - 113 國營臺灣鐵路股份有限公司_從業人員甄試_第8階-助理工程師-土木工程:鋼筋混凝土學與設計#137104
113年 · #137104
113年 - 113-2 國營臺灣鐵路股份有限公司_從業人員甄試_第8階-助理工程師-土木工程:鋼筋混凝土學與設計#137090
113年 · #137090
113年 - 113-2 國營臺灣鐵路股份有限公司_從業人員甄試_第 9 階-技術員-土木工程:鋼筋混凝土學與設計概要#135450
113年 · #135450
113年 - 113 地方政府公務、離島地區公務特種考試_三等_土木工程:鋼筋混凝土學與設計#124342
113年 · #124342
113年 - 113 高等考試_三級_土木工程:鋼筋混凝土學與設計#121483
113年 · #121483
113年 - 113 國營臺灣鐵路股份有限公司_從業人員甄試_第 9 階-技術員-土木工程:鋼筋混凝土學與設計概要#119089
113年 · #119089
112年 - 112 地方政府特種考試_三等_土木工程:鋼筋混凝土學與設計#118382
112年 · #118382